Присоединительные плиты Р 10.3 предназначены для соединения гидрораспределителей с другими гидравлическими аппаратами.

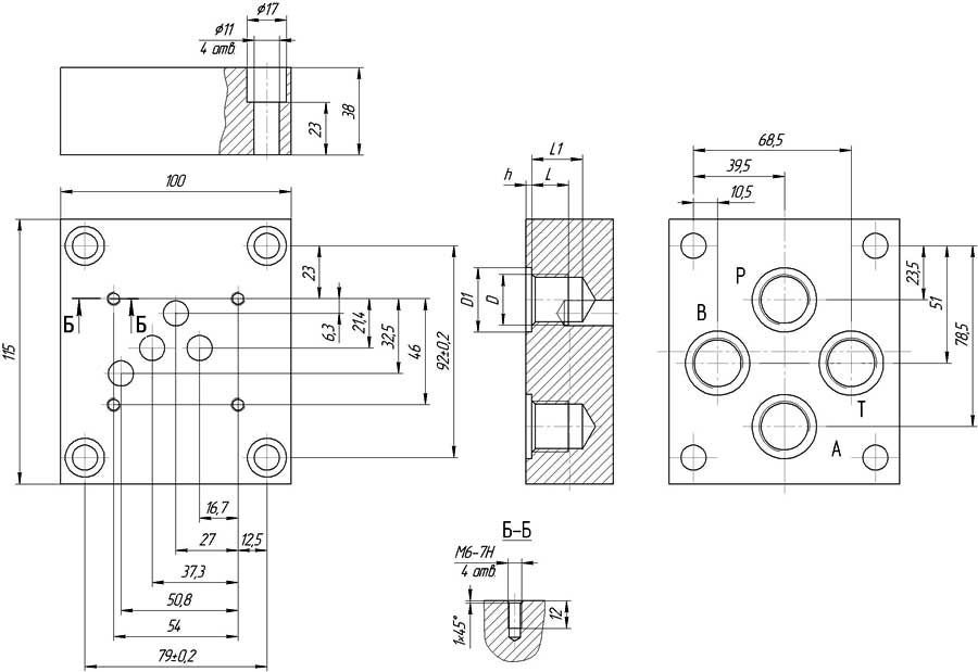
Схема габаритных и присоединительных размеров плиты Р10.3-025-2
Обозначение | D | D1+0.4 | L | L1 | h-0.4 |
РЕ10.3-025-21 | M14 1.5-7H | 20 | 12 | 22 | 1.5 |
РЕ10.3-025-22 | M18 1.5-7H | 24 | 12 | 22 | 2 |
РЕ10.3-025-23 | M22 1.5-7H | 28 | 14 | 22 | 2.5 |
РЕ10.3-025-24 | G 1/4 A | 20 | 12 | 22 | 1.5 |
РЕ10.3-025-25 | G 3/8 А | 24 | 12 | 22 | 2 |
РЕ10.3-025-26 | G 1/2 A | 28 | 14 | 22 | 2.5 |
РЕ10.3-025-27 | К 1/4 ГОСТ 6111-52 | 15 | 22 | ||
РЕ10.3-025-28 | К 3/8 ГОСТ 6111-52 | 16 | 22 | ||
РЕ10.3-025-29 | К 1/2 ГОСТ 6111-52 | 21 | 26,5 |

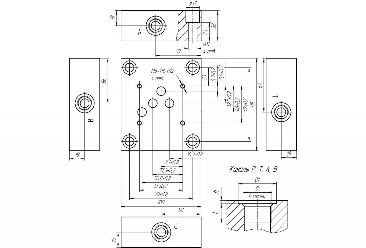
Схема габаритных и присоединительных размеров плиты Р10.3-025-4
Обозначение | D | D1+0.4 | L | h-0.4 |
РЕ10.3-025-41 | M14 1.5-7H | 20 | 12 | 1.5 |
РЕ10.3-025-42 | M18 1.5-7H | 24 | 12 | 2 |
РЕ10.3-025-43 | M22 1.5-7H | 28 | 14 | 2.5 |
РЕ10.3-025-44 | G 1/4 A | 20 | 12 | 1.5 |
РЕ10.3-025-45 | G 3/8 А | 24 | 12 | 2 |
РЕ10.3-025-46 | G 1/2 A | 28 | 14 | 2.5 |
РЕ10.3-025-47 | К 1/4 ГОСТ 6111-52 | 15 | 22 | - |
РЕ10.3-025-48 | К 3/8 ГОСТ 6111-52 | 16 | 22 | - |
РЕ10.3-025-49 | К 1/2 ГОСТ 6111-52 | 21 | 26,5 | - |
ДОСТАВКА
Вы можете выбрать любой наиболее удобный способ из перечисленных ниже:
Доставка до терминала ТК «Деловые линии» осуществляется нами бесплатно.
ОПЛАТА
Мы принимаем оплату:
Цены на поставляемые нами товар всегда ниже, чем у наших конкурентов.
Условия гарантийного обслуживания
Гарантия не распространяется на ущерб, причиненный другому оборудованию, работающему вместе с данным изделием.
Центр измерительной техники «Эталонприбор» располагает своим собственным ремонтным сервисом, где Вы можете получить услуги по: ремонту, наладке, калибровке, гарантийному и послегарантийному обслуживанию измерительного оборудования, как приобретенного у нас, так и у других поставщиков. Сервис работает на основе лицензии, выданной Ростехрегулированием РФ.
