Плита присоединительная Р6.3 предназначена для индивидуальной установки гидрораспределителей типа РЕ 6 , РММ 6, РМР 6.

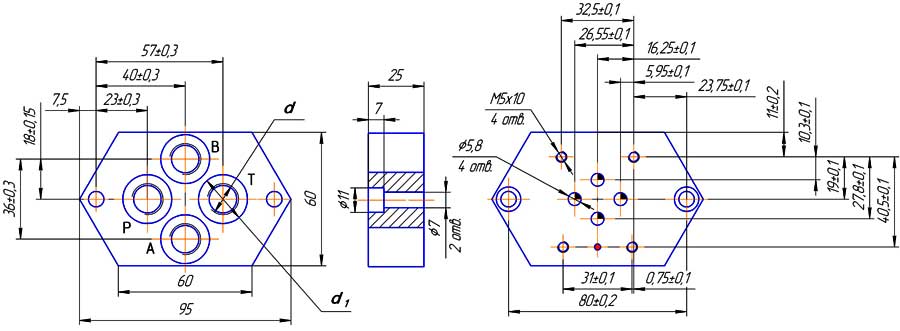
Схема габаритных и присоединительных размеров плит Р6.3-002 и Р6.3-003
Обозначение плит | L | H | H1 | H2 | h | h1 | h2 | h3 | h4 | h5 | d | d1 |
Р6.3-002 | 95 | 60 | 80 | 25 | 36 | 18 | 23 | 40 | 57 | 21 | 22 | M14 1.5 |
Р6.3-002-01 | 95 | 60 | 80 | 25 | 36 | 18 | 23 | 40 | 57 | 21 | 22 | G 1/4 |
Р6.3-002-02 | 95 | 60 | 80 | 25 | 36 | 18 | 23 | 40 | 57 | 21 | - | K 1/4 |
Р6.3-003 | 105 | 80 | 90 | 30 | 48 | 24 | 22 | 44 | 66 | 26 | 28 | M18 1.5 |
Р6.3-003-01 | 105 | 80 | 90 | 30 | 48 | 24 | 22 | 44 | 66 | 26 | 28 | G 3/8 |
Р6.3-003-02 | 105 | 80 | 90 | 30 | 48 | 24 | 22 | 44 | 66 | 26 | - | K 3/8 |

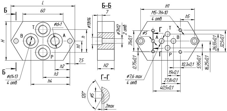
Схема габаритных и присоединительных размеров плит Р6.3-005
| d | d1 |
Р6.3-005 | 22 | M14 1.5-7H |
-01 | 22 | G1/4-B |
-02 | - | K1/4” |
ДОСТАВКА
Вы можете выбрать любой наиболее удобный способ из перечисленных ниже:
Доставка до терминала ТК «Деловые линии» осуществляется нами бесплатно.
ОПЛАТА
Мы принимаем оплату:
Цены на поставляемые нами товар всегда ниже, чем у наших конкурентов.
Условия гарантийного обслуживания
Гарантия не распространяется на ущерб, причиненный другому оборудованию, работающему вместе с данным изделием.
Центр измерительной техники «Эталонприбор» располагает своим собственным ремонтным сервисом, где Вы можете получить услуги по: ремонту, наладке, калибровке, гарантийному и послегарантийному обслуживанию измерительного оборудования, как приобретенного у нас, так и у других поставщиков. Сервис работает на основе лицензии, выданной Ростехрегулированием РФ.
