ОВЕН ПЛК63 – контроллер с HMI для локальных систем автоматизации. Основные области применения ОВЕН ПЛК63 – ЖКХ, ЦТП, ИТП, котельные, небольшие установки.

Центральный процессор | 32-разрядный RISC процессор 50 МГц на базе ядра ARM7 |
Объем оперативной памяти для хранения переменных программ | 10 кб |
Объем памяти хранения программ | 280 кб |
Объем памяти ввода-вывода | 600 байт - для ПЛК63-M 360 байт - для ПЛК63-L |
Объем энергонезависимой памяти | 448 кбайт (Flash-память) |
Время работы часов реального времени после пропадания питания | не менее 3 месяцев |
Конструктивное исполнение | крепление на DIN-рейку |
Степень защиты корпуса (со стороны лицевой панели) по ГОСТ14254–96 | IP20 |
Напряжение питания | постоянного тока от 150 до 300 В (номинальное 220 В) переменного тока (47…63 Гц) от 90 до 264 В (номинальное 110/220 В) |
| Потребляемая мощность, не более | для постоянного тока, 12 Вт для переменного тока, 18 Вт |
| Параметры встроенного вторичного источника питания | выходное напряжение 24±3 В, ток не более 180 мА |
Тип дисплея | Текстовый монохромный ЖКИ с подсветкой |
Количество знакомест (символов) | 2 x 16 |
Кнопки управления на лицевой панели | Пленочная клавиатура 6 кнопок: "Пуск/стоп", "Выход", "Альт", "Ввод", "Вверх", "Вниз" |
Светодиоды на лицевой панели | Отсутствуют |
Интерфейсы | RS-485, DEBUG RS-232 (RJ-11) |
Протоколы | ОВЕН, Modbus RTU/ASCII, GateWay (протокол CODESYS) |
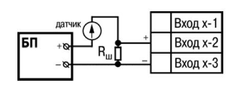
Количество универсальных аналоговых входов | 8 |
Типы подключаемых датчиков и сигналов | термосопротивления, термопары, сигналы тока, напряжения, сопротивления |
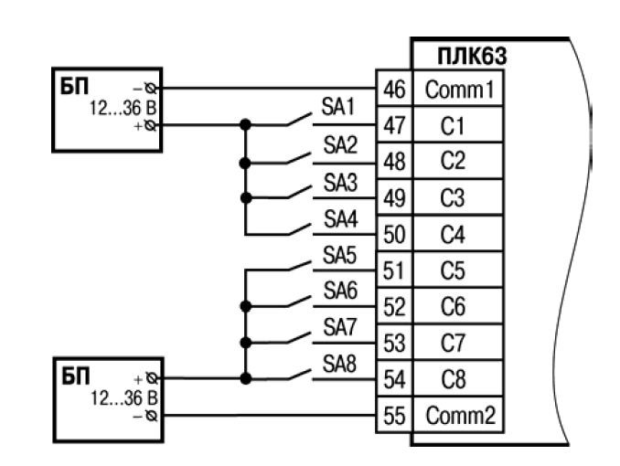
Количество дискретных входов | 8 |
Наличие гальванической изоляции дискретных входов | есть, групповая |
Максимальная частота сигнала, подаваемого на дискретный вход | 50 Гц (при скважности 2) |
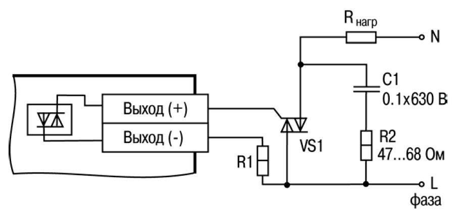
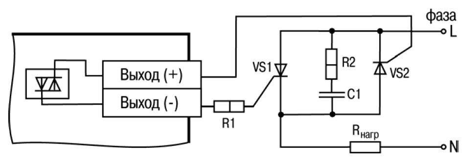
Количество выходных элементов | 6 |
Тип выходного элемента 1 | э/м реле 4 А 220 В |
Возможные типы выходных элементов 2...6 | Р - э/м реле 4 А 220 В И - ЦАП 4...20 мА У - ЦАП 0...10 В (активный) |
Расширение количества дискретных выходов | до 8 (модуль МР1 по внутренней шине) |
Протокол | Интерфейс | Применение |
ОВЕН | RS-232 RS-485 | Поддержка модулей ОВЕН Мх110 Работа в сетях ОВЕН совместно с ТРМ2хх |
Modbus RTU Modbus ASCII | RS-232 RS-485 | Поддержка модулей ввода/вывода и операторских панелей (например, ОВЕН СП3хх), связь со SCADA-системами |
GateWay (протокол CODESYS) | RS-232 | Программирование контроллера, отладка пользовательской программы. Работа с OPC-сервером CODESYS |
- | МР1 | Вход для подключения модуля МР1 |















Наименование | Изображение | Комментарии | Длина, м |
| КС1 | ![]() | Применяется для прошивки и программирования контроллеров: - ПЛК63 (порт DEBUG при наличии переходной платы) | 1,5 2,7 |
КС2 |
| Применяется для соединения контроллеров ПЛК63 (порт RS-232) с панелями оператора ИП320 (порт RS-232), СП270, СП307, СП310 (порт PLC, RS-232) |
ДОСТАВКА
Вы можете выбрать любой наиболее удобный способ из перечисленных ниже:
Доставка до терминала ТК «Деловые линии» осуществляется нами бесплатно.
ОПЛАТА
Мы принимаем оплату:
Цены на поставляемые нами товар всегда ниже, чем у наших конкурентов.
Условия гарантийного обслуживания
Гарантия не распространяется на ущерб, причиненный другому оборудованию, работающему вместе с данным изделием.
Центр измерительной техники «Эталонприбор» располагает своим собственным ремонтным сервисом, где Вы можете получить услуги по: ремонту, наладке, калибровке, гарантийному и послегарантийному обслуживанию измерительного оборудования, как приобретенного у нас, так и у других поставщиков. Сервис работает на основе лицензии, выданной Ростехрегулированием РФ.
