по РФ бесплатно
пн-пт 9:00-18:00
пн-пт 9:00-18:00
по РФ бесплатно
Ваш город
Нет
Да
КОНТАКТНАЯ ИНФОРМАЦИЯ
Телефоны:8 (800) 777-30-09 (по РФ бесплатно), 8 (495) 748-30-09, 748-30-60, 664-28-44.
Адрес:141006, Московская обл., г. Мытищи, Олимпийский пр-т, д. 29, стр. 2, офис 43/1.
УВАЖАЕМЫЕ КЛИЕНТЫ!
Цены на сайте могут отличаться, просьба уточнять конечную стоимость у наших менеджеров!
TMM-540


ПЛК63-РРККУУ-М

Цена:
36 000
Общая стоимость 0 руб.
В корзину
Купить в 1 клик
Нашли дешевле?
Снизим цену!
В избранное
Стоимость доставки от 800 ₽ (уточнять у менеджера)
Срок доставки: 2 - 10 дней при наличии товара на складе
Бесплатная доставка от 50000₽
Безналичный расчет для юридических лиц
Самовывоз со склада компании ЭТАЛОНПРИБОР
Более 350 брендов
Самые лучшие
цены
Техническая
документация
Быстрая доставка
по России
Сервисный
центр
  • Описание
  • Доставка и оплата
  • Гарантия и возврат
  • Отзывы
  • Сервис
Описание

ОВЕН ПЛК63 – контроллер с HMI для локальных систем автоматизации. Основные области применения ОВЕН ПЛК63 – ЖКХ, ЦТП, ИТП, котельные, небольшие установки.

  • Двухстрочный знакосинтезирующий дисплей.
  • Наличие дискретных входов/выходов на борту.
  • Заказные модификации с выбором дискретных/аналоговых выходов.
  • Встроенные интерфейсы RS-485, RS-232.
  • Встроенные часы реального времени.
  • Поддержка протоколов ОВЕН, Modbus RTU, Modbus ASCII, GateWay.
  • Бесплатная библиотека функциональных блоков:
    • разработки ОВЕН: ПИД-регулятор с автонастройкой, блок управления 3-позиционными задвижками и др.;
    • стандартные библиотеки CODESYS.
  • Возможность расширения путем подключения модулей ввода/вывода.
  • Увеличение количества дискретных выходов путем подключения модуля ОВЕН МР1.

Функциональная схема

Функциональная схема ОВЕН ПЛК63

Основные технические характеристики

Общие сведения

Центральный процессор

32-разрядный RISC процессор 50 МГц на базе ядра ARM7

Объем оперативной памяти для хранения переменных программ

10 кб

Объем памяти хранения программ

280 кб

Объем памяти ввода-вывода

600 байт - для ПЛК63-M

360 байт - для ПЛК63-L

Объем энергонезависимой памяти

448 кбайт (Flash-память)

Время работы часов реального времени после пропадания питания

не менее 3 месяцев

Конструктивное исполнение

крепление на DIN-рейку

Степень защиты корпуса (со стороны

лицевой панели) по ГОСТ14254–96

IP20

Напряжение питания

постоянного тока от 150 до 300 В (номинальное 220 В)

переменного тока (47…63 Гц) от 90 до 264 В (номинальное 110/220 В)

Потребляемая мощность, не более

для постоянного тока, 12 Вт

для переменного тока, 18 Вт

Параметры встроенного вторичного источника питания

выходное напряжение 24±3 В, ток не более 180 мА

Элементы человеко-машинного интерфейса

Тип дисплея

Текстовый монохромный ЖКИ с подсветкой

Количество знакомест (символов)

2 x 16

Кнопки управления на лицевой панели

Пленочная клавиатура 6 кнопок:

"Пуск/стоп", "Выход", "Альт",

"Ввод", "Вверх", "Вниз"

Светодиоды на лицевой панели

Отсутствуют

Интерфейсы связи

Интерфейсы

RS-485, DEBUG RS-232 (RJ-11)

Протоколы

ОВЕН, Modbus RTU/ASCII, GateWay (протокол CODESYS)

Аналоговые входы

Количество универсальных аналоговых входов

8

Типы подключаемых датчиков и сигналов

термосопротивления, термопары, сигналы тока, напряжения, сопротивления

Дискретные входы

Количество дискретных входов

8

Наличие гальванической изоляции дискретных входов

есть, групповая

Максимальная частота сигнала, подаваемого на дискретный вход

50 Гц (при скважности 2)

Выходы

Количество выходных элементов

6

Тип выходного элемента 1

э/м реле 4 А 220 В

Возможные типы выходных элементов 2...6

Р - э/м реле 4 А 220 В

И - ЦАП 4...20 мА

У - ЦАП 0...10 В (активный)

Расширение количества дискретных выходов

до 8 (модуль МР1 по внутренней шине)

Поддерживаемые интерфейсы и протоколы

Протокол

Интерфейс

Применение

ОВЕН

RS-232

RS-485

Поддержка модулей ОВЕН Мх110

Работа в сетях ОВЕН совместно с ТРМ2хх

Modbus RTU

Modbus ASCII

RS-232

RS-485

Поддержка модулей ввода/вывода и операторских панелей (например, ОВЕН СП3хх), связь со SCADA-системами

GateWay (протокол CODESYS)

RS-232

Программирование контроллера, отладка пользовательской программы.

Работа с OPC-сервером CODESYS

-

МР1

Вход для подключения модуля МР1

Схемы подключения

Подключение термометра сопротивления или резистивного датчика по трехпроводной схеме
Подключение резистивного датчика по двухпроводной схеме
Подключение активного датчика с выходом в виде напряжения 0...1 В
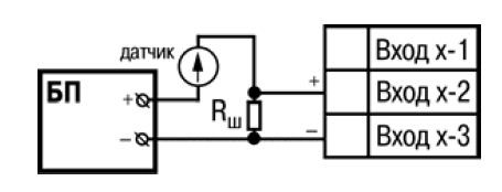
Подключение активного датчика с токовым выходом 0...5 мА или 0(4)...20 мА (Rш = 100,0 Ом ± 0,1%)
Схема подключения термопары (термоэлектрического преобразователя)
Схема подключения нагрузки к ВЭ типа «У». Rн > 2 кОм
Схема подключения нагрузки к ВЭ типа «И»
Схема подключения нагрузки к ВЭ типа «Р»
Схема подключения нагрузки к ВЭ типа «К» (диод VD1 должен быть рассчитан на напряжение 100 В и ток 1 A)
Схема подключения нагрузки к ВЭ типа «Т»
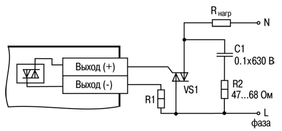
Схема подключения нагрузки к ВЭ типа «С» двух тиристоров, подключенных встречно-параллельно (R2=47… 68 Ом, С1=0.1мкф×630 В)
Схема подключения нагрузки к ВЭ типа «Т»
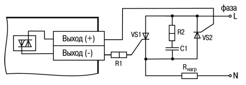
Схема подключения нагрузки к ВЭ типа «Р» (для первого ВЭ)
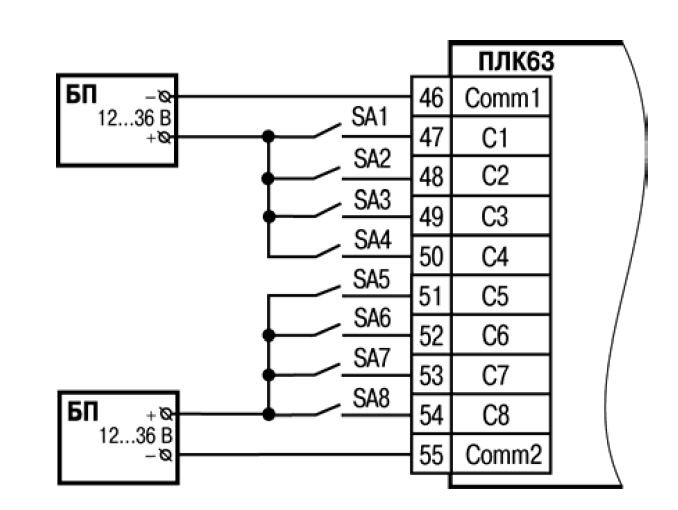
Подключение датчиков к дискретным входам
Схема подключения модуля МР1 к ПЛК63

Кабели

Наименование

Изображение

Комментарии

Длина, м

КС1Кабель КС1

Применяется для прошивки и программирования контроллеров:

- ПЛК63 (порт DEBUG при наличии переходной платы)

1,5

2,7

КС2

Кабель КС2

Применяется для соединения контроллеров ПЛК63 (порт RS-232) с панелями оператора ИП320 (порт RS-232), СП270, СП307, СП310 (порт PLC, RS-232)

Комплект поставки

  • Прибор ПЛК63
  • Кабель программирования КС1
  • Паспорт и руководство по эксплуатации
  • Гарантийный талон
Развернуть полное описание
Доставка и оплата

ДОСТАВКА

Вы можете выбрать любой наиболее удобный способ из перечисленных ниже:

  • Самовывоз со склада компании ЭТАЛОНПРИБОР
  • Доставка через транспортную компанию "Деловые линии"
  • Доставка экспресс - почтой "ПОНИ-ЭКСПРЕСС" до двери
  • Доставка по Москве и области нашими экспедиторами и курьерами
  • Доставка через транспортную компанию "ПЭК"
  • Отправка посылкой с помощью Почты России
  • Доставка через транспортную компанию покупателя

Доставка до терминала ТК «Деловые линии» осуществляется нами бесплатно.

ОПЛАТА

Мы принимаем оплату:

  • по безналичному расчету
  • перечислением денежных средств на расчетный счет для юридических лиц
  • банковским переводом для физических.

Цены на поставляемые нами товар всегда ниже, чем у наших конкурентов.

Гарантия и возврат

Условия гарантийного обслуживания

  1. Гарантия действительна только при наличии гарантийного талона с указанием заводского номера изделия, гарантийного срока и печати поставщика.
  2. Гарантия предусматривает бесплатный ремонт изделия или замену запасных частей, комплектующих в течении гарантийного срока, указанного в гарантийном талоне.
  3. Заводской номер и наименование изделия должны соответствовать указанным в гарантийном талоне.
  4. Изделие снимается с гарантийного обслуживания в следующих случаях:
    1. Нарушения условий эксплуатации, изложенных в технической документации изделия, которые привели к выходу изделия из строя, включая неисправности, вызванные использованием нештатных аксессуаров;
    2. Нарушения гарантийных пломб, в случае наличия следов вскрытия или взлома корпуса изделия;
    3. Ремонта в неуполномоченном сервисном центре или самостоятельно (кроме элементов и источников питания, замена которых предусмотрена производителем);
    4. Использования изделия не по назначению;
    5. Нарушения правил хранения и транспортирования;
    6. Наличия внешних механических повреждений, включая повреждения разъёмов и контактов;
    7. Наличия внешних повреждений, вызванных стихией, пожаром, молнией, высоким напряжением;
    8. Попадания внутрь влаги, инородных предметов и т.п.
    9. Неправильном включении в сеть.
  5. Гарантия не распространяется на расходные материалы и прочие детали, имеющие ограниченный срок службы: элементы питания (в т.ч. аккумуляторы), имеющие ограниченную прочность.
  6. Недополученная в связи с появлением неисправности прибыль и другие косвенные расходы не подлежат возмещению.

Гарантия не распространяется на ущерб, причиненный другому оборудованию, работающему вместе с данным изделием.

Отзывы
Отзывы о товаре ПЛК63-РРККУУ-М
Сервис

Центр измерительной техники «Эталонприбор» располагает своим собственным ремонтным сервисом, где Вы можете получить услуги по: ремонту, наладке, калибровке, гарантийному и послегарантийному обслуживанию измерительного оборудования, как приобретенного у нас, так и у других поставщиков. Сервис работает на основе лицензии, выданной Ростехрегулированием РФ.

 
Подробнее
 
Сервисное обслуживание
Простой обмен и возврат
Поможем решить любую проблему с товаром
Собственный сервисный центр
Устраним любую неисправность по гарантии. Срок указан без учета логистики
Сервисы по всей России
Обращайтесь за обслуживанием в авторизованные сервисы производителя
Похожие товары
 
Полезные статьи
При выборе манометра необходимо учитывать ряд важных факторов, чтобы прибор подходил для конкретной системы.
Уровень влажности в помещении играет важную роль в формировании оптимальных условий для комфортного пребывания. Для определения этого параметра используются устройства, называемые гигрометрами. В этой статье мы расскажем, как выбрать подходящее оборудование такого типа для различных объектов.
Осциллограф — это прибор для наблюдения, измерения, записи и анализа амплитудных и временных характеристик электрического сигнала. Подаваемый на вход устройства, он отображается либо на экране, либо фиксируется на фотоленте для последующего изучения.
Если вы задумались о приобретении мультиметра, важно заранее ознакомиться с рядом полезных рекомендаций, которые помогут сделать правильный выбор. Мы подготовили небольшую статью, которая, надеемся, окажется полезной.
Цифровой тахометр — это прибор, предназначенный для измерения частоты вращения различных объектов, таких как валы, двигатели и роторы. В отличие от аналоговых моделей, цифровые тахометры обеспечивают высокую точность измерений и удобство использования благодаря современным технологиям и информативному дисплею. Они широко используются в самых разных отраслях: от автомобильного сервиса и промышленности до научных исследований и контроля вентиляционных систем.
Мегаомметр – это специализированный прибор, предназначенный для измерения сопротивления изоляции электрических цепей и оборудования. В условиях современного мира, где электричество играет ключевую роль во всех сферах жизни, обеспечение безопасности и надежности электрических систем становится особенно важным. От качества изоляции проводников и оборудования зависит не только эффективность их работы, но и безопасность людей и объектов, которые они обслуживают.
Измерительные приборы играют ключевую роль в различных отраслях, начиная от промышленности и строительства, заканчивая медициной и научными исследованиями. Правильная эксплуатация и уход за этими приборами являются залогом точных измерений и долговечности оборудования.
Осциллографы играют ключевую роль в современных лабораториях и на производственных предприятиях, являясь незаменимым инструментом для анализа и визуализации электрических сигналов. Независимо от того, являетесь ли вы инженером-электронщиком, студентом технического вуза или энтузиастом электроники, понимание принципов работы осциллографов, их видов и характеристик, а также правил эксплуатации и ухода за ними, имеет первостепенное значение.
Амперметр предназначен для измерения величины тока в электрических цепях, выраженной в амперах. В основе его работы лежит простой принцип: инструмент позволяет наглядно увидеть мощность тока, потребляемого устройствами, подключенными к сети. Обычно амперметр подключают в цепь с нагрузкой, поэтому ток, протекающий через него, идентичен току, проходящему через любой другой элемент цепи, будь то нагреватель, мотор или лампочка.
На этапах возведения, отделки и монтажа различных сооружений большую роль играют точность разметки и идеальное выравнивание. Достижение профессиональных стандартов качества возможно при использовании лазерного нивелира. Для выбора подходящей модели целесообразно ознакомиться с механизмом работы этих устройств.
Новинки
Недавно просмотренные