Подвес кабельный П-30 предназначен для подвески кабелей связи на опорах воздушных линий связи.

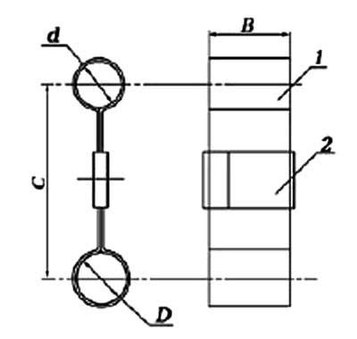
Схема - габаритные размеры
Емкость кабеля | 100х2х0,5 мм |
D | 30 мм |
d | 12 мм |
C | 55 мм |
B | 25 мм |
Количество штук в упаковке | 80 |
Масса 1 штуки | 21 грамм |
ДОСТАВКА
Вы можете выбрать любой наиболее удобный способ из перечисленных ниже:
Доставка до терминала ТК «Деловые линии» осуществляется нами бесплатно.
ОПЛАТА
Мы принимаем оплату:
Цены на поставляемые нами товар всегда ниже, чем у наших конкурентов.
Условия гарантийного обслуживания
Гарантия не распространяется на ущерб, причиненный другому оборудованию, работающему вместе с данным изделием.
Центр измерительной техники «Эталонприбор» располагает своим собственным ремонтным сервисом, где Вы можете получить услуги по: ремонту, наладке, калибровке, гарантийному и послегарантийному обслуживанию измерительного оборудования, как приобретенного у нас, так и у других поставщиков. Сервис работает на основе лицензии, выданной Ростехрегулированием РФ.
