Внимание!
С 20 апреля 2023 года снимаются с производства модификации ПР114 с часами реального времени.
О снятии с производства модификаций ПР114 без часов реального времени уведомим дополнительно.
Для замены модификаций ПР114 с релейными выходами рекомендуем использовать ПР100 –компактное программируемое реле для локальных систем автоматизации. ПР100 может работать аналогично ПР114, при этом имеет более расширенный функционал.
Для вашего удобства мы подготовили таблицу замен модификаций ПР114 на другие ПР.
Обращаем внимание:
Таблица замен на основные модификации ПР114
| Модификация ПР114 | Варианты замены | Примечание |
| ПР114-224.8Д4А.РРРРРРРР | ПР100-24.1208.03.0 ПР100-24.1208.03.1 | ="24 В, без интерфейса RS-485 |
| ПР114-224.8Д4А.РРРРРРРР-Ч | ="24 В, c интерфейсом RS-485 | |
| ПР114-224.8Д4А.РРРРКККК | ПР200-24.5.0.0 ПР200-24.5.1.0 ПР200-220.25.0.0 ПР200-220.25.1.0 | ="24 В, без интерфейса RS-485 |
| =24 В, c интерфейсом RS-485 | ||
| ПР114-224.8Д4А.РРРРКККК-Ч | ~220 В, без интерфейса RS-485 | |
| ~220 В, c интерфейсом RS-485 | ||
| ПР114-224.8Д4А.РРРРРРУУ | ПР200-24.4.0.0 ПР200-24.4.1.0 ПР200-220.24.0.0 ПР200-220.24.1.0 | ="24 В, без интерфейса RS-485 |
| =24 В, c интерфейсом RS-485 | ||
| ПР114-224.8Д4А.РРРРРРУУ-Ч | ~220 В, без интерфейса RS-485 | |
| ~220 В, c интерфейсом RS-485 | ||
| ПР114-224.8Д4А.РРРРРРИИ | ПР200-24.2.0.0 ПР200-24.2.1.0 ПР200-220.22.0.0 ПР200-220.22.1.0 | ="24 В, без интерфейса RS-485 |
| ="24 В, c интерфейсом RS-485 | ||
| ПР114-224.8Д4А.РРРРРРИИ-Ч | ~220 В, без интерфейса RS-485 | |
| ~220 В, c интерфейсом RS-485 |
Для подбора замен на заказные позиции ПР114 вы можете обратиться в техническую поддержку по почте: support@owen.ru
Сравнительная таблица ПР100 и ПР114
| Параметр | Значение | |
| ПР100 | ПР114 | |
| Каналы ввода/вывода | ||
| AI | До 4 | До 4 |
| Возможность работы AI в дискретном режиме | есть | есть |
| DI | До 12 | До 12 |
| AO | Нет | До 4 |
| DO | До 8 (релейные) | До 8 |
| Программирование и отладка | ||
| Встроенный ПИД-регулятор | Есть | Есть |
| Часы реального времени | Есть | Опционально |
| Количество ФБ, среднее | 500 | 500 |
| Объем Retain-памяти | 1024 байт | 136 байт |
| Время цикла, мс, не менее | 1 | 1 |
| Порт для программирования | USB | UART (необходим ПР-КП20) |
| Настраиваемые светодиоды | Есть, 2 шт. | Нет |
| Коммуникационные возможности | ||
| Интерфейс | RS-485 (до 1 шт.) | UART (необходим ПР-МИ485) |
| Протокол | Modbus RTU/ASCII-Master/Slave | Modbus RTU/ASCII-Slave |
| Конструктивные особенности | ||
| Тип крепления | На DIN-рейку, автоматный корпус, 5 DIN | На DIN-рейку |
| Климатическое исполнение | -40...+55 ºС | -20...+55°С |
| Питание | 24 В и ~230 В | 24 В и ~230 В |
| Возможность питания от бортовой сети 12 В | Есть | нет |
| Монтаж | ||
| Съемные клеммники | Есть, нижний и верхний | Есть, верхний |
| «Быстрая» замена батарейки | есть | нет |
Построение простых локальных систем управления:
Наименование | Значение | ||
ПР110 | ПР114 | ||
Каналы ввода / вывода | |||
Количество входов аналоговых | Нет | 4 (0) | |
Количество входов дискретных | 8 или 12 | 8 (12) | |
Количество выходов дискретных | 4 или 8 | 4 - 8 | |
Количество выходов аналоговых | Нет | До 4 | |
Питание прибора | |||
Напряжение питания | =24 В или ~220 В | =24 В и ~220 В | |
Потребляемая мощность, ВА, не более | 8 | 16 | |
Программирование | |||
Количество ФБ, среднее | 63 | 500 | |
RETAIN-переменные | Нет | 136 байт | |
Время цикла, мс, не менее | 3 | 1 | |
Конструкция | |||
Тип крепления | На DIN-рейку, настенное | ||
Степень защиты корпуса | IP20 | ||
Климатика | -20...+55 °С | ||
Габариты, мм | (110×73×63)±1 (110×73×96)±1 | (110×73×96)±1 | |
По всем вопросам связанных с программируемым реле ОВЕН ПР обращайтесь по адресу support@owen.ru.
Программа для ОВЕН ПР создается в специализированной среде OwenLogic.
Программирование реле ОВЕН ПР возможно только при использовании комплекта для программирования ПР-КП10 или ПР-КП20.
Наименование | Значение |
| Напряжение питания, В* | 21...27 В (номинальное напряжение 24 В) |
| 90...264 В (номинальное 110-220 В, при частоте 47...63 Гц) | |
| Потребляемая мощность, ВА, не более | 16 |
| Гальваническая развязка, В | есть, 1500 |
| Встроенный источник питания | =24 В, 145 мА max |
*Блок питания универсальный
Параметр | Значение |
| Количество дискретных входов | 8, развязка групповая по 4 входа (1-4, 5-8),1500 В |
| Тип датчика дискретного входа | - коммутационные устройства (контакты кнопок, выключателей, герконов, реле и т.п.); |
| - датчики, имеющие на выходе транзистор p-n-p типа с открытым коллектором | |
| Напряжение питания дискретных входов, В | 21...27 |
| Максимальный ток дискретного входа, мА не более | 4 |
| Ток «логической единицы», мА | 2,0…4,0 |
| Ток «логического нуля», мА | не более 0,1 |
| Уровень сигнала, соответствующий логической единице на дискретном входе, В | 15…30 |
| Уровень сигнала, соответствующий логическому нулю на дискретном входе, В | - 3…+ 5 |
Параметр | Значение |
| Количество входов | 4 (входа 9-12) |
| Режим аналогового входа | |
| Тип измеряемых сигналов | «0…10 В», «4…20 мА», |
| Входное сопротивление, кОм | 67 |
| Предел основной приведенной погрешности, % | ±0,5 |
| Значение наименьшего значащего разряда, мВ | 2,7 (3700 ед./(0-10 В)) |
| Период обновления результатов измерения четырех каналов, мс, не более | 0,5 |
| Дополнительной приведенной погрешности, вызванной изменением температуры на 10 °С в пределах рабочего диапазона температур, % | ±0,25 |
| Режим дискретного входа | |
| Напряжение «логической единицы» , В (ток в цепи) | 14…30 (1,0…2,6 мА) |
| Напряжение «логического нуля», В (ток в цепи) | 0…11 (не более 0,2 мА) |
| Гальваническая развязка | Отсутствует |
Параметр | Значение |
| Количество выходных устройств | 8, из них 4 с возможностью |
| Из них: - фиксированные (дискретные) - на выбор (аналоговые/дискретные) | 4 (выходы 1-4) 4 (выходы 5-8) |
| Гальваническая развязка | Индивидуальная, 1500 В, кроме выхода типа Т |
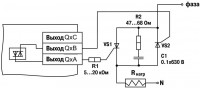
| Типы выходных элементов | см табл. "Тип встроенного выходного устройства" |
Параметр | Значение |
| Индикация состояния входов/выходов | Светодиодная, на передней панели |
| Тип корпуса | Корпус для крепления на стену или на DIN-рейку шириной 35 мм. |
| Габаритные размеры, мм | (96×110×73)±1 |
| Климатическое исполнение | IP20 (-20…+55) |
| Масса прибора, кг, не более | 0,5 |
| Время цикла, мс min (зависит от сложности программы) | 1 |
| Количество ФБ, шт., среднее | 500 |
| Количество функций, шт., среднее | 500 |
| Количество переменных для сетевого обмена, шт. max | 64 (32 на чтение, 32 на запись) |
| Объем памяти для энергонезависимых переменных, байт | 136 |
| Обозначение выходного элемента | Тип выходного элемента | Технические параметры |
| Р | Контакты электромагнитного реле | Максимальный коммутируемый ток, А, не более – 5 A при напряжении не более 30 В постоянного тока – 10 A при напряжении не более 250 В переменного тока, 50 Гц и cosφ> 0,95 Механический ресурс реле, циклов, не менее – 5 000 000 Электрический ресурс реле, циклов, не менее – 200 000 |
| К | Оптопара транзисторная n-p-n-типа | Постоянный ток не более 400 мА при напряжении не более 60 В |
| Т | Выход для управления внешним твердотельным реле | Выходное напряжение 4…6 В, постоянный ток не более 25 мА |
| С | Оптопара симисторная | Ток не более 50 мА при переменном напряжении не более 250 В (50 Гц) |
| И | ЦАП «параметр – ток» | Постоянный ток 4…20 мА на внешней нагрузке не более 1 кОм, напряжение питания 12…30 В |
| У | ЦАП «параметр – напряжение» | Постоянное напряжение 0…10 В на внешней нагрузке не менее 2 кОм, напряжение питания 16…30 В |


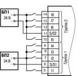
Назначение контактов ПР114












ДОСТАВКА
Вы можете выбрать любой наиболее удобный способ из перечисленных ниже:
Доставка до терминала ТК «Деловые линии» осуществляется нами бесплатно.
ОПЛАТА
Мы принимаем оплату:
Цены на поставляемые нами товар всегда ниже, чем у наших конкурентов.
Условия гарантийного обслуживания
Гарантия не распространяется на ущерб, причиненный другому оборудованию, работающему вместе с данным изделием.
Центр измерительной техники «Эталонприбор» располагает своим собственным ремонтным сервисом, где Вы можете получить услуги по: ремонту, наладке, калибровке, гарантийному и послегарантийному обслуживанию измерительного оборудования, как приобретенного у нас, так и у других поставщиков. Сервис работает на основе лицензии, выданной Ростехрегулированием РФ.
