Преобразователь RS-485 оптоволокно К971 предназначен для преобразования сигналов последовательного интерфейса RS-485 в световой сигнал для оптоволоконной линии, что обеспечивает удлинение линии RS-485 на 2000 метров. При этом сохраняются все преимущества помехозащищенности оптоволоконной линии.
| Параметр | Значение |
| Электрический интерфейс | полудуплексный RS-485 (двухпроводная линия) |
| Длина линии RS-485 | до 1200 м |
| Выходной интерфейс | многомодовое оптоволокно |
| Тип соединителя для оптоволоконного кабеля | разъем ST |
| Длина световой волны | 1300 нм |
| Скорость обмена | до 1 Мбит/с |
| Поддерживаемые типы оптических кабелей | 62,5/125 мкм; 50/125 мкм; |
| Дальность передачи по оптоволокону | до 2000 м |
| Режимы передачи | круговая» или «точка-точка» |
| Светодиодные индикаторы | «=24В» - питание; «Rx» - прием; «Tx» - передача |
| Электропитание | от 18 до 36 В постоянного тока |
| Потребляемая мощность | не более 3 Вт |
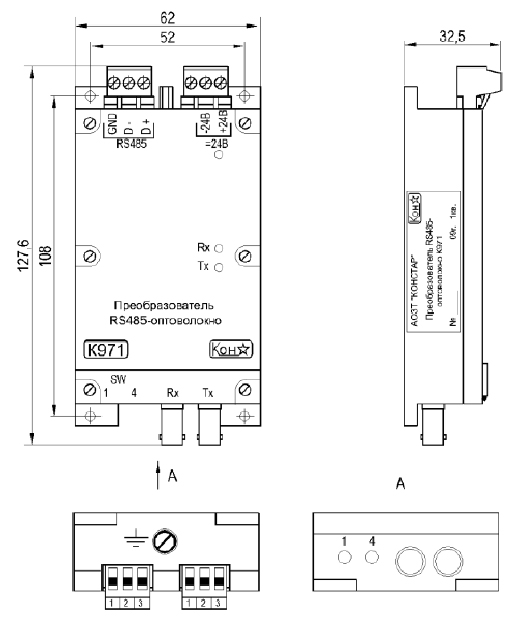
| Габаритные размеры, мм | 127,6 х 62 х 32,5 |
| Металл корпуса | алюминий |
| Масса | не более 0,130 кг |

Габаритные и установочные размеры преобразователя К971
ДОСТАВКА
Вы можете выбрать любой наиболее удобный способ из перечисленных ниже:
Доставка до терминала ТК «Деловые линии» осуществляется нами бесплатно.
ОПЛАТА
Мы принимаем оплату:
Цены на поставляемые нами товар всегда ниже, чем у наших конкурентов.
Условия гарантийного обслуживания
Гарантия не распространяется на ущерб, причиненный другому оборудованию, работающему вместе с данным изделием.
Центр измерительной техники «Эталонприбор» располагает своим собственным ремонтным сервисом, где Вы можете получить услуги по: ремонту, наладке, калибровке, гарантийному и послегарантийному обслуживанию измерительного оборудования, как приобретенного у нас, так и у других поставщиков. Сервис работает на основе лицензии, выданной Ростехрегулированием РФ.
