Привод гидрораспределителя РЕ 6.3 УХЛ1 с разъемом «ШР» предназначен для дистанционного управления золотником гидравлического распределителя с условным проходом ДУ=6 мм (РЕ 6).
Структура усоловного обозначения - ЭмРЕ 6.3 - X1 - X2 УХЛ 1:

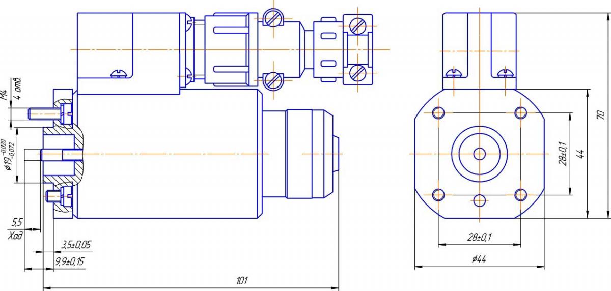
Конструктивная схема №1 - привод гидрораспределителя типа ЭмРЕ 6 – С – Г *-УХЛ1

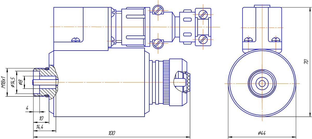
Конструктивная схема №2 - привод гидрораспределителя типа ЭмРЕ 6 – В – Г *-УХЛ1
При подаче напряжения на электоромагнит, возникает сила, которая через толкатель передается на торец золотника, тем самым переводя его из нейтрального положения в одно из рабочих положений.
Рабочее напряжение, постоянный ток, В | 12, 24 |
Номинальное тяговое усилие, не менее, Н | 50 |
Ход якоря рабочий, мм | 2,5 |
Ход якоря полный, мм | 5,5 |
Потребляемая мощность, Вт | 30 |
Масса, кг | 0,8 |
ДОСТАВКА
Вы можете выбрать любой наиболее удобный способ из перечисленных ниже:
Доставка до терминала ТК «Деловые линии» осуществляется нами бесплатно.
ОПЛАТА
Мы принимаем оплату:
Цены на поставляемые нами товар всегда ниже, чем у наших конкурентов.
Условия гарантийного обслуживания
Гарантия не распространяется на ущерб, причиненный другому оборудованию, работающему вместе с данным изделием.
Центр измерительной техники «Эталонприбор» располагает своим собственным ремонтным сервисом, где Вы можете получить услуги по: ремонту, наладке, калибровке, гарантийному и послегарантийному обслуживанию измерительного оборудования, как приобретенного у нас, так и у других поставщиков. Сервис работает на основе лицензии, выданной Ростехрегулированием РФ.
