Реле гибридное RHP является комбинацией реле классического и полупроводникового.

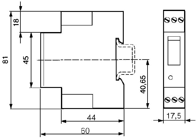
Схема - габаритные размеры реле
В момент включения ток проходит через триак, далее передача тока происходит посредством электромагнитного реле. При отключении цепи процесс проходит в обратной последовательности.
Благодаря такой конструкции RHP имеет значительные преимущества в сравнении с традиционными реле, как по сроку службы (отсутствует искрение в момент включения и дуга при отключении) так и в компактности (нет необходимости применять радиатор при работе полупроводника только в непродолжительных моментах включения и выключения).
| Вход | ||
| Управляющее напряжение | 4-32 В | 90 - 260 В |
| Частота | - | 50/60 Гц |
Порог срабатывания
| 0 - 1 В 4 - 32 В | 0 - 46 В 76-260 В |
| Выход | ||
| Напряжение нагрузки | 90-260 В | |
| Номинальный ток | 20 А (АС1/АС51/АС7a) | |
| Перегрузочная способность (60 сек) | АС51: 1,25 x Ie-60 s: 50 - 30 | |
| Минимальный ток | 100 мА (АС1/АС51/АС7a) | |
| Ток утечки | < 5 мА | |
| Тип полупроводника | триак | |
| Рабочая температура | -5° С..+55°С | |
| Изоляция вх/вых | 4 кВ | |
| Ресурс электрический | >5 млн. срабат. | |
| Степень защиты | IP20 | |
| Масса | 70 г | |
ДОСТАВКА
Вы можете выбрать любой наиболее удобный способ из перечисленных ниже:
Доставка до терминала ТК «Деловые линии» осуществляется нами бесплатно.
ОПЛАТА
Мы принимаем оплату:
Цены на поставляемые нами товар всегда ниже, чем у наших конкурентов.
Условия гарантийного обслуживания
Гарантия не распространяется на ущерб, причиненный другому оборудованию, работающему вместе с данным изделием.
Центр измерительной техники «Эталонприбор» располагает своим собственным ремонтным сервисом, где Вы можете получить услуги по: ремонту, наладке, калибровке, гарантийному и послегарантийному обслуживанию измерительного оборудования, как приобретенного у нас, так и у других поставщиков. Сервис работает на основе лицензии, выданной Ростехрегулированием РФ.
