Сепаратор магнитный ФММ-27 обеспечивает очистку минеральных масел и смазочно-охлаждающих жидкостей с кинематической вязкостью от 1 до 75 мм2/с в диапазоне температур от 0 до 50 С.
| Параметры | Значение |
| Номинальный расход, л/мин | 400 |
| Номинальный перепад давления, МПа, не более | 0,025 |
| Номинальное давление, МПа | 1,6 |
| Степень очистки, %, не менее: | |
| - при однократном пропускании | 73 |
| - при многократном пропускании | 88 |
| Условный проход, мм | 100 |
| Масса, кг | 47 |
Сепараторы предназначены для комплектации металлорежущих станков, кузнечно-прессового и другого оборудования.

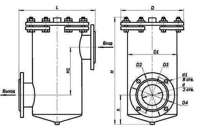
Схема - габаритные размеры сепаратора
D, мм | 290 |
D1, мм | 245 |
D2, мм | 205 |
D4, мм | 148 |
L, мм | 330 |
H, мм | 385 |
h, мм | 120 |
D3, мм | 170 |
dH14, мм | 94 |
d1H14, мм | 18 |
H1, мм | 148 |
ДОСТАВКА
Вы можете выбрать любой наиболее удобный способ из перечисленных ниже:
Доставка до терминала ТК «Деловые линии» осуществляется нами бесплатно.
ОПЛАТА
Мы принимаем оплату:
Цены на поставляемые нами товар всегда ниже, чем у наших конкурентов.
Условия гарантийного обслуживания
Гарантия не распространяется на ущерб, причиненный другому оборудованию, работающему вместе с данным изделием.
Центр измерительной техники «Эталонприбор» располагает своим собственным ремонтным сервисом, где Вы можете получить услуги по: ремонту, наладке, калибровке, гарантийному и послегарантийному обслуживанию измерительного оборудования, как приобретенного у нас, так и у других поставщиков. Сервис работает на основе лицензии, выданной Ростехрегулированием РФ.
