Микропроцессорный счетчик импульсов СИ30 используется для подсчета количества продукции на транспортере или жидкости, длины наматываемого кабеля или экструзионной пленки, сортировки продукции, суммарного количества изделий и т.п.
Счетчик импульсов СИ30 рекомендуется использовать совместно с энкодерами.
ОВЕН СИ30 входит в состав новой линейки счетчиков импульсов, отличающейся повышенной устойчивостью к различным видам электромагнитных помех. Приборы данной линейки способны работать при отрицательных температурах до -20 °С.
Цифровой счетчик импульсов СИ30 выпускается в корпусах 3-х типов: настенном Н и щитовых Щ1, Щ2.
Параметр | Значение |
Диапазон переменного напряжения питания: | |
– напряжение, В | от 90 до 250 |
– частота, Гц | от 47 до 63 |
Диапазон постоянного напряжения питания, В | от 10,5 до 30 |
Максимальная потребляемая мощность, ВА, не более | 10 |
Масса, кг, не более | 1 |
Средний срок службы, лет | 8 |
Межповерочный интервал, лет | 2 |
Частота входных импульсов, Гц, не более | 10000 |
Длительность входных импульсов, мкс, не менее | 50 |
Диапазон значений умножителя | от 0,00001 до 99999 |
Частота входного фильтра, Гц | от 1 до 50000 |
Скважность импульса, не менее | 2 |
Входы | |
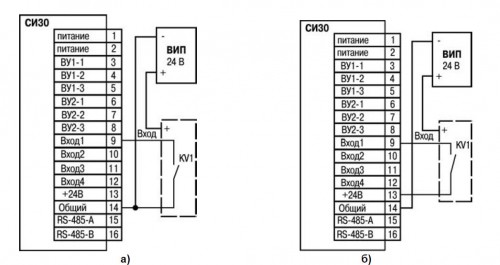
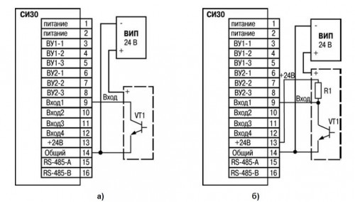
Количество входов управления | 4 |
| Подключаемые датчики | – коммутационные устройства (контакты кнопок, выключателей, герконов, реле и т.п.); – n-p-n–типа с открытым коллекторным выходом; – p-n-p–типа. |
Напряжение низкого (активного) уровня на входах, В | 0…4 |
Напряжение высокого уровня на входах, В | 10…30 |
Количество счетных разрядов | 6 |
Интерфейсы связи | RS-485 (протоколы: Modbus ASCII/RTU, ОВЕН) USB |
По устойчивости к механическим воздействиям при эксплуатации прибор соответствует группе исполнения N2 по ГОСТ 12997-84.










ДОСТАВКА
Вы можете выбрать любой наиболее удобный способ из перечисленных ниже:
Доставка до терминала ТК «Деловые линии» осуществляется нами бесплатно.
ОПЛАТА
Мы принимаем оплату:
Цены на поставляемые нами товар всегда ниже, чем у наших конкурентов.
Условия гарантийного обслуживания
Гарантия не распространяется на ущерб, причиненный другому оборудованию, работающему вместе с данным изделием.
Центр измерительной техники «Эталонприбор» располагает своим собственным ремонтным сервисом, где Вы можете получить услуги по: ремонту, наладке, калибровке, гарантийному и послегарантийному обслуживанию измерительного оборудования, как приобретенного у нас, так и у других поставщиков. Сервис работает на основе лицензии, выданной Ростехрегулированием РФ.
