Сигнализатор С 30 предназначен для коммутации электрических цепей автоматики.

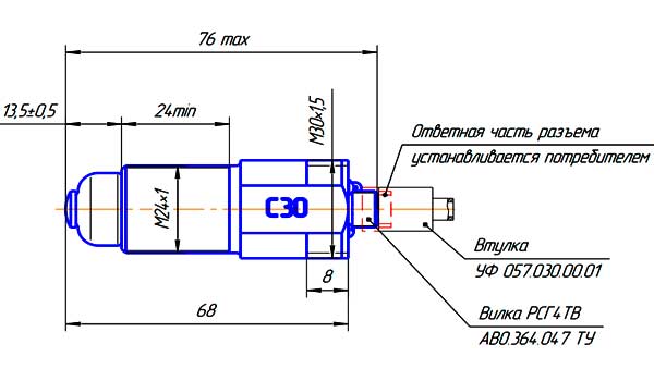
Схема - габаритные размеры сигнализатора
| Параметры | Значение |
| Обозначение | УФ 057.030.00.00 |
| Коммутируемое напряжение постоянного тока. Вт | 0,2 - 29 частота переключения не более 10 в минуту |
| Коммутируемы й ток при активной и индуктивной А. | (0,015с) нагрузке – 0,05 - 2 |
| Масса сигнализатора кг | не более 0,15 |
| Степень защиты | IP - 64 по ГОСТ 14254 - 96 |
| Установочное положение | любое |
ДОСТАВКА
Вы можете выбрать любой наиболее удобный способ из перечисленных ниже:
Доставка до терминала ТК «Деловые линии» осуществляется нами бесплатно.
ОПЛАТА
Мы принимаем оплату:
Цены на поставляемые нами товар всегда ниже, чем у наших конкурентов.
Условия гарантийного обслуживания
Гарантия не распространяется на ущерб, причиненный другому оборудованию, работающему вместе с данным изделием.
Центр измерительной техники «Эталонприбор» располагает своим собственным ремонтным сервисом, где Вы можете получить услуги по: ремонту, наладке, калибровке, гарантийному и послегарантийному обслуживанию измерительного оборудования, как приобретенного у нас, так и у других поставщиков. Сервис работает на основе лицензии, выданной Ростехрегулированием РФ.
