Термопреобразователь сопротивления (термопара) ТСП-6099 предназначена для измерения температуры воздуха и кратковременно морской воды.
| Рабочий диапазон измеряемых температур, С | |
| от минус 40 до 50 (кратковременно до 100) |
| от минус 2 до 35 |
| Условное обозначение НСХ преобразования (ГОСТ 6651-94) | 50П, 46П (гр.21)* |
| Класс допуска | В |
| Схема соединения внутренних проводников | 3 |
| Показатель тепловой инерции в воздухе, с, не более | 150 |
| Условное давление измеряемой среды Ру, МПа | 5,5 |
| Материал защитной арматуры | сталь 12Х18Н10Т |
| Выводные проводники | кабель КВДН-100 3х1,5 |
| Устойчивость к механическим воздействиям | виброустойчивый, вибропрочный, ударопрочный |
| Обозначение | Рис. | Условное обозначение НСХ преобразования | Масса, кг, не более |
| 5Ц2.821.145 | 1 | 46П (гр.21) | 15 |
| -01 | 2 | ||
| -02 | 1 | 50П | |
| -03 | 2 |

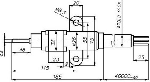
Рис.1. Габаритные размеры (исполнение 1)

Рис.2. Габаритные размеры ТСП-6099 (исполнение 2)
ДОСТАВКА
Вы можете выбрать любой наиболее удобный способ из перечисленных ниже:
Доставка до терминала ТК «Деловые линии» осуществляется нами бесплатно.
ОПЛАТА
Мы принимаем оплату:
Цены на поставляемые нами товар всегда ниже, чем у наших конкурентов.
Условия гарантийного обслуживания
Гарантия не распространяется на ущерб, причиненный другому оборудованию, работающему вместе с данным изделием.
Центр измерительной техники «Эталонприбор» располагает своим собственным ремонтным сервисом, где Вы можете получить услуги по: ремонту, наладке, калибровке, гарантийному и послегарантийному обслуживанию измерительного оборудования, как приобретенного у нас, так и у других поставщиков. Сервис работает на основе лицензии, выданной Ростехрегулированием РФ.
