Термопреобразователь ТХА-2188 предназначен для измерения температуры жидких и газообразных химически неагрессивных сред, не разрушающих защитную арматуру.
Рабочий диапазон измеряемых температур, °C:
| от - 40 до 900 от - 40 до 600 |
| Литерное обозначение НСХ преобразования (ГОСТ 3044-94) | K |
| Класс | 1 или 2 |
Показатель тепловой инерции, с, не более:
| 40 20 |
Условное давление измеряемой среды Pу, МПа:
| 0,4 6,3 |
| Количество рабочих концов: ТХА-2188 исп. 1, 2, 3 | 1 или 2 2 |
Конструкция рабочего конца:
| изолирован не изолирован |
| Степень защиты от пыли и воды | IP55 |
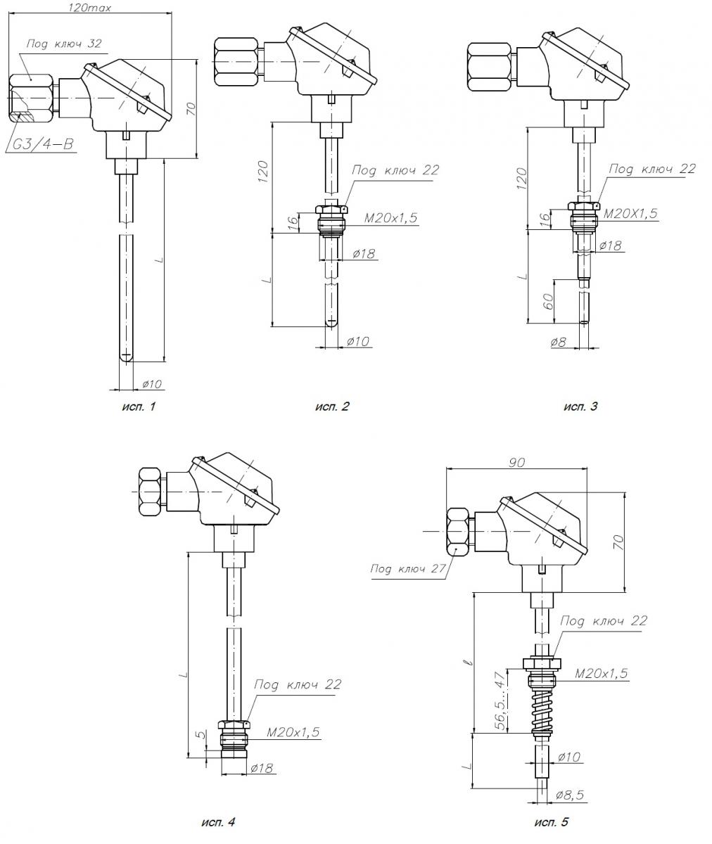
| Исп. 1 | L, мм | 320 | 500 | 800 | 1000 | 1250 | 1600 | 2000 |
| Исп. 2 | L, мм | 120 | 160 | 200 | 250 | 320 | 400 | 500 |
| 630 | 800 | 1000 | 1250 | 1600 | 2000 | |||
| Исп. 3 | L, мм | 120 | 160 | 200 | 250 | 320 | 400 | 500 |
| 630 | 800 | 1000 | ||||||
| Исп. 4 | l, мм | 200 или 320 | ||||||
| L, мм | 250 | 320 | 400 | 500 | 630 | 800 | 1000 | |
| 1250 | 1600 | |||||||
| Исп. 5 | L, мм | 450 | 520 | 570 | 600 | 640 | 700 | 720 |
| 820 | 830 | 950 | 1000 | 1120 | 1200 | 1320 | ||
| 1450 | 1570 | 1800 | 1920 | |||||

Рис.1. Габаритные размеры термопреобразователя ТХА-2188
ДОСТАВКА
Вы можете выбрать любой наиболее удобный способ из перечисленных ниже:
Доставка до терминала ТК «Деловые линии» осуществляется нами бесплатно.
ОПЛАТА
Мы принимаем оплату:
Цены на поставляемые нами товар всегда ниже, чем у наших конкурентов.
Условия гарантийного обслуживания
Гарантия не распространяется на ущерб, причиненный другому оборудованию, работающему вместе с данным изделием.
Центр измерительной техники «Эталонприбор» располагает своим собственным ремонтным сервисом, где Вы можете получить услуги по: ремонту, наладке, калибровке, гарантийному и послегарантийному обслуживанию измерительного оборудования, как приобретенного у нас, так и у других поставщиков. Сервис работает на основе лицензии, выданной Ростехрегулированием РФ.
