Тахометр ТХ01-RS предназначен для измерения частоты вращения вала, линейной скорости перемещения конвейера, времени наработки агрегатов.
Диапазон переменного напряжения ТХ01-Х.Х.ХР-RS напряжение, В частота, Гц |
от 90 до 264 (номинальные значения 110, 220 или 240) от 47 до 63 (номинальные значения 50 и 60 Гц) |
Диапазон напряжения постоянного тока ТХ01-224.Х.ХР-RS, В | от 20 до 34 (номинальное значение 24) |
Диапазон напряжения постоянного тока ТХ01-24.Х. ХР-RS, В | от 10,5 до 30 (номинальные значения 12 и 24) |
| Максимальная потребляемая мощность: | |
- ТХ01-24.Х. ХР-RS, Вт, не более | не более 8 |
| - ТХ01-224.Х. ХР-RS, ВА, не более | не более 10 |
Параметр | Значение |
Частота входного сигнала, Гц | от 0,2 до 2500 |
Диапазон измерения, об/мин | от 12 до 150 000 |
Подключаемые датчики | n-p-n–типа с открытым коллекторным выходом, «сухой контакт» (герконы) |
Максимальный входной ток, мА | 10 |
Входной ток при активном уровне сигнала, мА, не менее | 4,5 |
Максимальное входное напряжение, В | 30 |
Длительность импульса на счетном входе, мкс, не менее | 10 |
Длительность сигнала на входе «Счет наработки», мс, не менее | 300 |
Диапазон измерения | от 1 с до 9999 суток 23 ч |
Номинальное выходное постоянное напряжение | 24 ± 3 В |
Максимальный выходной ток | 50 мА |
Тип ВУ | Технические характеристики | Значение |
Реле электромагнитное (Р) | Номинальный ток нагрузки, А | 8 |
Номинальное напряжение нагрузки переменного тока с частотой 50 Гц и cos φ >0,4, В | 220 | |
Максимальное напряжение нагрузки постоянного тока, В | 30 | |
Электрическая прочность контактов, В, не менее | 1000 | |
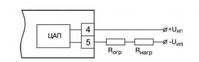
ЦАП «параметр-ток» (И) | Выходной сигнал постоянного тока, мА Сопротивление нагрузки, Ом Номинальное сопротивление нагрузки Напряжение питания ЦАП, В Основная приведенная погрешность выходов ЦАП, %, не более | от 4 до 20 от 0 до 1300 700 Ом от 10 до 36 0,5 |
ЦАП «параметр-напряжение» (У) | Выходной сигнал постоянного напряжения Сопротивление нагрузки, не менее Напряжение питания ЦАП Основная приведенная погрешность выходов ЦАП, %, не более | от 0 до 10 В 5 кОм от 15 до 36 В 0,5 |
Параметр | Значение |
Предел допускаемой приведенной погрешности измерений, %, не более | ±0,5 |
Интервал между поверками, лет | 2 |
Средний срок службы, лет | 12 |
Интерфейс | RS-485 |
Протоколы передачи данных | Modbus RTU/ASCII |
Температура окружающего воздуха | -20...+70 °С |
Атмосферное давление | 84...106,7 кПа |
Относительная влажность воздуха (при 35 °С) | не более 95 % |

« » | светодиод засвечен, если прибор ведет измерение времени наработки. |
| «С» | светодиод засвечен, если единицы измерения имп/с при выполнении функции тахометра, если диапазон измеренного времени наработки от 0 с до 99 ч 59 мин 59 с при выполнении функции счетчика наработки. |
| «М» | светодиод засвечен, если единицы измерения имп/мин при выполнении функции тахометра, если диапазон измеренного времени наработки от 100 часов до 9999 ч 59 мин при выполнении функции счетчика наработки. |
| «Ч» | если единицы измерения имп/ч при выполнении функции тахометра, светодиод засвечен, если диапазон измеренного времени наработки от 10000 ч до 9999 суток 23 ч при выполнении функции счетчика наработки. |
| «ВЫХ» | светодиод засвечен, если дискретное ВУ включено согласно выбранному режиму работы ВУ, если на выходе ЦАП аналогового ВУ формируется сигнал, соответствующий установленному пользователем верхнему предельному значению ЦАП. |
Примечание - В режиме USER светодиоды «С», «М», «Ч» погашены.
Подключение пассивных датчиков, имеющих на выходе транзистор n-p-n типа с открытым коллекторным входом:
а) при работе датчика от внешнего источника питания;
б) при работе датчика от питающего напряжения прибора



ДОСТАВКА
Вы можете выбрать любой наиболее удобный способ из перечисленных ниже:
Доставка до терминала ТК «Деловые линии» осуществляется нами бесплатно.
ОПЛАТА
Мы принимаем оплату:
Цены на поставляемые нами товар всегда ниже, чем у наших конкурентов.
Условия гарантийного обслуживания
Гарантия не распространяется на ущерб, причиненный другому оборудованию, работающему вместе с данным изделием.
Центр измерительной техники «Эталонприбор» располагает своим собственным ремонтным сервисом, где Вы можете получить услуги по: ремонту, наладке, калибровке, гарантийному и послегарантийному обслуживанию измерительного оборудования, как приобретенного у нас, так и у других поставщиков. Сервис работает на основе лицензии, выданной Ростехрегулированием РФ.
