Контроллер систем приточной вентиляции ТРМ133М в комплексе с первичными преобразователями, модулем расширения МР1 и исполнительными механизмами предназначены для контроля и регулирования температуры воздуха в помещениях, оборудованных системой приточной/приточно-вытяжной вентиляции, отображения измеренной температуры и режимов работы на встроенном индикаторе и формирования сигналов управления встроенными выходными элементами и выходными элементами модуля МР1. Данный прибор работает в комплекте с модулем расширения ОВЕН МР1 (Приобретается отдельно).
ТРМ133М-02 – контроллер для систем приточной вентиляции с водяным калорифером и фреоновым либо водяным охладителем
ТРМ133М-04 – контроллер для систем приточной вентиляции с электрическим калорифером и фреоновым либо водяным охладителем
Контроллер для регулирования температуры в системах отопления с приточной вентиляцией ТРМ33 | Контроллер приточной вентиляции ТРМ133 | Контроллер для систем вентиляции и кондиционирования ТРМ133М |
| ![]() |
|
Для систем вентиляции с водяным калорифером нагрева с регулирующим клапаном с 3-хпозиционным (220 В 50 Гц) управлением.
| Для систем вентиляции с водяным калорифером нагрева с регулирующим клапаном с 3-хпозиционным (220 В 50 Гц) либо аналоговым (0…10 В, 4…20 мА) управлением.
| Для систем вентиляции с водяным калорифером нагрева с регулирующим клапаном с 3-хпозиционным (220 В 50 Гц) либо аналоговым (0…10 В, 4…20 мА) управлением.
|
Наименование | Значение |
напряжение, В | 90...245 |
частота, Гц | 47…63 |
Потребляемая мощность, ВА, не более | 12 |
Аналоговые входы, количество | 8 |
Дискретные входы, количество | 8 |
Уровень сигнала, соответствующий логической единице на входе, В | 12…36 |
Уровень сигнала, соответствующий логическому нулю на входе, В | 0…4 |
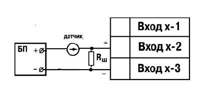
Подключаемые входные устройства | Датчики типа «сухой контакт», коммутационные устройства (контакты реле, кнопок и т.д.) |
Встроенный вторичный источник питания | 24±3 |
Напряжение, В, Максимально допустимый ток нагрузки, мА | 180 |
Интерфейс связи | RS-485; RS-232 |
Режим работы | Slave |
Протоколы передачи данных | ОВЕН; Modbus ASCII; Modbus RTU |
Тип корпуса | DIN12M |
Габаритные размеры прибора, мм | (157×86×58)±1 |
Степень защиты корпуса (со стороны лицевой панели) | IP20 |
Масса прибора, кг, не более | 0,5 |
Температура окружающего воздуха, °С | -10…+55 |
Количество ВУ внутри контроллера | 6 (5 из них – с возможностью установки ЦАП) |





Примечание - Изготовитель оставляет за собой право внесения дополнений в комплектность изделия.
ДОСТАВКА
Вы можете выбрать любой наиболее удобный способ из перечисленных ниже:
Доставка до терминала ТК «Деловые линии» осуществляется нами бесплатно.
ОПЛАТА
Мы принимаем оплату:
Цены на поставляемые нами товар всегда ниже, чем у наших конкурентов.
Условия гарантийного обслуживания
Гарантия не распространяется на ущерб, причиненный другому оборудованию, работающему вместе с данным изделием.
Центр измерительной техники «Эталонприбор» располагает своим собственным ремонтным сервисом, где Вы можете получить услуги по: ремонту, наладке, калибровке, гарантийному и послегарантийному обслуживанию измерительного оборудования, как приобретенного у нас, так и у других поставщиков. Сервис работает на основе лицензии, выданной Ростехрегулированием РФ.
