Измеритель-регулятор универсальный шестиканальный ТРМ136 предназначен для построения автоматических систем контроля и регулирования производственными технологическими процессами в металлообрабатывающей, пищевой, химической, деревообрабатывающей, в производстве строительных материалов и в других областях промышленности.
ТРМ 136 предназначен для измерения и регулирования температуры, давления и других физических величин. Он может управлять до 6 исполнительными механизмами, вести регистрацию измерений на ЭВМ.
ТРМ136 является аналогом прибора ТРМ138.
Измеритель-регулятор универсальный шестиканальный ТРМ136 (1 Мб)
Наименование | Значение |
Диапазон напряжений питания | от 90 до 264 В переменного (от 47 до 63 Гц) тока |
Потребляемая мощность, ВА, не более | 18 |
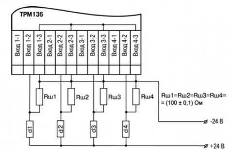
Количество измерительных входов в приборе | 6 |
Время опроса одного канала, с, не более | 0,6 |
Напряжение встроенного источника питания | (24±3) В постоянного тока (максимум 150 мА) |
Интерфейс связи с компьютером | RS-485 |
Скорость передачи данных по протоколу, кбит/с: ОВЕН, Modbus-RTU, Modbus-ASCII | 2,4; 4,8; 9,6; 14,4; 19,2; 28,8; 38,4; 57,6; 115,2 |
Габаритные размеры корпуса Щ7, мм | 144×169×50,5 |
Масса прибора, кг, не более | 1,0 |
| Гарантийный срок обслуживания | 2 года |
Наименование ВУ (обозначение типа) | Технические характеристики | Значение |
Реле электромагнитное (Р) | Максимальный ток нагрузки | 4 А |
Максимальное напряжение нагрузки | 250 В 50 Гц и cos j >0,4 | |
Максимальное напряжение нагрузки постоянного тока, не менее | 30 В | |
Оптопара транзисторная n-p-n-типа (К) | Максимальный ток нагрузки, не менее | 400 мА |
Максимальное напряжение, не менее | 60 В постоянного тока | |
Оптопара симисторная (С) | В режиме управления внешним симистором: | |
ток (при длительности импульса не более 2 мс и частоте (50 ±1) Гц), не менее | 400 мА | |
действующее напряжение, не менее | 250 В, 50 Гц | |
В режиме коммутации нагрузки: | ||
ток нагрузки, не менее | 40 мА | |
действующее напряжение, не менее | 250 В, 50 Гц | |
Выход для управления внешним твердотельным реле (Т) | Выходное напряжение холостого хода | (6 ±0,5) В постоянного тока |
Выходное напряжение на нагрузке 250 Ом, не менее | от 3,3 до 4,9 В постоянного тока | |
Ток короткого замыкания | от 50 до 72 мА | |
ЦАП «параметр-ток» (И) | Выходной сигнал постоянного тока | от 4 до 20 мА |
Сопротивление нагрузки | от 0 до 1300 Ом | |
Номинальное сопротивление нагрузки | 700 Ом | |
Напряжение питания ЦАП | от 10 до 36 В | |
Номинальное напряжение питания ЦАП | (24,0 ±3,0)В | |
ЦАП «параметр-напряжение» (У) | Выходной сигнал постоянного напряжения | от 0 до 10 В |
Сопротивление нагрузки, не менее | 5 кОм | |
Напряжение питания ЦАП | от 15 до 36 В | |
Номинальное напряжение питания ЦАП | (24,0 ±3,0) В | |
Условное обозначение НХС преобразователя | Диапазон | Значение | Пределы |
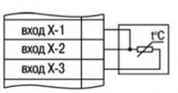
Термометры сопротивления по ГОСТ 6651-2009 или термопреобразователи сопротивления по ГОСТ Р 6651* | |||
Cu 50 (a =0,00426 °С-1) | от –50 до 200 °С | 0,1 °С | ±0,25 |
50 М(a =0,00428 °С-1) | от –190 до 200 °С | 0,1 °С | |
Pt 50(a =0,00385 °С-1) | от –200 до 750 °С | 0,1 °С | |
50 П (a =0,00391 °С-1) | от –200 до 750 °С | 0,1 °С | |
Cu 100 (a =0,00426 °С-1) | от –50 до 200 °С | 0,1 °С | |
100 М(a =0,00428 °С-1) | от –190 до 200 °С | 0,1 °С | |
Pt 100 (a =0,00385 °С-1) | от –200 до 750 °С | 0,1 °С | |
100 П (a =0,00391 °С-1) | от –200 до 750 °С | 0,1 °С | |
Термоэлектрические преобразователи по ГОСТ Р 8.585 | |||
TХК (L) | от –200 до 800 °С | 0,1 °С | ±0,5 ±0,25** |
TЖК (J) | от –200 до 1200 °С | 1 °С | |
TНН (N) | от –200 до 1300 °С | 1 °С | |
TХА (К) | от –200 до 1300 °С | 1 °С | |
TПП (S) | от 0 до 1750 °С | 1 °С | |
TПП (R) | от 0 до 1750 °С | 1 °С | |
TВР (А-1) | от 0 до 2500 °С | 1 °С | |
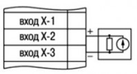
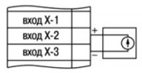
Унифицированные сигналы постоянного напряжения и тока по ГОСТ 26.011 | |||
Ток от 0 до 5 мА | от 0 до 100 % | 0,1 % | ±0,25 |
Ток от 0 до 20 мА | от 0 до 100 % | 0,1 % | |
Ток от 4 до 20 мА | от 0 до 100 % | 0,1 % | |
Напряжение от 0 до1 В | от 0 до 100 % | 0,1 % | |
Сигнал постоянного напряжения | |||
от –50,0 до 50 мВ | от 0 до100 % | 0,1 % | ±0,25 |
*) Приборы, работающие с термопреобразователями сопротивления с НСХ по ГОСТ 6651, предназначены для поставки на экспорт. | |||
Примечание – Допускается применение нестандартизованного медного термометра сопротивления с R0 = 53 Ом (a = 0,00426 °С-1) и диапазоном измерений от минус 50 до плюс 200 °С.














Примечание - Изготовитель оставляет за собой право внесения дополнений в комплектность изделия.
ДОСТАВКА
Вы можете выбрать любой наиболее удобный способ из перечисленных ниже:
Доставка до терминала ТК «Деловые линии» осуществляется нами бесплатно.
ОПЛАТА
Мы принимаем оплату:
Цены на поставляемые нами товар всегда ниже, чем у наших конкурентов.
Условия гарантийного обслуживания
Гарантия не распространяется на ущерб, причиненный другому оборудованию, работающему вместе с данным изделием.
Центр измерительной техники «Эталонприбор» располагает своим собственным ремонтным сервисом, где Вы можете получить услуги по: ремонту, наладке, калибровке, гарантийному и послегарантийному обслуживанию измерительного оборудования, как приобретенного у нас, так и у других поставщиков. Сервис работает на основе лицензии, выданной Ростехрегулированием РФ.
