по РФ бесплатно
пн-пт 9:00-18:00
пн-пт 9:00-18:00
по РФ бесплатно
Ваш город
Нет
Да
КОНТАКТНАЯ ИНФОРМАЦИЯ
Телефоны:8 (800) 777-30-09 (по РФ бесплатно), 8 (495) 748-30-09, 748-30-60, 664-28-44.
Адрес:141006, Московская обл., г. Мытищи, Олимпийский пр-т, д. 29, стр. 2, офис 43/1.
УВАЖАЕМЫЕ КЛИЕНТЫ!
Цены на сайте могут отличаться, просьба уточнять конечную стоимость у наших менеджеров!
TMM-540



ТРМ138-К.Щ7

Цена:
25 034
Общая стоимость 0 руб.
В корзину
Купить в 1 клик
Нашли дешевле?
Снизим цену!
В избранное
Стоимость доставки от 800 ₽ (уточнять у менеджера)
Срок доставки: 2 - 10 дней при наличии товара на складе
Бесплатная доставка от 50000₽
Безналичный расчет для юридических лиц
Самовывоз со склада компании ЭТАЛОНПРИБОР
Более 350 брендов
Самые лучшие
цены
Техническая
документация
Быстрая доставка
по России
Сервисный
центр
  • Описание
  • Доставка и оплата
  • Гарантия и возврат
  • Отзывы
  • Сервис
Описание

Теперь прибор ТРМ138 выпускается и в корпусе Щ7 со съемными клеммниками и меньшей глубиной щитового крепления.

Назначение прибора ОВЕН ТРМ138

Измеритель-регулятор ОВЕН ТРМ 138 предназначен для измерения, регистрации и регулирования температуры, давления либо другого физического параметра, одновременного управления несколькими (до 8-ми) исполнительными механизмами, а также для регистрации измеренных параметров на ЭВМ.

Терморегулятор применяется в многозонных печах, в системах защитной автоматики.

Прибор выпускается в щитовом корпусе типа Щ4 и Щ7.

Функциональные возможности регулятора ОВЕН ТРМ138

  • Восемь универсальных входов* для подключения от 1 до 8 датчиков разного типа в любых комбинациях, что позволяет одновременно измерять и контролировать несколько различных физических величин (температуру, влажность, давление и др.)
  • Вычисление дополнительных величин:
    • средних значений от 2 до 8 измеренных величин
    • разностей измеренных величин
    • скорости изменения измеряемой величины.
  • До восьми каналов регулирования или регистрации температуры, давления или других измеренных или вычисленных величин:
    • регулирование по двухпозиционному закону (для каналов с ВУ тип Р,К,С или Т)
    • регистрация на аналоговом выходе (ток 4...20 мА или напряжение 0...10 В).
  • От 1 до 8 встроенных выходных устройств различных типов в выбранной пользователем комбинации
  • Режим ручного управления выходными устройствами
  • Конфигурирование функциональной схемы и установка параметров:
    • кнопками на лицевой панели прибора
    • на ПК с помощью программы-конфигуратора.
  • Стандартная конфигурация — удобный выбор из четырех возможных
  • Встроенный интерфейс rs-485 (протокол ОВЕН, Modbus ASCII/RTU)

* Для измерения давления, влажности, расхода и др. величин используются датчики с унифицированным выходным сигналом тока 0...5 мА, 0(4)...20 мА или напряжения 0...50 мВ, 0...1 В.
Бесплатно: ОРС-сервер, драйвер для работы со SCADA-системой TRACE MODE; библиотеки WIN DLL

Основные технические характеристики

Напряжение питания

90…264 В частотой 47...63 Гц

Количество универсальных входов

1...8

Входное сопротивление при подключении источника сигнала:

– тока

100 Ом ± 0,1 % (при подключении внешнего резистора)

– напряжения

не менее 100 кОм

Предел допустимой основной погрешности измерения входного параметра

±0,25 %

– при использовании термопары

±0,5 %

Время опроса одного входа

не более 1 с

Напряжение питания активных датчиков

20...28 В постоянного тока

Максимально допустимый ток

150 мА

Количество выходных устройств

8

Тип интерфейса связи с ЭВМ

RS-485

Скорость передачи данных

2.4; 4.8; 9.6; 14.4; 19.6; 28.8; 38.4; 57.6; 115.2 кбит/с

Тип кабеля

экранированная витая пара

Тип и габаритные размеры корпуса

щитовой Щ4, 96×96×145 мм

Степень защиты корпуса

IP54 со стороны передней панели

Гарантийный срок обслуживания2 года

Характеристики выходных устройств

Обозн.

Тип выходного устройства

Электрические характеристики

Р

электромагнитное реле

4 А при 230 В

К

транзисторная оптопара структуры n–p–n типа

200 мА при 40 В

С

симисторная оптопара

50 мА при 300 В (пост. откр. симистор) или 0,5 А (симистор вкл. с частотой не более 50 Гц и tимп. = 5 мс)

Т

выход для управления твердотельным реле

выходное напряжение – 4...6 В
максимальный выходной ток 50 мА

И

цифроаналоговый преобразователь «параметр–ток 4…20 мА»

сопротивление нагрузки 0…800 Ом

Характеристики измерительных датчиков

Тип датчика

Диапазон измерений

Разрешающая способность

ТСМ 50М W100 = 1.426

–50…+200 °С

0,1 °С

ТСМ 50М W100 = 1.428

–190…+200 °С

0,1 °С

ТСМ 100М W100 = 1.426

–50…+200 °С

0,1 °С

ТСМ 100М W100 = 1.428

–190…+200 °С

0,1 °С

ТСП 50П W100 = 1.385

–200…+750 °С

0,1 °С

ТСП 50П W100 = 1.391

–200…+750 °С

0,1 °С

ТСП 100П W100 = 1.385 (Pt 100)

–200…+750 °С

0,1 °С

ТСП 100П W100 = 1.391

–200…+750 °С

0,1 °С

ТСМ гр. 23 (R0=53 Ом, W100 = 1.426)

–50…+200 °С

0,1 °С

термопара ТХК (L)

–50…+750 °С

0,1 °С

термопара ТЖК (J)

–50…+900 °С

0,1 °С

термопара ТНН (N)

–50…+1300 °С

1 °С

термопара ТХА (K)

–50…+1300 °С

1 °С

термопара ТПП (S)

0…+1750 °C

1 °С

термопара ТПП (R)

0…+1750 °C

1 °С

термопара ТВР (А-1)

0…+2500 °С

1 °С

ток 0…5 мА

0…100 %

0,1 °С

ток 0…20 мA

0…100 %

0,1 °С

ток 4…20 мА

0…100 %

0,1 °С

напряжение 0…50 мВ

0…100 %

0,1 °С

напряжение 0…1 В

0…100 %

0,1 °С

Условия эксплуатации

  • закрытые взрывобезопасные помещения без агрессивных паров и газов;
  • температура окружающего воздуха от +1 до +50 °С;
  • верхний предел относительной влажности воздуха 80 % при +25 °С и более низких температурах без конденсации влаги;
  • атмосферное давление от 86 до 106,7 кПа.

Функциональная схема

Функциональная схема ТРМ138

Основные блоки функциональной схемы

ТРМ138 включает в себя следующие основные функциональные элементы:

  • 8 универсальных входов;
  • блоки цифровой фильтрации, коррекции и масштабирования для каждого входного сигнала;
  • 8 логических устройств (ЛУ);
  • 8 выходных устройств (ВУ);
  • модуль интерфейса RS-485.

Пользователь может создавать любые конфигурации функциональных схем.

Универсальные входы прибора ОВЕН ТРМ138

К восьми универсальным входам ТРМ138 могут быть подключены датчики разного типа в любой комбинации, что позволяет одновременно измерять и контролировать несколько различных физических величин.

Ко входам ТРМ138 можно подключать:

  • термопреобразователи сопротивления ТСМ50М/100М, ТСП50П/100П, Pt100;
  • термопары ТХК(L), ТХА(K), ТЖК(J), ТНН(N), ТПП(R), ТПП(S), ТВР(А-1);
  • датчики с унифицированным выходным сигналом тока 0...5 мА, 0...20 мА, 4...20 мА;
  • датчики с унифицированным выходным сигналом напряжения 0...50 мВ, 0...1 В.

Цифровая фильтрация и коррекция входного сигнала

ОВЕН ТРМ138 осуществляет цифровую фильтрацию входного сигнала от помех и коррекцию измерительной характеристики датчика ("сдвиг", "наклон").

Для датчиков с унифицированным выходным сигналом тока или напряжения осуществляется масштабирование шкалы.

Логические устройства (ЛУ)

Измеренные значения подаются на логические устройства (ЛУ). ЛУ могут обрабатывать входные величины, вычисляя разность, среднее арифметическое значение или скорость изменения измеряемой величины.

На сегодняшний день пользователь может задать следующие режимы работы логических устройств:

  • двухпозиционный регулятор- ЛУ сравнивает измеренное значение с уставкой и выдает релейный управляющий сигнал в соответствии с заданной логикой;
  • регистратор - ЛУ выдает аналоговый сигнал в диапазоне 4...20 мА, пропорциональный значению измеряемого параметра.

Для работы в режиме регистратора для соответствующего ЛУ программным путем должен быть задан этот режим и на выходе установлен ЦАП «параметр-ток 4...20 мА»

К каждому ЛУ может быть подключено одно из восьми выходных устройств, порядковый номер которого задается при программировании.

Выходные устройства (ВУ)

В приборе в зависимости от заказа могут быть установлены в различных комбинациях следующие выходные устройства:

  • реле 4 А 230 В;
  • транзисторные оптопары n–p–n типа 200 мА 40 В;
  • симисторные оптопары 50 мА 300 В (0,5 А в импульсном режиме);
  • логический выход 4...6 В 50 мА для управления твердотельным реле;
  • ЦАП «параметр–ток 4...20 мА».

Любое ВУ может управляться оператором кнопками, расположенными на передней панели. Любое реле может выполнять функции аварийного, что задается программным путем.

Интерфейс связи с ЭВМ

Прибор имеет встроенный двунаправленный интерфейс RS-485 для передачи данных и приема информации от компьютера и других приборов, оснащенных таким же интерфейсом связи.

Через этот интерфейс прибор может передавать текущее значение измеренных величин и принимать команды на изменение уставок. Кроме того, при помощи специального программного обеспечения ОВЕН может быть изменена конфигурация прибора.

Конфигурации прибора

В настоящее время созданы и выпускаются конфигурации прибора, аналогичные по своим функциям приборам ОВЕН УКТ38, ТРМ34 и ТРМ38. Кроме того, создана новая конфигурация, обеспечивающая контроль одного датчика и поддержание по двухпозиционному (вкл./выкл.) закону восьми независимых уставок.

Гибкая изменяемая структура прибора позволяет в кратчайшие сроки создавать любые конфигурации для решения широкого спектра задач автоматизации.

Элементы управления

Элементы управления ОВЕН ТРМ138

4-х разрядный цифровой индикатор № 1 отображает измеренное или вычисленное значение параметра в выбранном канале контроля. При аварии индикатор отображает порядковый номер неисправного датчика. Возможны два режима индикации:

  • статический режим - выбор канала индикации производится оператором при помощи кнопок управления, расположенных на лицевой панели прибора, и контролируется по засветке соответствующего светодиода «КАНАЛ»;
  • циклический режим - информация о каждом канале контроля выводится по замкнутому циклу на заданное пользователем время.

4-х разрядный цифровой индикатор № 2 отображает уставку выводимого на индикацию канала контроля. При аварии индикатор отображает причину неисправности датчика в символьном виде.

2-х разрядный цифровой индикатор № 3 отображает информацию о подключенном к данному каналу входном параметре (например, датчик 1 — «d1»).

Светодиоды «КАНАЛ 1…8» постоянной засветкой показывают номер ЛУ, параметры которого в данный момент выводятся на индикацию, мигающей засветкой сигнализируют о возникновении аварийной ситуации в данном канале контроля или срабатывании в нем предупредительной сигнализации.

2 х разрядный цифровой индикатор № 4 отображает в режиме РАБОТА номер подключенного к данному каналу выходного устройства. Мигающей засветкой сигнализирует о переводе ВУ в режим РУЧНОЕ УПРАВЛЕНИЕ.

Светодиод «К1» засвечивается при включении ВУ канала контроля, выводимого на индикацию (только для ключевых ВУ).

Светодиод «СТОП» светится при работе в статическом режиме индикации.

Функции кнопок

Элемент управления ТРМ138 Элемент управления ТРМ138

Кнопки и служат для выбора канала индикации в статическом режиме работы, а также для управления ВУ в ручном режиме.

Элемент управления ТРМ138

Кнопка предназначена для перевода прибора в режим ПРОГРАММИРОВАНИЕ.

Элемент управления ТРМ138

Кнопка предназначена для остановки работы аварийного ВУ, а также для сдвига информации на верхнем индикаторе при его переполнении.

Элемент управления ТРМ138

Кнопка предназначена для перевода выбранного оператором ЛУ в режим «РУЧНОЕ УПРАВЛЕНИЕ», а также для возврата прибора из режима ПРОГРАММИРОВАНИЕ в режим РАБОТА.

Элемент управления ТРМ138

Кнопка предназначена для переключения режима индикации прибора со статического на циклический, и обратно.

Схемы подключения

Тип корпуса Щ4

Схема подключения электромагнитных реле прибора ТРМ138-Р
Схема подключения транзисторных оптопар прибора ТРМ138-К
Схема подключения симисторных оптопар прибора ТРМ138-С
Схема подключения ЦАП прибора ТРМ138-И
Схема подключения твердотельных реле прибора ТРМ138-Т
Схема подключения выходных устройств прибора ТРМ138-У

Тип корпуса Щ7

Схема подключения электромагнитных реле прибора ТРМ138-Р
Схема подключения транзисторных оптопар прибора ТРМ138-К
Схема подключения симисторных оптопар прибора ТРМ138-С
Схема подключения ЦАП прибора ТРМ138-И
Схема подключения твердотельных реле прибора ТРМ138-Т
Схема подключения выходных устройств прибора ТРМ138-У

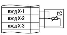
Общая схема подключения измерительных датчиков

термометры сопротивления
термопары
датчик с выходным сигналом тока от 0 (4) до 20 мА, от 0 до 5 мА
датчик с выходным сигналом напряжения от 0 до 50 мВ, от 0 до 1 В
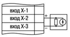
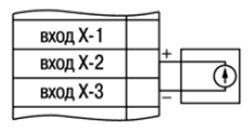
Пример схемы подключения активных датчиков d1-d4 с выходным сигналом тока от 4 до 20 мА
Пример подключения датчиков различного типа
Схема установки перемычек на неиспользуемый вход

Комплект поставки

  1. Прибор ТРМ138
  2. Комплект крепежных элементов
  3. Паспорт и гарантийный талон
  4. Руководство по эксплуатации
  5. Методика поверки (по требованию заказчика)

Примечание - Изготовитель оставляет за собой право внесения дополнений в комплектность изделия.

Развернуть полное описание
Доставка и оплата

ДОСТАВКА

Вы можете выбрать любой наиболее удобный способ из перечисленных ниже:

  • Самовывоз со склада компании ЭТАЛОНПРИБОР
  • Доставка через транспортную компанию "Деловые линии"
  • Доставка экспресс - почтой "ПОНИ-ЭКСПРЕСС" до двери
  • Доставка по Москве и области нашими экспедиторами и курьерами
  • Доставка через транспортную компанию "ПЭК"
  • Отправка посылкой с помощью Почты России
  • Доставка через транспортную компанию покупателя

Доставка до терминала ТК «Деловые линии» осуществляется нами бесплатно.

ОПЛАТА

Мы принимаем оплату:

  • по безналичному расчету
  • перечислением денежных средств на расчетный счет для юридических лиц
  • банковским переводом для физических.

Цены на поставляемые нами товар всегда ниже, чем у наших конкурентов.

Гарантия и возврат

Условия гарантийного обслуживания

  1. Гарантия действительна только при наличии гарантийного талона с указанием заводского номера изделия, гарантийного срока и печати поставщика.
  2. Гарантия предусматривает бесплатный ремонт изделия или замену запасных частей, комплектующих в течении гарантийного срока, указанного в гарантийном талоне.
  3. Заводской номер и наименование изделия должны соответствовать указанным в гарантийном талоне.
  4. Изделие снимается с гарантийного обслуживания в следующих случаях:
    1. Нарушения условий эксплуатации, изложенных в технической документации изделия, которые привели к выходу изделия из строя, включая неисправности, вызванные использованием нештатных аксессуаров;
    2. Нарушения гарантийных пломб, в случае наличия следов вскрытия или взлома корпуса изделия;
    3. Ремонта в неуполномоченном сервисном центре или самостоятельно (кроме элементов и источников питания, замена которых предусмотрена производителем);
    4. Использования изделия не по назначению;
    5. Нарушения правил хранения и транспортирования;
    6. Наличия внешних механических повреждений, включая повреждения разъёмов и контактов;
    7. Наличия внешних повреждений, вызванных стихией, пожаром, молнией, высоким напряжением;
    8. Попадания внутрь влаги, инородных предметов и т.п.
    9. Неправильном включении в сеть.
  5. Гарантия не распространяется на расходные материалы и прочие детали, имеющие ограниченный срок службы: элементы питания (в т.ч. аккумуляторы), имеющие ограниченную прочность.
  6. Недополученная в связи с появлением неисправности прибыль и другие косвенные расходы не подлежат возмещению.

Гарантия не распространяется на ущерб, причиненный другому оборудованию, работающему вместе с данным изделием.

Отзывы
Отзывы о товаре ТРМ138-К.Щ7
Сервис

Центр измерительной техники «Эталонприбор» располагает своим собственным ремонтным сервисом, где Вы можете получить услуги по: ремонту, наладке, калибровке, гарантийному и послегарантийному обслуживанию измерительного оборудования, как приобретенного у нас, так и у других поставщиков. Сервис работает на основе лицензии, выданной Ростехрегулированием РФ.

 
Подробнее
 
Сервисное обслуживание
Простой обмен и возврат
Поможем решить любую проблему с товаром
Собственный сервисный центр
Устраним любую неисправность по гарантии. Срок указан без учета логистики
Сервисы по всей России
Обращайтесь за обслуживанием в авторизованные сервисы производителя
Похожие товары
 
Полезные статьи
При выборе манометра необходимо учитывать ряд важных факторов, чтобы прибор подходил для конкретной системы.
Уровень влажности в помещении играет важную роль в формировании оптимальных условий для комфортного пребывания. Для определения этого параметра используются устройства, называемые гигрометрами. В этой статье мы расскажем, как выбрать подходящее оборудование такого типа для различных объектов.
Осциллограф — это прибор для наблюдения, измерения, записи и анализа амплитудных и временных характеристик электрического сигнала. Подаваемый на вход устройства, он отображается либо на экране, либо фиксируется на фотоленте для последующего изучения.
Если вы задумались о приобретении мультиметра, важно заранее ознакомиться с рядом полезных рекомендаций, которые помогут сделать правильный выбор. Мы подготовили небольшую статью, которая, надеемся, окажется полезной.
Цифровой тахометр — это прибор, предназначенный для измерения частоты вращения различных объектов, таких как валы, двигатели и роторы. В отличие от аналоговых моделей, цифровые тахометры обеспечивают высокую точность измерений и удобство использования благодаря современным технологиям и информативному дисплею. Они широко используются в самых разных отраслях: от автомобильного сервиса и промышленности до научных исследований и контроля вентиляционных систем.
Мегаомметр – это специализированный прибор, предназначенный для измерения сопротивления изоляции электрических цепей и оборудования. В условиях современного мира, где электричество играет ключевую роль во всех сферах жизни, обеспечение безопасности и надежности электрических систем становится особенно важным. От качества изоляции проводников и оборудования зависит не только эффективность их работы, но и безопасность людей и объектов, которые они обслуживают.
Измерительные приборы играют ключевую роль в различных отраслях, начиная от промышленности и строительства, заканчивая медициной и научными исследованиями. Правильная эксплуатация и уход за этими приборами являются залогом точных измерений и долговечности оборудования.
Осциллографы играют ключевую роль в современных лабораториях и на производственных предприятиях, являясь незаменимым инструментом для анализа и визуализации электрических сигналов. Независимо от того, являетесь ли вы инженером-электронщиком, студентом технического вуза или энтузиастом электроники, понимание принципов работы осциллографов, их видов и характеристик, а также правил эксплуатации и ухода за ними, имеет первостепенное значение.
Амперметр предназначен для измерения величины тока в электрических цепях, выраженной в амперах. В основе его работы лежит простой принцип: инструмент позволяет наглядно увидеть мощность тока, потребляемого устройствами, подключенными к сети. Обычно амперметр подключают в цепь с нагрузкой, поэтому ток, протекающий через него, идентичен току, проходящему через любой другой элемент цепи, будь то нагреватель, мотор или лампочка.
На этапах возведения, отделки и монтажа различных сооружений большую роль играют точность разметки и идеальное выравнивание. Достижение профессиональных стандартов качества возможно при использовании лазерного нивелира. Для выбора подходящей модели целесообразно ознакомиться с механизмом работы этих устройств.
Новинки
Недавно просмотренные