Теперь прибор ТРМ138 выпускается и в корпусе Щ7 со съемными клеммниками и меньшей глубиной щитового крепления.
Измеритель-регулятор ОВЕН ТРМ 138 предназначен для измерения, регистрации и регулирования температуры, давления либо другого физического параметра, одновременного управления несколькими (до 8-ми) исполнительными механизмами, а также для регистрации измеренных параметров на ЭВМ.
Терморегулятор применяется в многозонных печах, в системах защитной автоматики.
Прибор выпускается в щитовом корпусе типа Щ4 и Щ7.
* Для измерения давления, влажности, расхода и др. величин используются датчики с унифицированным выходным сигналом тока 0...5 мА, 0(4)...20 мА или напряжения 0...50 мВ, 0...1 В.
Бесплатно: ОРС-сервер, драйвер для работы со SCADA-системой TRACE MODE; библиотеки WIN DLL
Напряжение питания | 90…264 В частотой 47...63 Гц |
Количество универсальных входов | 1...8 |
Входное сопротивление при подключении источника сигнала: | |
– тока | 100 Ом ± 0,1 % (при подключении внешнего резистора) |
– напряжения | не менее 100 кОм |
Предел допустимой основной погрешности измерения входного параметра | ±0,25 % |
– при использовании термопары | ±0,5 % |
Время опроса одного входа | не более 1 с |
Напряжение питания активных датчиков | 20...28 В постоянного тока |
Максимально допустимый ток | 150 мА |
Количество выходных устройств | 8 |
Тип интерфейса связи с ЭВМ | RS-485 |
Скорость передачи данных | 2.4; 4.8; 9.6; 14.4; 19.6; 28.8; 38.4; 57.6; 115.2 кбит/с |
Тип кабеля | экранированная витая пара |
Тип и габаритные размеры корпуса | щитовой Щ4, 96×96×145 мм |
Степень защиты корпуса | IP54 со стороны передней панели |
| Гарантийный срок обслуживания | 2 года |
Обозн. | Тип выходного устройства | Электрические характеристики |
Р | электромагнитное реле | 4 А при 230 В |
К | транзисторная оптопара структуры n–p–n типа | 200 мА при 40 В |
С | симисторная оптопара | 50 мА при 300 В (пост. откр. симистор) или 0,5 А (симистор вкл. с частотой не более 50 Гц и tимп. = 5 мс) |
Т | выход для управления твердотельным реле | выходное напряжение – 4...6 В |
И | цифроаналоговый преобразователь «параметр–ток 4…20 мА» | сопротивление нагрузки 0…800 Ом |
Тип датчика | Диапазон измерений | Разрешающая способность |
ТСМ 50М W100 = 1.426 | –50…+200 °С | 0,1 °С |
ТСМ 50М W100 = 1.428 | –190…+200 °С | 0,1 °С |
ТСМ 100М W100 = 1.426 | –50…+200 °С | 0,1 °С |
ТСМ 100М W100 = 1.428 | –190…+200 °С | 0,1 °С |
ТСП 50П W100 = 1.385 | –200…+750 °С | 0,1 °С |
ТСП 50П W100 = 1.391 | –200…+750 °С | 0,1 °С |
ТСП 100П W100 = 1.385 (Pt 100) | –200…+750 °С | 0,1 °С |
ТСП 100П W100 = 1.391 | –200…+750 °С | 0,1 °С |
ТСМ гр. 23 (R0=53 Ом, W100 = 1.426) | –50…+200 °С | 0,1 °С |
термопара ТХК (L) | –50…+750 °С | 0,1 °С |
термопара ТЖК (J) | –50…+900 °С | 0,1 °С |
термопара ТНН (N) | –50…+1300 °С | 1 °С |
термопара ТХА (K) | –50…+1300 °С | 1 °С |
термопара ТПП (S) | 0…+1750 °C | 1 °С |
термопара ТПП (R) | 0…+1750 °C | 1 °С |
термопара ТВР (А-1) | 0…+2500 °С | 1 °С |
ток 0…5 мА | 0…100 % | 0,1 °С |
ток 0…20 мA | 0…100 % | 0,1 °С |
ток 4…20 мА | 0…100 % | 0,1 °С |
напряжение 0…50 мВ | 0…100 % | 0,1 °С |
напряжение 0…1 В | 0…100 % | 0,1 °С |
ТРМ138 включает в себя следующие основные функциональные элементы:
Пользователь может создавать любые конфигурации функциональных схем.
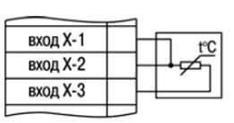
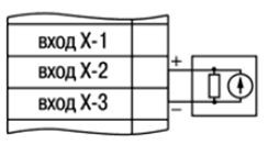
К восьми универсальным входам ТРМ138 могут быть подключены датчики разного типа в любой комбинации, что позволяет одновременно измерять и контролировать несколько различных физических величин.
Ко входам ТРМ138 можно подключать:
ОВЕН ТРМ138 осуществляет цифровую фильтрацию входного сигнала от помех и коррекцию измерительной характеристики датчика ("сдвиг", "наклон").
Для датчиков с унифицированным выходным сигналом тока или напряжения осуществляется масштабирование шкалы.
Измеренные значения подаются на логические устройства (ЛУ). ЛУ могут обрабатывать входные величины, вычисляя разность, среднее арифметическое значение или скорость изменения измеряемой величины.
На сегодняшний день пользователь может задать следующие режимы работы логических устройств:
Для работы в режиме регистратора для соответствующего ЛУ программным путем должен быть задан этот режим и на выходе установлен ЦАП «параметр-ток 4...20 мА»
К каждому ЛУ может быть подключено одно из восьми выходных устройств, порядковый номер которого задается при программировании.
В приборе в зависимости от заказа могут быть установлены в различных комбинациях следующие выходные устройства:
Любое ВУ может управляться оператором кнопками, расположенными на передней панели. Любое реле может выполнять функции аварийного, что задается программным путем.
Прибор имеет встроенный двунаправленный интерфейс RS-485 для передачи данных и приема информации от компьютера и других приборов, оснащенных таким же интерфейсом связи.
Через этот интерфейс прибор может передавать текущее значение измеренных величин и принимать команды на изменение уставок. Кроме того, при помощи специального программного обеспечения ОВЕН может быть изменена конфигурация прибора.
В настоящее время созданы и выпускаются конфигурации прибора, аналогичные по своим функциям приборам ОВЕН УКТ38, ТРМ34 и ТРМ38. Кроме того, создана новая конфигурация, обеспечивающая контроль одного датчика и поддержание по двухпозиционному (вкл./выкл.) закону восьми независимых уставок.
Гибкая изменяемая структура прибора позволяет в кратчайшие сроки создавать любые конфигурации для решения широкого спектра задач автоматизации.

4-х разрядный цифровой индикатор № 1 отображает измеренное или вычисленное значение параметра в выбранном канале контроля. При аварии индикатор отображает порядковый номер неисправного датчика. Возможны два режима индикации:
4-х разрядный цифровой индикатор № 2 отображает уставку выводимого на индикацию канала контроля. При аварии индикатор отображает причину неисправности датчика в символьном виде.
2-х разрядный цифровой индикатор № 3 отображает информацию о подключенном к данному каналу входном параметре (например, датчик 1 — «d1»).
Светодиоды «КАНАЛ 1…8» постоянной засветкой показывают номер ЛУ, параметры которого в данный момент выводятся на индикацию, мигающей засветкой сигнализируют о возникновении аварийной ситуации в данном канале контроля или срабатывании в нем предупредительной сигнализации.
2 х разрядный цифровой индикатор № 4 отображает в режиме РАБОТА номер подключенного к данному каналу выходного устройства. Мигающей засветкой сигнализирует о переводе ВУ в режим РУЧНОЕ УПРАВЛЕНИЕ.
Светодиод «К1» засвечивается при включении ВУ канала контроля, выводимого на индикацию (только для ключевых ВУ).
Светодиод «СТОП» светится при работе в статическом режиме индикации.
![]() | Кнопки и служат для выбора канала индикации в статическом режиме работы, а также для управления ВУ в ручном режиме. |
![]() | Кнопка предназначена для перевода прибора в режим ПРОГРАММИРОВАНИЕ. |
![]() | Кнопка предназначена для остановки работы аварийного ВУ, а также для сдвига информации на верхнем индикаторе при его переполнении. |
![]() | Кнопка предназначена для перевода выбранного оператором ЛУ в режим «РУЧНОЕ УПРАВЛЕНИЕ», а также для возврата прибора из режима ПРОГРАММИРОВАНИЕ в режим РАБОТА. |
![]() | Кнопка предназначена для переключения режима индикации прибора со статического на циклический, и обратно. |

















Примечание - Изготовитель оставляет за собой право внесения дополнений в комплектность изделия.
ДОСТАВКА
Вы можете выбрать любой наиболее удобный способ из перечисленных ниже:
Доставка до терминала ТК «Деловые линии» осуществляется нами бесплатно.
ОПЛАТА
Мы принимаем оплату:
Цены на поставляемые нами товар всегда ниже, чем у наших конкурентов.
Условия гарантийного обслуживания
Гарантия не распространяется на ущерб, причиненный другому оборудованию, работающему вместе с данным изделием.
Центр измерительной техники «Эталонприбор» располагает своим собственным ремонтным сервисом, где Вы можете получить услуги по: ремонту, наладке, калибровке, гарантийному и послегарантийному обслуживанию измерительного оборудования, как приобретенного у нас, так и у других поставщиков. Сервис работает на основе лицензии, выданной Ростехрегулированием РФ.
