по РФ бесплатно
пн-пт 9:00-18:00
пн-пт 9:00-18:00
по РФ бесплатно
Ваш город
Нет
Да
КОНТАКТНАЯ ИНФОРМАЦИЯ
Телефоны:8 (800) 777-30-09 (по РФ бесплатно), 8 (495) 748-30-09, 748-30-60, 664-28-44.
Адрес:141006, Московская обл., г. Мытищи, Олимпийский пр-т, д. 29, стр. 2, офис 43/1.
УВАЖАЕМЫЕ КЛИЕНТЫ!
Цены на сайте могут отличаться, просьба уточнять конечную стоимость у наших менеджеров!
TMM-540



ТРМ32-Щ4.03.RS

Цена:
20 130
Общая стоимость 0 руб.
В корзину
Купить в 1 клик
Нашли дешевле?
Снизим цену!
В избранное
Стоимость доставки от 800 ₽ (уточнять у менеджера)
Срок доставки: 2 - 10 дней при наличии товара на складе
Бесплатная доставка от 50000₽
Безналичный расчет для юридических лиц
Самовывоз со склада компании ЭТАЛОНПРИБОР
Более 350 брендов
Самые лучшие
цены
Техническая
документация
Быстрая доставка
по России
Сервисный
центр
  • Описание
  • Доставка и оплата
  • Гарантия и возврат
  • Отзывы
  • Сервис
Описание

Промышленный контроллер ОВЕН ТРМ32 предназначен для контроля и регулирования температуры в контурах отопления и горячего водоснабжения.

Промышленный контроллер для регулирования температуры в системах отопления ОВЕН ТРМ32 выпускается в щитовом корпусе типа Щ4 или типа Щ7, степень защиты со стороны лицевой панели IP54.

Функциональные возможности контроллера

  • Регулирование температуры в контуре отопления по отопительному графику
  • Поддержание постоянной заданной температуры в контуре горячего водоснабжения (ГВС)
  • Высокая точность поддержания температуры, обеспеченная ПИД-регуляторами
  • Защита системы отопления от превышения температуры обратной воды
  • Переключение режимов «день/ночь»
  • Регистрация данных на ЭВМ по интерфейсу RS-485 по заказу

Бесплатно: OPC-сервер, драйвер для работы со SCADA-системой TRACE MODE; библиотеки WIN DLL.

Сравнение приборов для управления системами отопления и ГВС

Промышленный контроллер для регулирования температуры в системах отопления ОВЕН ТРМ32

Контроллеры для систем отопления и горячего водоснабжения (ГВС) ТРМ132М

Контроллер для одно- и двухконтурных систем отопления и ГВС ОВЕН ТРМ232

Промышленный контроллер ТРМ32 в корпусе Щ7Контроллеры для систем отопления и горячего водоснабжения (ГВС) ТРМ132МКонтроллер для одно- и двухконтурных систем отопления и ГВС ОВЕН ТРМ232

Для систем отопления и ГВС с регулирующими клапанами с 3-хпозиционным (220 В 50 Гц) управлением.

  • Датчики температуры – 50М, 100М, 50П, 100П, Pt100

Для систем отопления и ГВС с регулирующими клапанами с 3-хпозиционным (220 В 50 Гц) либо аналоговым (0…10 В, 4…20 мА) управлением.

  • Универсальные входы.
  • Управление циркуляционными насосами.
  • Управление клапаном контура подпитки.

Для одноконтурных (одна система отопления/ одна система ГВС/ один контур «теплые полы») или двухконтурных (две СО, или две ГВС, или СО и ГВС и т.п.) систем.

  • Для регулирующих клапанов с 3-хпозиционным (220 В 50 Гц) либо аналоговым (0…10 В, 4…20 мА) управлением.
  • Универсальные входы.
  • Управление циркуляционными насосами.
  • Управление насосами ХВС
  • Управление насосами контура подпитки
  • «Быстрый старт» для типовых систем

Конфигурации OPC

Конфигурация Lectus OPC для опроса ТРМ32-Щ7

Конфигурация Lectus OPC для опроса ТРМ32-Щ4

Основные технические характеристики

Наименование характеристики

Значение

Напряжение питания

от 130 до 242 В (номинальное значение 220 В)

Потребляемая мощность

не более 6 ВА

Диапазон контроля температуры

–50... + 199,9°С

Тип входных ТС

ТСМ, ТСП

Количество каналов контроля температуры

4

Количество дискретных входов

1

Время цикла опроса датчиков

не более 6 с

Количество выходных реле

4

Максимальный ток, коммутируемый контактами реле

1 А при напряжении 220 В 50 Гц (cos j > 0,4)

Адаптеры, используемые для подключения прибора к RS-232 порту ПК

АС3М для приборов ТРМ32.Х.ХХ.RS

Адаптер, используемый для подключения прибора к USB порту ПК

АС4 (для приборов ТРМ32-Х.ХХ.RS)

Габаритные размеры

Щ4, щитовой

96×96×145 мм; IP54

Щ7, щитовой

144×169×50,5 мм; IP54

Функциональная схема

Функциональная схема прибора ТРМ32

Входы для измерения температуры

Ко входам в зависимости от их типа подключаются датчики ТСМ 50М, ТСП 50П или ТСМ 100М, ТСП 100П, Pt100, которые контролируют следующие параметры:

Тнаруж. – температура наружного воздуха;

Тобр.–температура обратной воды, возвращаемой в теплоцентраль;

Тотоп. –температура воды в контуре отопления;

ТГВС–температура воды в контуре горячего водоснабжения.

Вместо датчика Тнаруж. может быть подключен датчик температуры прямой воды Тпрям., подаваемой из ТЭЦ.

Регулирование температуры в контурах отопления и горячего водоснабжения

Температуру поддерживают два ПИД-регулятора:

  • первый ПИД-регулятор управляет запорно-регулирующим клапаном КЗРотоп. для поддержания температуры в контуре отопления и защиты от превышения температуры обратной воды;
  • второй ПИД-регулятор управляет КЗРгвс для поддержания температуры в контуре горячего водоснабжения.

Регистрация данных на ЭВМ

В контроллере предусмотрена возможность регистрации на ЭВМ следующих параметров:

  • текущие значения измеренных величин Тнаруж. (Тпрям.), Тобр., Тотоп., Тгвс;
  • расчетные уставки Туст.отоп., Тобр.max и заданное значение Туст.гвс.

Подключение прибора к ПК осуществляется по интерфейсу RS-485 через адаптер АС3-М или АС4 (по заказу).

Регулирование температуры в контуре отопления

Регулирование температуры в контуре отопления осуществляется в соответствии с отопительным графиком, а защита системы от превышения температуры обратной воды – с графиком температуры обратной воды.

Графики отображают линейную зависимость температуры теплоносителя в контуре отопления Туст.отоп. и температуры обратной воды Тобр.max от температуры наружного воздуха Тнаруж.. Оба графика могут быть построены и от температуры прямой воды Тпрям., в этом случае вместо датчика Тнаруж. должен быть подключен датчик Тпрям., установленный в подающем трубопроводе.

Построение графиков осуществляется прибором автоматически по заданным пользователем координатам точек перегиба - А и В, зависящим от характеристик системы отопления.

Регулирование температуры по отопительному графику

По отопительному графику Туст.отоп. = f(Tнаруж.) или Туст.отоп. = f(Tпрям.), в зависимости от контролируемого на входе параметра, прибор вычисляет температуру уставки Туст.отоп. и поддерживает ее с помощью КЗРотоп.. Управление КЗРотоп. осуществляется кратковременными импульсами (ШИМ) по ПИД-закону регулирования, что позволяет поддерживать заданную температуру с необходимой точностью.

Для достижения максимально экономичной работы в приборе предусмотрены следующие функции:

  • возможность переключения с дневного на ночной режим работы;
  • контроль температуры обратной воды.

Дневной/ночной режим работы

Переключение микроконтроллера в ночной режим работы происходит при замыкании внешних контактов прибора «день/ночь». При этом отопительный график сдвигается на заданную пользователем величину, значение которой указывается при программировании прибора. Коммутация может осуществляться любым исполнительным устройством с «сухими» контактами (тумблер, переключатель или таймер).

Индикация режимов:

P--0 - дневной режим работы;

P--1 - ночной режим работы.

Контроль температуры обратной воды, возвращаемой в теплоцентраль

Контроль температуры обратной воды осуществляется по графику Тобр.max = f(Tнаруж.) или Тобр.max = f(Tпрям.), в зависимости от контролируемого на входе параметра.

В случае превышения максимально допустимого значения Тобр.max ТРМ32-Щ4 прерывает регулирование температуры в контуре отопления и понижает температуру обратной воды до значения (Тобр.max).

После снижения температуры обратной воды до допустимых пределов продолжается регулирование температуры в контуре отопления по отопительному графику.

Индикация режимов:

P--2 - работа в режиме защиты от превышения температуры обратной воды;

Значение задается пользователем при программировании прибора.

Пример отопительного графика – Туст. отоп. = f(Tнаруж.)
Пример графика температуры обратной воды – Тобр. max = f(Tнаруж.)
Пример отопительного графика – Туст.отоп. = f(Tпрям.)
Пример графика температуры обратной воды – Тобр. max. = f(Tпрям.)

Регулирование температуры в системе горячего водоснабжения (ГВС)

Температура, поддерживаемая в контуре ГВС (Тгвс), задается пользователем при программировании контроллера. С помощью реле прибор ТРМ32-Щ4 управляет положением запорно-регулирующего клапана КЗРгвс по температуре уставки Туст.гвс. Управление КЗРгвс осуществляется кратковременными импульсами (ШИМ) по ПИД-закону регулирования, что позволяет поддерживать заданную температуру с требуемой точностью.

Элементы управления

Элементы управления ТРМ32

Верхний 4-х разрядный цифровой индикатор

В режиме РАБОТА отображает значение температуры в канале контроля, выбранном пользователем: Тнаруж. (Тпрям.), Тобр., Тотоп.или Тгвс.

В режимах ПРОСМОТР и ПРОГРАММИРОВАНИЕ показывает номер программируемого параметра.

Нижний 4-х разрядный цифровой индикатор

В режиме РАБОТА отображает информационную заставку режима (Р—0 ... Р—2), если выбран канал индикации Тнаруж., или значение соответствующей уставки, если выбран канал индикации Тобр., Тотоп. или Тгвс.

В режимах ПРОСМОТР и ПРОГРАММИРОВАНИЕ показывает значение программируемого параметра.

Светодиоды «Тoнаруж.», «Тoобр.», «Тoотоп.», «Тoгвс»Постоянной засветкой сигнализируют о выбранном для индикации канале контроля, мигающей засветкой – об аварии датчиков.
Светодиоды «+», «–» отоп. и «+», «–» гвсCигнализируют о формировании сигналов управления запорно-регулирующими клапанами систем отопления и ГВС.

Функции кнопок

Элементы управления ТРМ32

Кнопка предназначена для перехода в режим ПРОСМОТР, а из режима ПРОСМОТР – в режим ПРОГРАММИРОВАНИЕ.

Элементы управления ТРМ32

Кнопка предназначена для записи установленных значений программируемых параметров в память прибора.

Элементы управления ТРМ32

Кнопка предназначена для возврата из режима ПРОГРАММИРОВАНИЕ в режим ПРОСМОТР, а из режима ПРОСМОТР – в режим РАБОТА.

Кнопки позволяют в режиме РАБОТА переключать каналы индикации.

Элементы управления ТРМ32 Элементы управления ТРМ32

4 кнопки с изображением стрелок позволяют в режиме ПРОСМОТР выбирать нужные параметры, а в режиме ПРОГРАММИРОВАНИЕ изменять их значение.

Схемы подключения

Общая схема подключения ТРМ32
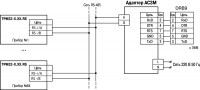
Схема подключения ТРМ32-Х.ХХ.RS к адаптеру сети АС3M

Комплект поставки

  1. Прибор ТРМ32
  2. Комплект крепежных элементов
  3. Паспорт и руководство по эксплуатации
  4. Гарантийный талон
Развернуть полное описание
Доставка и оплата

ДОСТАВКА

Вы можете выбрать любой наиболее удобный способ из перечисленных ниже:

  • Самовывоз со склада компании ЭТАЛОНПРИБОР
  • Доставка через транспортную компанию "Деловые линии"
  • Доставка экспресс - почтой "ПОНИ-ЭКСПРЕСС" до двери
  • Доставка по Москве и области нашими экспедиторами и курьерами
  • Доставка через транспортную компанию "ПЭК"
  • Отправка посылкой с помощью Почты России
  • Доставка через транспортную компанию покупателя

Доставка до терминала ТК «Деловые линии» осуществляется нами бесплатно.

ОПЛАТА

Мы принимаем оплату:

  • по безналичному расчету
  • перечислением денежных средств на расчетный счет для юридических лиц
  • банковским переводом для физических.

Цены на поставляемые нами товар всегда ниже, чем у наших конкурентов.

Гарантия и возврат

Условия гарантийного обслуживания

  1. Гарантия действительна только при наличии гарантийного талона с указанием заводского номера изделия, гарантийного срока и печати поставщика.
  2. Гарантия предусматривает бесплатный ремонт изделия или замену запасных частей, комплектующих в течении гарантийного срока, указанного в гарантийном талоне.
  3. Заводской номер и наименование изделия должны соответствовать указанным в гарантийном талоне.
  4. Изделие снимается с гарантийного обслуживания в следующих случаях:
    1. Нарушения условий эксплуатации, изложенных в технической документации изделия, которые привели к выходу изделия из строя, включая неисправности, вызванные использованием нештатных аксессуаров;
    2. Нарушения гарантийных пломб, в случае наличия следов вскрытия или взлома корпуса изделия;
    3. Ремонта в неуполномоченном сервисном центре или самостоятельно (кроме элементов и источников питания, замена которых предусмотрена производителем);
    4. Использования изделия не по назначению;
    5. Нарушения правил хранения и транспортирования;
    6. Наличия внешних механических повреждений, включая повреждения разъёмов и контактов;
    7. Наличия внешних повреждений, вызванных стихией, пожаром, молнией, высоким напряжением;
    8. Попадания внутрь влаги, инородных предметов и т.п.
    9. Неправильном включении в сеть.
  5. Гарантия не распространяется на расходные материалы и прочие детали, имеющие ограниченный срок службы: элементы питания (в т.ч. аккумуляторы), имеющие ограниченную прочность.
  6. Недополученная в связи с появлением неисправности прибыль и другие косвенные расходы не подлежат возмещению.

Гарантия не распространяется на ущерб, причиненный другому оборудованию, работающему вместе с данным изделием.

Отзывы
Отзывы о товаре ТРМ32-Щ4.03.RS
Сервис

Центр измерительной техники «Эталонприбор» располагает своим собственным ремонтным сервисом, где Вы можете получить услуги по: ремонту, наладке, калибровке, гарантийному и послегарантийному обслуживанию измерительного оборудования, как приобретенного у нас, так и у других поставщиков. Сервис работает на основе лицензии, выданной Ростехрегулированием РФ.

 
Подробнее
 
Сервисное обслуживание
Простой обмен и возврат
Поможем решить любую проблему с товаром
Собственный сервисный центр
Устраним любую неисправность по гарантии. Срок указан без учета логистики
Сервисы по всей России
Обращайтесь за обслуживанием в авторизованные сервисы производителя
Похожие товары
 
Полезные статьи
При выборе манометра необходимо учитывать ряд важных факторов, чтобы прибор подходил для конкретной системы.
Уровень влажности в помещении играет важную роль в формировании оптимальных условий для комфортного пребывания. Для определения этого параметра используются устройства, называемые гигрометрами. В этой статье мы расскажем, как выбрать подходящее оборудование такого типа для различных объектов.
Осциллограф — это прибор для наблюдения, измерения, записи и анализа амплитудных и временных характеристик электрического сигнала. Подаваемый на вход устройства, он отображается либо на экране, либо фиксируется на фотоленте для последующего изучения.
Если вы задумались о приобретении мультиметра, важно заранее ознакомиться с рядом полезных рекомендаций, которые помогут сделать правильный выбор. Мы подготовили небольшую статью, которая, надеемся, окажется полезной.
Цифровой тахометр — это прибор, предназначенный для измерения частоты вращения различных объектов, таких как валы, двигатели и роторы. В отличие от аналоговых моделей, цифровые тахометры обеспечивают высокую точность измерений и удобство использования благодаря современным технологиям и информативному дисплею. Они широко используются в самых разных отраслях: от автомобильного сервиса и промышленности до научных исследований и контроля вентиляционных систем.
Мегаомметр – это специализированный прибор, предназначенный для измерения сопротивления изоляции электрических цепей и оборудования. В условиях современного мира, где электричество играет ключевую роль во всех сферах жизни, обеспечение безопасности и надежности электрических систем становится особенно важным. От качества изоляции проводников и оборудования зависит не только эффективность их работы, но и безопасность людей и объектов, которые они обслуживают.
Измерительные приборы играют ключевую роль в различных отраслях, начиная от промышленности и строительства, заканчивая медициной и научными исследованиями. Правильная эксплуатация и уход за этими приборами являются залогом точных измерений и долговечности оборудования.
Осциллографы играют ключевую роль в современных лабораториях и на производственных предприятиях, являясь незаменимым инструментом для анализа и визуализации электрических сигналов. Независимо от того, являетесь ли вы инженером-электронщиком, студентом технического вуза или энтузиастом электроники, понимание принципов работы осциллографов, их видов и характеристик, а также правил эксплуатации и ухода за ними, имеет первостепенное значение.
Амперметр предназначен для измерения величины тока в электрических цепях, выраженной в амперах. В основе его работы лежит простой принцип: инструмент позволяет наглядно увидеть мощность тока, потребляемого устройствами, подключенными к сети. Обычно амперметр подключают в цепь с нагрузкой, поэтому ток, протекающий через него, идентичен току, проходящему через любой другой элемент цепи, будь то нагреватель, мотор или лампочка.
На этапах возведения, отделки и монтажа различных сооружений большую роль играют точность разметки и идеальное выравнивание. Достижение профессиональных стандартов качества возможно при использовании лазерного нивелира. Для выбора подходящей модели целесообразно ознакомиться с механизмом работы этих устройств.
Новинки
Недавно просмотренные