по РФ бесплатно
пн-пт 9:00-18:00
пн-пт 9:00-18:00
по РФ бесплатно
Ваш город
Нет
Да
КОНТАКТНАЯ ИНФОРМАЦИЯ
Телефоны:8 (800) 777-30-09 (по РФ бесплатно), 8 (495) 748-30-09, 748-30-60, 664-28-44.
Адрес:141006, Московская обл., г. Мытищи, Олимпийский пр-т, д. 29, стр. 2, офис 43/1.
УВАЖАЕМЫЕ КЛИЕНТЫ!
Цены на сайте могут отличаться, просьба уточнять конечную стоимость у наших менеджеров!
TMM-540



ТРМ33-Щ7.ТС

Цена:
18 971
Общая стоимость 0 руб.
В корзину
Купить в 1 клик
Нашли дешевле?
Снизим цену!
В избранное
Стоимость доставки от 800 ₽ (уточнять у менеджера)
Срок доставки: 2 - 10 дней при наличии товара на складе
Бесплатная доставка от 50000₽
Безналичный расчет для юридических лиц
Самовывоз со склада компании ЭТАЛОНПРИБОР
Более 350 брендов
Самые лучшие
цены
Техническая
документация
Быстрая доставка
по России
Сервисный
центр
  • Описание
  • Доставка и оплата
  • Гарантия и возврат
  • Отзывы
  • Сервис
Описание

Прибор ОВЕН ТРМ33 предназначен для регулирования температуры воздуха в помещениях, оборудованных системой приточной вентиляции с водяным калорифером.

ТРМ33 выпускается в щитовом корпусе типа Щ4 и типа Щ7, степень защиты со стороны лицевой панели IP54.

Функциональные возможности терморегулятора ОВЕН ТРМ33

  • Поддержание заданной температуры приточного воздуха по ПИД-закону
  • Управление приточным вентилятором, жалюзи и КЗР, подающим теплоноситель в калорифер
  • Работа в различных режимах:
    • прогрев калорифера при запуске системы;
    • защита системы от превышения температуры обратной воды;
    • защита водяного калорифера от замерзания;
    • дежурный режим с выключенным вентилятором и закрытыми жалюзи;
    • автоматический переход в летний режим.
  • Регистрация данных на ПК по интерфейсу RS-485 (по заказу)

Бесплатно: OPC-сервер, драйвер для работы со SCADA-системой TRACE MODE; библиотеки WIN DLL

Другие приборы для управления вентиляцией

Контроллер для регулирования температуры в системах отопления с приточной вентиляцией

ТРМ33

Контроллер приточной вентиляции

ТРМ133

Контроллер для систем вентиляции и кондиционирования

ТРМ133М

Контроллер ОВЕН ТРМ33 в корпусе Щ7

Контроллер приточной вентиляции ОВЕН ТРМ133

Контроллер приточной вентиляции ОВЕН ТРМ132М

Для систем вентиляции с водяным калорифером нагрева с регулирующим клапаном с 3-хпозиционным (220 В 50 Гц) управлением.

  • Датчики температуры – 50М, 100М, 50П, 100П, Pt100

Для систем вентиляции с водяным калорифером нагрева с регулирующим клапаном с 3-хпозиционным (220 В 50 Гц) либо аналоговым (0…10 В, 4…20 мА) управлением.

  • Универсальные входы.

Для систем вентиляции с водяным калорифером нагрева с регулирующим клапаном с 3-хпозиционным (220 В 50 Гц) либо аналоговым (0…10 В, 4…20 мА) управлением.

  • Универсальные входы.
  • Управление контуром охлаждения.
  • Раздельное управление вентилятором и воздушным клапаном.
  • Управление скоростью вращения вентилятора.(ТРМ133М-04)
  • RS-485, RS-232 (ОВЕН, Modbus)

Конфигурации OPC

Конфигурация Lectus OPC для опроса ТРМ33-Щ7

Конфигурация Lectus OPC для опроса ТРМ33-Щ4

Основные технические характеристики

Наименование характеристики

Значение

Напряжение питания

от 130 до 242 В (номинальное значение 220 В)

Потребляемая мощность

не более 6 ВА

Диапазон контроля температуры

-50... + 199,9°С

Тип входных ТС

ТСМ, ТСП

Количество каналов контроля температуры

3

Количество дискретных входов

3

Время цикла опроса датчиков

не более 6 с

Количество выходных реле

4

Максимальный ток, коммутируемый контактами реле

1 А при напряжении 220 В 50 Гц (cos j > 0,4)

Адаптеры, используемые для подключения прибора к RS-232 порту ПК

АС3М для приборов ТРМ33.Х.ХХ.RS

Адаптер, используемый для подключения прибора к USB порту ПК

АС4 (для приборов ТРМ33-Х.ХХ.RS)

Габаритные размеры

Щ4, щитовой

96×96×145 мм; IP54

Щ7, щитовой

144×169×50,5 мм; IP54

Функциональная схема

Функциональная схема прибора ТРМ33

Входы для измерения температуры

Ко входам 1...3 в зависимости от их типа подключаются температурные датчики ТСМ 50М, ТСП 50П или ТСМ 100М, ТСП 100П, Pt100 для контроля:

  • Тнаруж. – температуры наружного воздуха;
  • Тприт. – температуры приточного воздуха;
  • Тобр. – температуры обратной воды в контуре теплоносителя.

Входы для диагностики работоспособности системы

Ко входам 4...6 подключаются датчики для диагностики работоспособности системы:

  • С1 – коммутирующее устройство (таймер, тумблер и т. п.) для дистанционного перевода системы в дежурный режим работы;
  • С2 – датчик контроля работы вентилятора для автоматического перевода системы в дежурный режим при неисправности вентилятора;
  • С3 – датчик контроля протока воды через калорифер для автоматического перевода системы в режим защиты от замораживания при прекращении протока.

Управление вентилятором, жалюзи и регулирование температуры

По результатам измерений температур и опроса входных датчиков С1, С2, С3 ПИД-регулятор ТРМ33-Щ4 управляет работой вентилятора и жалюзи, а также положением запорно-регулирующего клапана (КЗР) для поддержания заданной температуры в системе отопления.

Режимы работы

В приборе предусмотрено 6 режимов работы.

Прогрев калорифера

Перед началом работы ТРМ33-Щ4 осуществляет прогрев калорифера. Время прогрева определяется пользователем, исходя из эксплуатационных параметров системы. Для более быстрого разогрева прибор формирует команду на выключение вентилятора, закрытие жалюзи и полное открытие КЗР.

Индикация режима:

P––0 – работа прибора в режиме прогрева калорифера.

Управление системой приточной вентиляции

Управление системой приточной вентиляции прибор осуществляет, обеспечивая:

  • поддержание температуры приточного воздуха Тприт. на заданном уровне;
  • защиту от превышения температуры обратной воды Тобр., возвращаемой в теплоцентраль;
  • защиту от замораживания воды в калорифере.

Поддержание температуры приточного воздуха на заданном уровне

Температура приточного воздуха в системе Туст.прит. задается пользователем при программировании прибора. Нагрев приточного воздуха осуществляется теплоносителем, проходящим через калорифер. ТРМ33-Щ4 по температуре уставки Туст.прит. с помощью выходных реле управляет жалюзи и вентилятором, подающими приточный воздух, а также положением КЗР, подающим теплоноситель в калорифер. Управление КЗР осуществляется кратковременными импульсами (ШИМ) по ПИД-закону регулирования, что позволяет поддерживать заданную температуру с высокой точностью.

Условия начала работы прибора в этом режиме:

Тобр.min < Тобр. < Тобр.max, Тприт. > Тавар.

Индикация режима:

Р––2 – работа в режиме поддержания температуры приточного воздуха.

Защита от превышения температуры обратной воды, возвращаемой в теплоцентраль

Управление температурой обратной воды осуществляется в зависимости от температуры наружного воздуха в соответствии с графиком Тобр. = f(Tнаруж.). График обратной воды строится прибором автоматически по заданным пользователем координатам точек А, В и С. При превышении заданного значения температуры обратной воды Тобр.i > Тобр.max.i прибор прерывает управление КЗР по Тприт. и переходит на управление по сигналу рассогласования Ei = Тобр.i – Тобр.max.i. После возврата Тобр.i в допустимые пределы регулирование продолжается по Тприт.

Условия начала работы прибора в этом режиме:

Тобр. > Тобр.max, Тприт. > Тавар.

Индикация режима:

Р––3 – работа в режиме защиты от превышения температуры обратной воды.

ТРМ33 пример графика температуры обратной воды

Пример графика температуры обратной воды – Тобр. = f(Tнаруж.)

Защита от замораживания воды в калорифере

При падении температуры приточного воздуха или температуры обратной воды ниже заданной пользователем критической температуры, либо возникновения неисправности входных датчиков (обрыв или короткое замыкание), система переходит на работу в режиме защиты от замораживания воды в калорифере. Для максимально быстрого повышения температуры ТРМ33-Щ4 формирует команду на полное открытие КЗР, выключение вентилятора и закрытие жалюзи.

Условия начала работы прибора в этом режиме:

Тобр. < Тобр.min или Тприт. < Тавар. или замыкание датчика С3.

Индикация режима:

Р––4 – работа в режиме защиты от замораживания воды в калорифере.

Дежурный режим

Дежурный режим предусмотрен для случаев, когда в работе приточной вентиляции нет необходимости (ночное время суток, выходные дни и т. п.). В этом режиме ТРМ33-Щ4 контролирует только температуру обратной воды, вентилятор выключен и жалюзи закрыты. Переход в дежурный режим можно осуществить с помощью внешнего коммутирующего устройства С1, либо установив нужное значение в соответствующем программируемом параметре.

Индикация режима:

Р––1 – работа в дежурном режиме.

Летний режим

Это экономичный режим, поскольку управления температурой приточного воздуха не осуществляется. КЗР при этом полностью закрыт и циркуляция воды через калорифер прекращена. ТРМ33-Щ4 автоматически переводит систему на работу в летнем режиме при превышении температурой наружного воздуха значения Тлетн., заданного при программировании прибора. Отключение летнего режима происходит при достижении Тнаруж. значения Тнаруж.А.

Условия начала работы прибора в этом режиме:

Тнаруж. > Тлетн.

Индикация режима:

Р––5 – работа в летнем режиме.

Элементы управления

Элементы управления ОВЕН ТРМ33

Верхний 4-х разрядный цифровой индикатор

В режиме РАБОТА отображает значение температуры в канале контроля, выбранном пользователем: Тнаруж., Тобр., или Тприт.

В режимах ПРОСМОТР и ПРОГРАММИРОВАНИЕ показывает номер программируемого параметра.

Нижний 4-х разрядный цифровой индикатор

В режиме РАБОТА отображает информационную заставку режима (Р—Х), если выбран канал индикации Тнаруж., или значение соответствующей уставки, если выбран канал индикации Тобр., Тприт.

В режимах ПРОСМОТР и ПРОГРАММИРОВАНИЕ показывает значение программируемого параметра.

Светодиоды «Тoнаруж.», «Тoобр.», «Тoприточ.»Постоянной засветкой сигнализируют о выбранном для индикации канале контроля, мигающей засветкой – об аварии датчиков.
Светодиоды С1, С2, С3Сигнализируют о состоянии внешних контактных датчиков.
Светодиоды «+», «–» клапанCигнализируют о направлении перемещения запорно-регулирующего клапана.

Функции кнопок

Элемент управления ТРМ33

Кнопка предназначена для перехода в режим ПРОСМОТР, а из режима ПРОСМОТР – в режим ПРОГРАММИРОВАНИЕ.

Элемент управления ТРМ33

Кнопка предназначена для записи установленных значений программируемых параметров в память прибора.

Элемент управления ТРМ33

Кнопка предназначена для возврата из режима ПРОГРАММИРОВАНИЕ в режим ПРОСМОТР, а из режима ПРОСМОТР – в режим РАБОТА.

Кнопки позволяют в режиме РАБОТА переключать каналы индикации.

Кнопки позволяют при параметре А-01, равном нулю, вручную управлять перемещением КЗР.

4 кнопки с изображением стрелок позволяют в режиме ПРОСМОТР выбирать нужные параметры, а в режиме ПРОГРАММИРОВАНИЕ изменять их значение.

Схемы подключения

Общая схема подключения ТРМ33
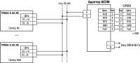
Схема подключения ТРМ33-Х.ХХ.RS к адаптеру сети АС3M

Комплект поставки

  1. Прибор ТРМ33
  2. Комплект крепежных элементов
  3. Паспорт и гарантийный талон
  4. Руководство по эксплуатации

Примечание - Изготовитель оставляет за собой право внесения дополнений в комплектность изделия.

Развернуть полное описание
Доставка и оплата

ДОСТАВКА

Вы можете выбрать любой наиболее удобный способ из перечисленных ниже:

  • Самовывоз со склада компании ЭТАЛОНПРИБОР
  • Доставка через транспортную компанию "Деловые линии"
  • Доставка экспресс - почтой "ПОНИ-ЭКСПРЕСС" до двери
  • Доставка по Москве и области нашими экспедиторами и курьерами
  • Доставка через транспортную компанию "ПЭК"
  • Отправка посылкой с помощью Почты России
  • Доставка через транспортную компанию покупателя

Доставка до терминала ТК «Деловые линии» осуществляется нами бесплатно.

ОПЛАТА

Мы принимаем оплату:

  • по безналичному расчету
  • перечислением денежных средств на расчетный счет для юридических лиц
  • банковским переводом для физических.

Цены на поставляемые нами товар всегда ниже, чем у наших конкурентов.

Гарантия и возврат

Условия гарантийного обслуживания

  1. Гарантия действительна только при наличии гарантийного талона с указанием заводского номера изделия, гарантийного срока и печати поставщика.
  2. Гарантия предусматривает бесплатный ремонт изделия или замену запасных частей, комплектующих в течении гарантийного срока, указанного в гарантийном талоне.
  3. Заводской номер и наименование изделия должны соответствовать указанным в гарантийном талоне.
  4. Изделие снимается с гарантийного обслуживания в следующих случаях:
    1. Нарушения условий эксплуатации, изложенных в технической документации изделия, которые привели к выходу изделия из строя, включая неисправности, вызванные использованием нештатных аксессуаров;
    2. Нарушения гарантийных пломб, в случае наличия следов вскрытия или взлома корпуса изделия;
    3. Ремонта в неуполномоченном сервисном центре или самостоятельно (кроме элементов и источников питания, замена которых предусмотрена производителем);
    4. Использования изделия не по назначению;
    5. Нарушения правил хранения и транспортирования;
    6. Наличия внешних механических повреждений, включая повреждения разъёмов и контактов;
    7. Наличия внешних повреждений, вызванных стихией, пожаром, молнией, высоким напряжением;
    8. Попадания внутрь влаги, инородных предметов и т.п.
    9. Неправильном включении в сеть.
  5. Гарантия не распространяется на расходные материалы и прочие детали, имеющие ограниченный срок службы: элементы питания (в т.ч. аккумуляторы), имеющие ограниченную прочность.
  6. Недополученная в связи с появлением неисправности прибыль и другие косвенные расходы не подлежат возмещению.

Гарантия не распространяется на ущерб, причиненный другому оборудованию, работающему вместе с данным изделием.

Отзывы
Отзывы о товаре ТРМ33-Щ7.ТС
Сервис

Центр измерительной техники «Эталонприбор» располагает своим собственным ремонтным сервисом, где Вы можете получить услуги по: ремонту, наладке, калибровке, гарантийному и послегарантийному обслуживанию измерительного оборудования, как приобретенного у нас, так и у других поставщиков. Сервис работает на основе лицензии, выданной Ростехрегулированием РФ.

 
Подробнее
 
Сервисное обслуживание
Простой обмен и возврат
Поможем решить любую проблему с товаром
Собственный сервисный центр
Устраним любую неисправность по гарантии. Срок указан без учета логистики
Сервисы по всей России
Обращайтесь за обслуживанием в авторизованные сервисы производителя
Похожие товары
 
Полезные статьи
При выборе манометра необходимо учитывать ряд важных факторов, чтобы прибор подходил для конкретной системы.
Уровень влажности в помещении играет важную роль в формировании оптимальных условий для комфортного пребывания. Для определения этого параметра используются устройства, называемые гигрометрами. В этой статье мы расскажем, как выбрать подходящее оборудование такого типа для различных объектов.
Осциллограф — это прибор для наблюдения, измерения, записи и анализа амплитудных и временных характеристик электрического сигнала. Подаваемый на вход устройства, он отображается либо на экране, либо фиксируется на фотоленте для последующего изучения.
Если вы задумались о приобретении мультиметра, важно заранее ознакомиться с рядом полезных рекомендаций, которые помогут сделать правильный выбор. Мы подготовили небольшую статью, которая, надеемся, окажется полезной.
Цифровой тахометр — это прибор, предназначенный для измерения частоты вращения различных объектов, таких как валы, двигатели и роторы. В отличие от аналоговых моделей, цифровые тахометры обеспечивают высокую точность измерений и удобство использования благодаря современным технологиям и информативному дисплею. Они широко используются в самых разных отраслях: от автомобильного сервиса и промышленности до научных исследований и контроля вентиляционных систем.
Мегаомметр – это специализированный прибор, предназначенный для измерения сопротивления изоляции электрических цепей и оборудования. В условиях современного мира, где электричество играет ключевую роль во всех сферах жизни, обеспечение безопасности и надежности электрических систем становится особенно важным. От качества изоляции проводников и оборудования зависит не только эффективность их работы, но и безопасность людей и объектов, которые они обслуживают.
Измерительные приборы играют ключевую роль в различных отраслях, начиная от промышленности и строительства, заканчивая медициной и научными исследованиями. Правильная эксплуатация и уход за этими приборами являются залогом точных измерений и долговечности оборудования.
Осциллографы играют ключевую роль в современных лабораториях и на производственных предприятиях, являясь незаменимым инструментом для анализа и визуализации электрических сигналов. Независимо от того, являетесь ли вы инженером-электронщиком, студентом технического вуза или энтузиастом электроники, понимание принципов работы осциллографов, их видов и характеристик, а также правил эксплуатации и ухода за ними, имеет первостепенное значение.
Амперметр предназначен для измерения величины тока в электрических цепях, выраженной в амперах. В основе его работы лежит простой принцип: инструмент позволяет наглядно увидеть мощность тока, потребляемого устройствами, подключенными к сети. Обычно амперметр подключают в цепь с нагрузкой, поэтому ток, протекающий через него, идентичен току, проходящему через любой другой элемент цепи, будь то нагреватель, мотор или лампочка.
На этапах возведения, отделки и монтажа различных сооружений большую роль играют точность разметки и идеальное выравнивание. Достижение профессиональных стандартов качества возможно при использовании лазерного нивелира. Для выбора подходящей модели целесообразно ознакомиться с механизмом работы этих устройств.
Новинки
Недавно просмотренные