Ультразвуковой датчик USR25 предназначен для преобразования сенсорной энергии в ультразвуковые волны.
| Функция | непосредственная детекция |
| Диапазон | 60-250 мм |
| Напряжение питания | 24 В |
| Потребляемый ток | передатчик:25 мА (max) |
| Время реакции (max): | включение: 30 мс (max) выключение: 50 мс |
| Выход | 100 мА (max) |
| Гистерезис | 10% |
| Ультразвуковая частота | 360 КГц+/-15 Кгц |
| Чувствительность | настраиваемая |
| Степень защиты | P54 |
Оптимальными условиями для исспользования датчикв UST50, USR25 являются:

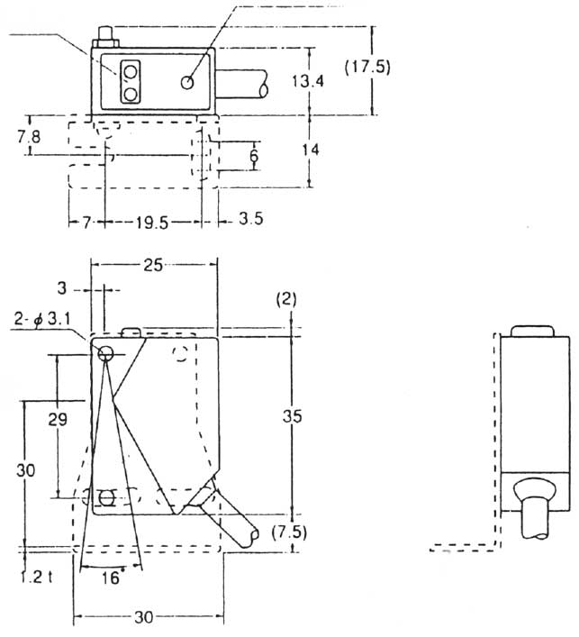
Схема - габаритные размеры датчика
ДОСТАВКА
Вы можете выбрать любой наиболее удобный способ из перечисленных ниже:
Доставка до терминала ТК «Деловые линии» осуществляется нами бесплатно.
ОПЛАТА
Мы принимаем оплату:
Цены на поставляемые нами товар всегда ниже, чем у наших конкурентов.
Условия гарантийного обслуживания
Гарантия не распространяется на ущерб, причиненный другому оборудованию, работающему вместе с данным изделием.
Центр измерительной техники «Эталонприбор» располагает своим собственным ремонтным сервисом, где Вы можете получить услуги по: ремонту, наладке, калибровке, гарантийному и послегарантийному обслуживанию измерительного оборудования, как приобретенного у нас, так и у других поставщиков. Сервис работает на основе лицензии, выданной Ростехрегулированием РФ.
