Устройства переходные (переходники) предназначены для подсоединения преобразователей давления со стандартным штуцером М20х1,5 к технологическому оборудованию, имеющему нестандартные резьбовые порты.
| Рабочая среда | жидкость, пар, газ |
| Давление рабочей среды | до 40 МПа |
| Температура рабочей среды | –40...+350 °С |
| Предельные значения температур окружающего воздуха при эксплуатации | –40…+85°С |
| Присоединение к технологической линии | резьбовое соединение или сварка |
| Присоединение к преобразователю | резьбовое соединение М20×1,5 или фланцевый монтаж |
| Материал | нержавеющая сталь AISI 304S |
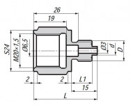
Модель | Размеры, мм | ||||
L | L1 | D | d | ||
![]() | УП-1 | 36 | 14 | G 1/2” | - |
УП-2 | 34 | 12 | G 1/4” | - | |
УП-3 | 36 | 14 | G 3/4” | - | |
УП-4 | 34 | 12 | G 3/8” | - | |
УП-7 | 34 | 12 | G 1/8” | - | |
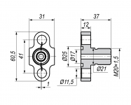
![]() | УП-5 | 37 | 12 | М12×1,5 | 5 |
УП-6 | 35 | 10 | М10×1 | 3 | |
УП-8 | 37 | 12 | М12×1 | 5 | |
![]() | УП-9 | 47 | 22,5 | G 1/2” | - |
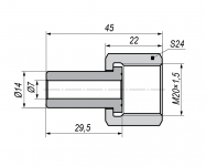
![]() | УП-10 | - | - | - | - |
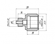
![]() | УП-11 | 39 | 17 | М14×1,5 | 5 |
![]() | УП-12 | - | - | - | - |
![]() | УП-13 | 41 | 19 | М16×1,5 | 5 |
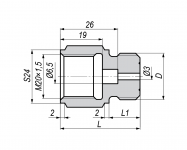
![]() | УП-14 | - | - | М20×1,5 | - |
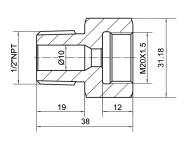
![]() | УП-15 | - | - | NPT1/2 | - |
| УП-16 | NPT1/4 | ||||
ДОСТАВКА
Вы можете выбрать любой наиболее удобный способ из перечисленных ниже:
Доставка до терминала ТК «Деловые линии» осуществляется нами бесплатно.
ОПЛАТА
Мы принимаем оплату:
Цены на поставляемые нами товар всегда ниже, чем у наших конкурентов.
Условия гарантийного обслуживания
Гарантия не распространяется на ущерб, причиненный другому оборудованию, работающему вместе с данным изделием.
Центр измерительной техники «Эталонприбор» располагает своим собственным ремонтным сервисом, где Вы можете получить услуги по: ремонту, наладке, калибровке, гарантийному и послегарантийному обслуживанию измерительного оборудования, как приобретенного у нас, так и у других поставщиков. Сервис работает на основе лицензии, выданной Ростехрегулированием РФ.
