Вентиль запорный ZETKAMA 234 F предназначен для работы с промышленной холодной и горячей водой, паром, химически нейтральными агентами.
Материал корпуса | сталь |
Номинальное давление, МПа | 4,0 |
Номинальный диаметр, мм | 15-200 (DN) |
Максимальная температура, °C | 400 |

Рисунок - конструкция вентиля
1 – Корпус | GP240GH |
2 – Кольцо клапана | GP240GH |
3 – Крышка | X8CrNiS18-9 1.4305 |
4 – Шпиндель | чугун |
5 – Штурвал | 11SMnPb30 |
6 – Сальник | X20Cr13 – 1.4021 |
7 – Диск клапана | X6CrNiTi-18-10 |
8 – Сильфон | 11SMnPb30 |
9 – Втулка | график |
10 – Сальниковое уплотнение | графит + CrNiSt |
11 – Прокладка крышки | A2-70 |

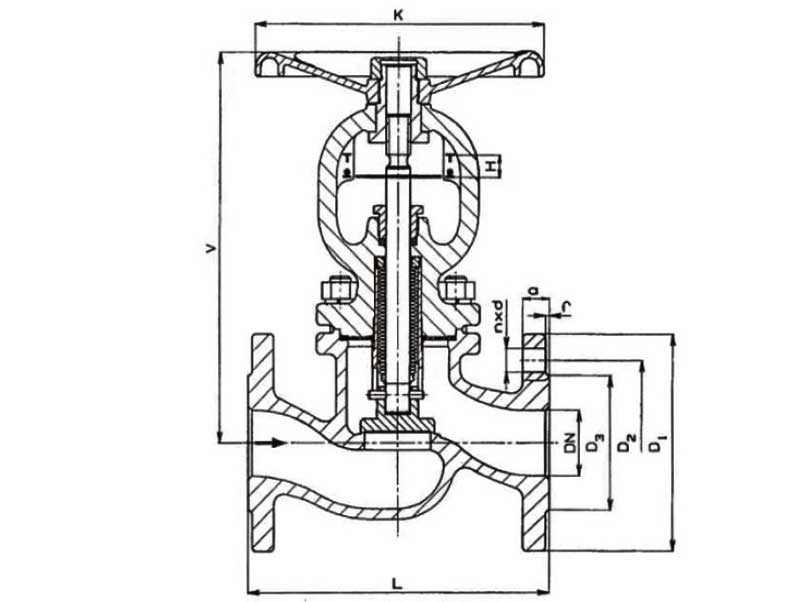
Схема - габаритные размеры вентиля
| DN | PN 4,0 | ||||||||||
| D1 | D3 | D2 | n x d | K | H | L | V | a | Kvs | Масса | |
| мм | м /ч | кг | |||||||||
| 15 | 95 | 45 | 65 | 4x14 | 120 | 6 | 130 | 189 | 16 | 4,3 | 4,3 |
| 20 | 105 | 58 | 75 | 4x14 | 120 | 6 | 150 | 189 | 18 | 7,0 | 5,1 |
| 25 | 115 | 68 | 85 | 4x14 | 120 | 6 | 160 | 189 | 18 | 11,0 | 5,8 |
| 32 | 140 | 78 | 100 | 4x18 | 160 | 10 | 180 | 220 | 18 | 17,5 | 9,5 |
| 40 | 150 | 88 | 110 | 4х18 | 160 | 10 | 200 | 220 | 18 | 27,0 | 9,8 |
| 50 | 165 | 102 | 125 | 4x18 | 195 | 16,5 | 230 | 295 | 20 | 47,0 | 17,5 |
| 65 | 185 | 122 | 145 | 8х18 | 195 | 16,5 | 290 | 295 | 22 | 68,0 | 20,5 |
| 80 | 200 | 138 | 160 | 8x18 | 280 | 25 | 310 | 368 | 24 | 116 | 34,0 |
| 100 | 235 | 162 | 190 | 8x22 | 280 | 25 | 350 | 368 | 24 | 162 | 44,0 |
| 125 | 270 | 188 | 220 | 8x26 | 350 | 40 | 400 | 523 | 26 | 250 | 77,0 |
| 150 | 300 | 218 | 250 | 8х26 | 350 | 40 | 480 | 523 | 28 | 364 | 110 |
ДОСТАВКА
Вы можете выбрать любой наиболее удобный способ из перечисленных ниже:
Доставка до терминала ТК «Деловые линии» осуществляется нами бесплатно.
ОПЛАТА
Мы принимаем оплату:
Цены на поставляемые нами товар всегда ниже, чем у наших конкурентов.
Условия гарантийного обслуживания
Гарантия не распространяется на ущерб, причиненный другому оборудованию, работающему вместе с данным изделием.
Центр измерительной техники «Эталонприбор» располагает своим собственным ремонтным сервисом, где Вы можете получить услуги по: ремонту, наладке, калибровке, гарантийному и послегарантийному обслуживанию измерительного оборудования, как приобретенного у нас, так и у других поставщиков. Сервис работает на основе лицензии, выданной Ростехрегулированием РФ.
