Предназначены для измерения температуры жидких и газообразных сред и коммутации внешних электрических цепей.
ТИПЫ
ТГП-16СгВ3Т4 – термометр газовый
ТКП-16СгВ3Т4 – термометр конденсационный
ОСНОВНЫЕ ТЕХНИЧЕСКИЕ ХАРАКТЕРИСТИКИ
1. Пределы измерений, °С: |
|
2. Длина соединительного капилляра, L, м: | 1,6; 2,5; 4; 6; 10; 16; 25 |
3. Длина погружения термобаллона, L1, мм: |
|
4. Класс точности | 1,5 |
5. Температура окружающего воздуха, °С: |
|
6. Климатические исполнения | У3; Т3 |
7. Относительная влажность воздуха при температуре 35°С, % |
|
8. Степень защиты от воздействия пыли и воды | IP40 или IP54 |
9. Виброустойчивость, группа | L3 |
10. Параметры питания сигнализирующего устройства: |
|
11. Напряжение внешних коммутируемых цепей: |
|
12. Разрывная мощность контактов |
|
13. Сигнализирующее устройство непрямого действия, |
|
14. Давление измеряемой среды, кгс/см2, до |
|
15. Исполнение по взрывозащите | 1ExdibsIIBT4 |
16. Присоединительная резьба, D, мм: |
|
17. Габаритные размеры, мм: | 200х200х191 |
18. Масса термометра без термосистемы, |
|
19. Изготавливаются по | ТУ 25-0210.028-86 |
20. Сертификат утверждения типа средств измерений | RU.C.32.065.A № 25253 |
21. Сертификат соответствия | № РОСС RU.ГБ05.В02152 |
22. Код ОКП | 42 1114 |
Габаритные и присоединительные размеры

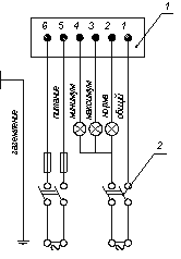
Схема электрических соединений термометров

ОФОРМЛЕНИЕ ЗАКАЗА
При заказе необходимо указать:
| Пример заказа: |
ДОСТАВКА
Вы можете выбрать любой наиболее удобный способ из перечисленных ниже:
Доставка до терминала ТК «Деловые линии» осуществляется нами бесплатно.
ОПЛАТА
Мы принимаем оплату:
Цены на поставляемые нами товар всегда ниже, чем у наших конкурентов.
Условия гарантийного обслуживания
Гарантия не распространяется на ущерб, причиненный другому оборудованию, работающему вместе с данным изделием.
Центр измерительной техники «Эталонприбор» располагает своим собственным ремонтным сервисом, где Вы можете получить услуги по: ремонту, наладке, калибровке, гарантийному и послегарантийному обслуживанию измерительного оборудования, как приобретенного у нас, так и у других поставщиков. Сервис работает на основе лицензии, выданной Ростехрегулированием РФ.
