Трансформатор ТОЛ-35 предназначен для передачи сигнала измерительной информации измерительным приборам и (или) устройствам защиты и управления, для изолирования цепей вторичных соединений от высокого напряжения в электрических установках переменного тока частоты 50 Гц на класс напряжения до 35 кВ.
Трансформаторы для дифференциальной защиты поставляются по специальному заказу. Трансформатор предназначен для наружной установки в открытых распредустройствах. Трансформатор изготавливается в климатическом исполнении "УХЛ" и "Т" категории размещения 1 по ГОСТ 15150. Длина пути утечки III по ГОСТ 9920.
Патентная защита:
Вторичные выводы комплектуются пломбировочной крышкой. Возможно раздельное пломбирование измерительных обмоток прозрачной крышкой.
В трансформаторах тока допускается использование вторичных обмоток для учета, классов точности 0,2S и 0,5S со значением вторичной нагрузки ниже 25% от номинальной. Минимально допустимая нагрузка для обмоток класса точности 0,2S и 0,5S составляет 1ВА. В паспорте на трансформаторы тока со вторичными обмотками для учета классов точности 0,2S и 0,5S указываются измеренные токовые и угловые погрешности при номинальной вторичной нагрузке 1ВА.
Гарантийный срок эксплуатации - 5 лет со дня ввода трансформатора в эксплуатацию, но не более 5,5 лет с момента отгрузки с завода-изготовителя. Срок службы - 30 лет.
| Наименование параметра | Значение для конструктивного исполнения | |||
| II, II-1 | III, III-1 | V-4 | V-5 | |
| Номинальное напряжение, кВ | 35 | |||
| Наибольшее рабочее напряжение, кВ | 40,5 | |||
| Номинальная частота переменного тока, Гц | 50 или 60* | |||
Количество вторичных обмоток, шт.:
| 1 2 | 2 3 | ||
Класс точности вторичных обмоток:
| 0,2; 0,2S; 0,5; 0,5S 5P; 10P | |||
Номинальная вторичная нагрузка вторичных обмоток приcos = 0,8, ВА:
| 30 30 | 30 50 | 30 30 | 15 20 |
| Номинальная предельная кратность вторичной обмотки для защиты, не менее | 20** | |||
| Номинальный коэффициент безопасности приборов вторичной обмотки для измерений, не более при номинальном первичном токе:
| 5 | 5 | 5 | 6 |
Примечания
| Конструктивное исполнение | Номинальный первичный ток, А | Трехсекундный ток термической стойкости, кА | Ток электродинамической стойкости, кА |
| II, II-1 V-4, V-5 | 15 20 30 40 50 75 100 150 200 300 400 600 800 1000 1500 2000 | 0,7 1 1,5 2,1 2,3 3,5 4,7 7 10,5 15 21 31 30 37 41 57 | 3 4 6 8 10 15 21 31 42 63 84 127 107 134 106 220 |
| V-4, V-5 | 3000 | 57 | 220 |
| III, III-1 | 500 1000 1500 2000 3000 | 49 49 49 57 57 | 125 125 125 145 145 |
| 1000 1500 2000 3000 | 49 49 57 57 | 125 125 145 145 |
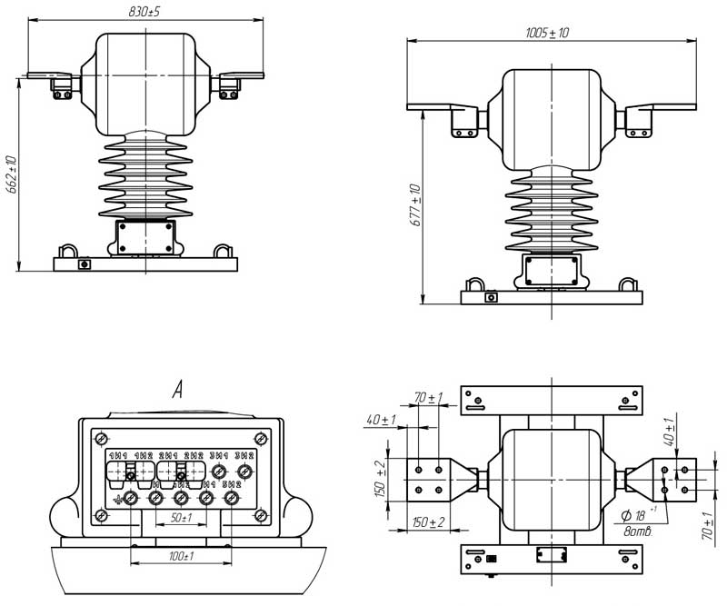
| Конструктивное исполнение | Номинальный первичный ток, А | L1,мм | L2 ,мм | L3 ,мм | L4,мм |
| II | 15–800 1000, 1500, 2000 | 630 | 652 | 512 | 552 |
| III | 500 1000, 1500, 2000, 3000 | 630 | 652 | 512 | 552 |
| II-1 | 15-800 1000, 1500, 2000 | 540 | 598 | 494 | 470 |
| III-1 | 500 1000, 1500, 2000, 3000 | 540 | 598 | 494 | 470 |

Схема 1 - Конструкция трансформатора ТОЛ-35

Схема 2 - Конструкция трансформатора ТОЛ-35

Схема 3 - Конструкция трансформатора ТОЛ-35
Расчетные значения номинальной предельной кратности вторичных обмоток для защиты в зависимости от номинальной вторичной нагрузки в классах точности 5Р и 10Р для трансформаторов тока ТОЛ-35 III
Тип трансформатора | Номинальная вторичная нагрузка, В·А | 3 | 5 | 10 | 15 | 20 | 30 | 40 | 50 | 60 | 75 | 100 |
Коэффициент трансформации | Номинальная предельная кратность | |||||||||||
ТОЛ-35III-II | 20/5; 40/5; 50/5; 100/5; 200/5; 1000/5 | 74 | 62 | 46 | 36 | 30 | 22 | 17 | 14 | 12 | 10 | 8 |
15/5; 30/5; 75/5; 150/5; 300/5; 400/5; 600/5 | 75 | 63 | 48 | 39 | 33 | 25 | 20 | 17 | 14 | 12 | 9 | |
800/5 | 64 | 53 | 42 | 35 | 30 | 23 | 18 | 16 | 13 | 11 | 8 | |
1500/5 | 63 | 41 | 34 | 29 | 22 | 15 | 10 | |||||
2000/5 | 58 | 47 | 38 | 32 | 28 | 21 | 11 | |||||
ТОЛ-35III-III | 500/5; 1000/5 | 87 | 74 | 56 | 45 | 38 | 28 | 23 | 20 | 16 | 13 | 10 |
1500/5 | 77 | 64 | 51 | 43 | 37 | 29 | 17 | 14 | 11 | |||
2000/5 | 70 | 57 | 47 | 40 | 35 | 28 | 15 | |||||
3000/5 | 60 | 43 | 38 | 34 | 31 | 26 | 22 | 12 | ||||
500/1; 1000/1 | 79 | 67 | 52 | 43 | 36 | 27 | 18 | 16 | 13 | 10 | ||
1500/1 | 71 | 60 | 49 | 41 | 35 | 28 | 23 | 20 | 17 | 14 | 11 | |
2000/1 | 63 | 53 | 44 | 38 | 34 | 27 | ||||||
3000/1 | 58 | 40 | 35 | 32 | 29 | 25 | 21 | 19 | 12 | |||
ТОЛ-35III-V-4 | 20/5; 40/5; 50/5; 100/5; 200/5; 1000/5 | 67 | 56 | 41 | 32 | 26 | 20 | 15 | 13 | 11 | 9 | 7 |
15/5; 30/5; 75/5; 150/5; 300/5; 400/5; 600/5 | 61 | 50 | 38 | 30 | 25 | 15 | 12 | 10 | 8 | 6 | ||
800/5 | 64 | 53 | 42 | 35 | 29 | 23 | 18 | 15 | 13 | 11 | 8 | |
1500/5 | 63 | 41 | 34 | 28 | 22 | 17 | 10 | 8 | ||||
2000/5 | 56 | 46 | 37 | 31 | 27 | 21 | 14 | 12 | ||||
3000/5 | 57 | 41 | 36 | 32 | 28 | 24 | 20 | 18 | 16 | 13 | 11 | |
4000/5 | 47 | 27 | 25 | 23 | 21 | 19 | 17 | 15 | 13 | 12 | 10 | |
ТОЛ-35III-V-5 | 20/5; 40/5; 50/5; 100/5; 200/5; 1000/5 | 54 | 44 | 32 | 24 | 20 | 14 | 11 | 9 | 8 | 6 | 5 |
15/5; 30/5; 75/5; 150/5; 300/5; 400/5; 600/5 | 49 | 40 | 29 | 23 | ||||||||
800/5 | 46 | 38 | 24 | 15 | 12 | 10 | 7 | |||||
1500/5 | 23 | 19 | 14 | 11 | 9 | 6 | ||||||
2000/5 | 48 | 39 | 31 | 26 | 22 | 17 | 14 | 12 | 10 | 8 | 6 | |
3000/5 | 41 | 30 | 26 | 22 | 20 | 16 | 9 | 7 | ||||
ДОСТАВКА
Вы можете выбрать любой наиболее удобный способ из перечисленных ниже:
Доставка до терминала ТК «Деловые линии» осуществляется нами бесплатно.
ОПЛАТА
Мы принимаем оплату:
Цены на поставляемые нами товар всегда ниже, чем у наших конкурентов.
Условия гарантийного обслуживания
Гарантия не распространяется на ущерб, причиненный другому оборудованию, работающему вместе с данным изделием.
Центр измерительной техники «Эталонприбор» располагает своим собственным ремонтным сервисом, где Вы можете получить услуги по: ремонту, наладке, калибровке, гарантийному и послегарантийному обслуживанию измерительного оборудования, как приобретенного у нас, так и у других поставщиков. Сервис работает на основе лицензии, выданной Ростехрегулированием РФ.
