Энкодеры 3600 предназначены для преобразования линейного или углового перемещения в аналоговый или цифровой сигнал.

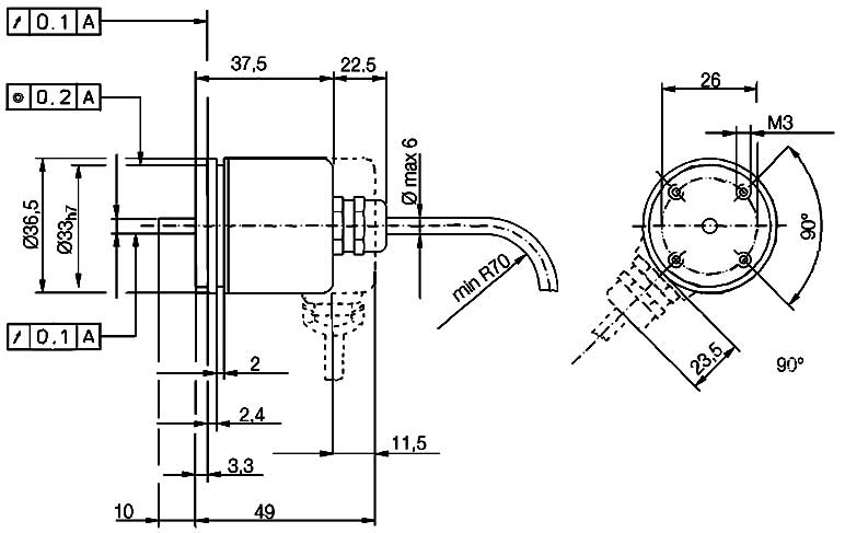
Схема - габаритные размеры энкодера
| Выход | RS 422 местимый с TTL | PUSH - PULL |
| Напряжение питания | 5 V (+/- 5%) | 10...30 VDC |
| Потребление тока без нагрузки (без инвертированных сигналов) | - | раб. 55 mA / max. 125 mA |
| Потребление тока без нагрузки (с инвертированными сигналами) | раб. 70 mA / max. 100 mA | раб. 80 mA / max. 150 mA |
| Макс. нагрузка/канал | 10 mA | 30 mA |
| Макс. частота | 125 kHz | 100 kHz |
| Мин. уровень верхнего сигнала | 2,5 V | UB- 3 V |
| Макс. уровень нижнего сигнала | 0,5 V | 2,5 V |
| Макс. время нарастания/падения сигнала | 200 µs | 1 µs |
| Защита от к.з. выхода | да | |
| Макс. скорость | 12000 min-1 | |
| Вращательный момент инерции | ~ 0,27 x 10-6 kgm2 | |
| Стартовый момент | <0,007 Nm | |
| Радиальная нагрузка на валу | 15 N | |
| Осевая нагрузка на валу | 10 N | |
| Степень защиты | IP66 | |
| Масса | 100 грамм | |
ДОСТАВКА
Вы можете выбрать любой наиболее удобный способ из перечисленных ниже:
Доставка до терминала ТК «Деловые линии» осуществляется нами бесплатно.
ОПЛАТА
Мы принимаем оплату:
Цены на поставляемые нами товар всегда ниже, чем у наших конкурентов.
Условия гарантийного обслуживания
Гарантия не распространяется на ущерб, причиненный другому оборудованию, работающему вместе с данным изделием.
Центр измерительной техники «Эталонприбор» располагает своим собственным ремонтным сервисом, где Вы можете получить услуги по: ремонту, наладке, калибровке, гарантийному и послегарантийному обслуживанию измерительного оборудования, как приобретенного у нас, так и у других поставщиков. Сервис работает на основе лицензии, выданной Ростехрегулированием РФ.
