Энкодер 3610 предназначен для преобразования линейного или углового перемещения в аналоговый или цифровой сигнал.
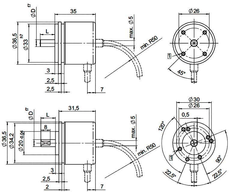
Корпус энкодера - хромированный компактный диаметров 36,5 мм.

Схема - габаритные размеры энкодера
| Макс. скорость | 12000 min-1 |
| Момент инерции вала | ~0,2 x 10-6 kgm2 |
| Стартовый момент | < 0,05 Nm |
| Радиальная нагрузка на валу | 40 N |
| Осевая нагрузка на валу | 20 N |
| Выход | Push-pull |
| Напряжение питания | 5...18 В DC |
| Потребление тока без нагрузки (с инвертированными сиг.) | < 40mA |
| Макс. допустимая нагрузка/канал | +/- 50mA |
| Макс. частота | 200 kHz |
| Мин. уровень верхнего сигнала | UB – 2,5V |
| Макс. уровень нижнего сигнала | 0,5V |
| Макс. время нарастания/падения сигнала | 1 s |
| Защита от короткого замыкания выхода | да |
| Защита от неправильной поляризации | да |
| Степень защиты | IP65 (со стороны корпуса) |
| Масса | 80 грамм |
ДОСТАВКА
Вы можете выбрать любой наиболее удобный способ из перечисленных ниже:
Доставка до терминала ТК «Деловые линии» осуществляется нами бесплатно.
ОПЛАТА
Мы принимаем оплату:
Цены на поставляемые нами товар всегда ниже, чем у наших конкурентов.
Условия гарантийного обслуживания
Гарантия не распространяется на ущерб, причиненный другому оборудованию, работающему вместе с данным изделием.
Центр измерительной техники «Эталонприбор» располагает своим собственным ремонтным сервисом, где Вы можете получить услуги по: ремонту, наладке, калибровке, гарантийному и послегарантийному обслуживанию измерительного оборудования, как приобретенного у нас, так и у других поставщиков. Сервис работает на основе лицензии, выданной Ростехрегулированием РФ.
