Энкодер 5800 предназначен для преобразования линейного или углового перемещения в аналоговый или цифровой сигнал.

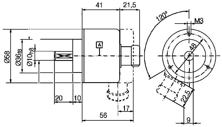
Схема - габаритные размеры энкодера
| Параметры | Значение |
| Макс. скорость | 12000 min-1 |
| Момент инерции вала | ~ 1,8 x 10-6 kgm2 |
| Стартовый момент | < 0,01 Nm |
| Радиальная нагрузка на валу | 80 N |
| Осевая нагрузка на валу | 40 N |
| Масса | 400 грамм |
| Степень защиты | IP65 |
| Рабочая температура | -20....+70°C |
| Сопротивление толчкам | 1000 m/s2 , 6 ms (в соотв. с DIN-IEC 68-2-27) |
| Сопротивление вибрации | 100 m/s2 , 10...2000 Hz (в соотв. с IEC 68-2-6) |
| Выход | RS 422 совместимый с TTL | PUSH - PULL | PUSH - PULL |
| Напряжение питания | 5 V (± 5%) | 10...30 VDC | 5...30 VDC |
| Потребление тока без нагрузки (без инвертированных сигналов) | - | раб.55 мА / max.125 мА | раб.55 мА / max.125 мА |
| Потребление тока с нагрузкой (с инвертированными сигналами) | раб.70 мА /max.100мА | раб.80 мА /max.150 мА | раб.80 мА /max.150 мА |
| Допустимая нагрузка/сигнал | max. ± 20 мА | max. ± 30 мА | max. ± 30 мА |
| Частота | max. 300 кГц | max. 300 кГц | max. 300 кГц |
| Уровень сигнала верхнего | min. 2,5 В | min. UB- 3 В | min. UB- 3 В |
| Уровень сигнала нижнего | max. 0,5 В | max. 2,5 В | max. 2,5 В |
| Время нарастания/падения сигнала | max. 200 µs | max. 1 µs | max. 1 µs |
| Защита от к.з. выхода | да | ||
| Защита от обратной поляризации | нет | ||
ДОСТАВКА
Вы можете выбрать любой наиболее удобный способ из перечисленных ниже:
Доставка до терминала ТК «Деловые линии» осуществляется нами бесплатно.
ОПЛАТА
Мы принимаем оплату:
Цены на поставляемые нами товар всегда ниже, чем у наших конкурентов.
Условия гарантийного обслуживания
Гарантия не распространяется на ущерб, причиненный другому оборудованию, работающему вместе с данным изделием.
Центр измерительной техники «Эталонприбор» располагает своим собственным ремонтным сервисом, где Вы можете получить услуги по: ремонту, наладке, калибровке, гарантийному и послегарантийному обслуживанию измерительного оборудования, как приобретенного у нас, так и у других поставщиков. Сервис работает на основе лицензии, выданной Ростехрегулированием РФ.
