Энкодер 5872 предназначен для преобразования линейного или углового перемещения в аналоговый или цифровой сигнал.

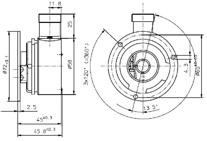
Схема - габаритные размеры энкодера
| Передача сигналов | передача параллельная | |
| Напряжение питания | 5 VDC (+/- 5%) | 10...30 VDC |
| Тип выхода | CMOS-TTL | PUSH - PULL |
| Потребления тока без нагрузки | рвб.40 мА/ max.75 мА | рвб.100 мА/ max.159 мА |
| Допустимая нагрузка/канал | max.+0,5/-2 мА | max. +/- 10 мА |
| Частота изменения кода | max. 40 кГц | max. 40 кГц |
| Частота пульсации SSI min/max | - | - |
| Уровень верхнего сигнала | min. UB-3,4 В | min. UB- 2,8 В |
| Уровень нижнего сигнала (Iload= 20 мА) Iload= 10 mA Iload= 1 mA | - max. 0,3 В - | - max. 1,8 В - |
| Время нарастания/падения сигнала | max. 0,2 µs | max. 0,1 µs |
| Защита от короткого замыкания | да | |
| Защита от обратной полярности | нет | да |
| Параметр | Значение |
| Макс. скорость без уплотнения | 12000 min-1 |
| Макс. скорость с уплотнением | 6000 min-1 |
| Момент инерции вала | ~ 6 x 10-6 kgm2 |
| Стартовый момент с плотнением | < 0,05 Nm |
| Масса | 400 грамм |
| Степень защиты | IP65(без уплотнения); IP66 (с уплотнением) |
| Рабочая температура без уплотнения | -20....+85°C2) |
| Рабочая температруа с уплотнением | -20....+80°C2) |
| Сопротивлени толчкам | 2500 m/s2 , 6 ms (совместимый с DIN-IEC 68-2-27) |
| Сопротивление вибрации | 100 m/s2 , 10...2000 Hz (совместимый с IEC 68-2-6) |
ДОСТАВКА
Вы можете выбрать любой наиболее удобный способ из перечисленных ниже:
Доставка до терминала ТК «Деловые линии» осуществляется нами бесплатно.
ОПЛАТА
Мы принимаем оплату:
Цены на поставляемые нами товар всегда ниже, чем у наших конкурентов.
Условия гарантийного обслуживания
Гарантия не распространяется на ущерб, причиненный другому оборудованию, работающему вместе с данным изделием.
Центр измерительной техники «Эталонприбор» располагает своим собственным ремонтным сервисом, где Вы можете получить услуги по: ремонту, наладке, калибровке, гарантийному и послегарантийному обслуживанию измерительного оборудования, как приобретенного у нас, так и у других поставщиков. Сервис работает на основе лицензии, выданной Ростехрегулированием РФ.
