Программируемый абсолютный энкодер 5882 предназначен для преобразования линейного или углового перемещения в аналоговый или цифровой сигнал.

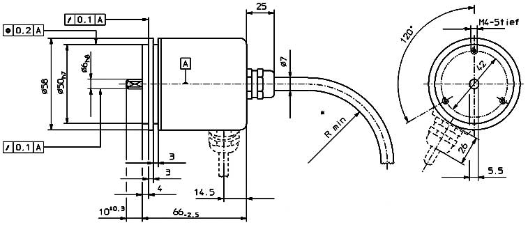
Схема - габаритные размеры энкодера
| Макс. скорость | 6000 min-1 |
| Момент инерции вала | ~ 6 х 10-6 kgm2 |
| Стартовый момент | < 0,05 Nm |
| Радиальная нагрузка на валу | - |
| Осевая нагрузка на валу | - |
| Масса | 500 грамм |
| Степень защиты | IP65 |
| Передача сигналов | SSI (передача синхронная) |
| Напряжение питания | 5...30 VDC |
| Тип выхода | RS 485 |
| Потребление тока без нагрузки | раб. 89 mA/max. 138 мА |
| Допустимая нагрузка/канал | max. +/- 20 мА |
| Частота корректировки | max. 1600/s |
| Частота пульсов SSI min./max. | 100 кГц/500кГц |
| Уровень верхнего сигнала | раб. 3,8 В |
| Уровень нижнего сигнала | раб. 1,3 В |
| Время нарастания/падения сигнала | max. 100 ns |
| Защита от короткого замыкания | да |
| Защита от обратной полярности | нет |
ДОСТАВКА
Вы можете выбрать любой наиболее удобный способ из перечисленных ниже:
Доставка до терминала ТК «Деловые линии» осуществляется нами бесплатно.
ОПЛАТА
Мы принимаем оплату:
Цены на поставляемые нами товар всегда ниже, чем у наших конкурентов.
Условия гарантийного обслуживания
Гарантия не распространяется на ущерб, причиненный другому оборудованию, работающему вместе с данным изделием.
Центр измерительной техники «Эталонприбор» располагает своим собственным ремонтным сервисом, где Вы можете получить услуги по: ремонту, наладке, калибровке, гарантийному и послегарантийному обслуживанию измерительного оборудования, как приобретенного у нас, так и у других поставщиков. Сервис работает на основе лицензии, выданной Ростехрегулированием РФ.
