Блок БКСТ1 преобразует выходной сигнал регулятора для управления симисторами или тиристорами, работающими с активной нагрузкой (главным образом, ТЭНами). Предназначен для совместной работы с приборами ОВЕН, имеющими выходы «К», «Р», «Т» (или другими управляющими системами с аналогичными параметрами).
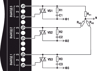
Позволяет регулятору, не имеющему выхода «С3», управлять трехфазной нагрузкой.
Прибор выпускается в корпусе для крепления на DIN-рейку типа Д4.
Максимальное время переключения (время с момента подачи сигнала управления до коммутации всех выходных элементов) | 25 мс |
Постоянное напряжение, подаваемое на входы блока: | |
– вход 6...30 В | 6...30 В |
– вход «Т» | 5,5...6,5 В |
Максимальный ток управления | 1 А |
Максимальный ток во входной цепи | 60 мА |
Напряжение в коммутируемой цепи | 110...380 В |
Тип корпуса | на DIN-рейку Д4 |
Габаритные размеры корпуса | 72×90×58 мм |
Степень защиты корпуса | IP20 |
Температура окружающего воздуха | 0...+70 °С |
Атмосферное давление | 84...106,7 кПа |
Относительная влажность воздуха (при 25 °С и ниже без конденсации влаги) | не более 80 % |








ДОСТАВКА
Вы можете выбрать любой наиболее удобный способ из перечисленных ниже:
Доставка до терминала ТК «Деловые линии» осуществляется нами бесплатно.
ОПЛАТА
Мы принимаем оплату:
Цены на поставляемые нами товар всегда ниже, чем у наших конкурентов.
Условия гарантийного обслуживания
Гарантия не распространяется на ущерб, причиненный другому оборудованию, работающему вместе с данным изделием.
Центр измерительной техники «Эталонприбор» располагает своим собственным ремонтным сервисом, где Вы можете получить услуги по: ремонту, наладке, калибровке, гарантийному и послегарантийному обслуживанию измерительного оборудования, как приобретенного у нас, так и у других поставщиков. Сервис работает на основе лицензии, выданной Ростехрегулированием РФ.
