Оповещатель звуковой "Сирена" С-03-12 AC/DC выполнен в пластмассовом корпусе, имеет в составе плату генератора и пьезокерамический излучатель. Подключается через два вывода длинной 10 см.
Громкий звуковой оповещатель, который широко используется в охранно-пожарных сигнализациях, а также применяется в системах автоматики и управления вызова и оповещения.
Совместим со всеми типами ППК, работающим с напряжением питания 12 (24) В постоянного тока и 220 В переменного тока. Оптимальное соотношение габаритных размеров и громкости.
№ п/п | Параметры | С-03-12 AC/DC | ||||
|---|---|---|---|---|---|---|
1 | Напряжение питания постоянного тока, В | =(12±3) | ||||
2 | Напряжение питания переменного тока, В | ~ (12±3) | ||||
3 | Потребляемый ток при номинальном постоянном напряжении, мА, не более | 90 | ||||
4 | Потребляемый ток при номинальном переменном напряжении, мА, не более | 110 | ||||
5 | Уровень звукового давления на расстоянии 1 м, дБ, не менее (среднеквадратичное значение) | 90 | ||||
6 | Степень защиты оболочки | IP54 | ||||
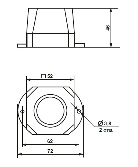
7 | Габаритные размеры (длина, ширина, высота), мм, не более | 72 х 52 х 46 | ||||
8 | Масса, кг, не более | 0,08 | ||||
9 | Диапазон рабочих температур, С | от -30 до +50 | ||||
Оповещатель выполнен в пластмассовом корпусе из полистирола. Внутри корпуса расположена плата с электронными компонентами и выводами для подключения источника питания. Исполнительным элементом является: пьезоизлучатель – источник звукового сигнала. Оповещатель выдает звуковой сигнал при подаче на него напряжения питания 12 В постоянного тока.

Рис.1 Схема габаритных размеров оповещателя Сирена С-03-12
ДОСТАВКА
Вы можете выбрать любой наиболее удобный способ из перечисленных ниже:
Доставка до терминала ТК «Деловые линии» осуществляется нами бесплатно.
ОПЛАТА
Мы принимаем оплату:
Цены на поставляемые нами товар всегда ниже, чем у наших конкурентов.
Условия гарантийного обслуживания
Гарантия не распространяется на ущерб, причиненный другому оборудованию, работающему вместе с данным изделием.
Центр измерительной техники «Эталонприбор» располагает своим собственным ремонтным сервисом, где Вы можете получить услуги по: ремонту, наладке, калибровке, гарантийному и послегарантийному обслуживанию измерительного оборудования, как приобретенного у нас, так и у других поставщиков. Сервис работает на основе лицензии, выданной Ростехрегулированием РФ.
