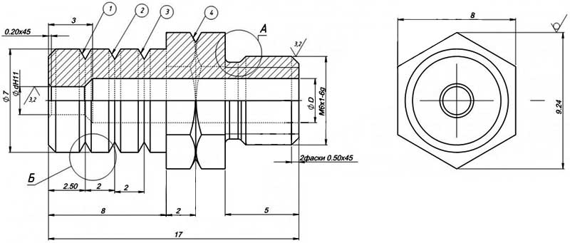
Газовые форсунки являются комплектующими деталями к бытовым котлам «Атон» код: 100-018 - 100-024. Форсунки изготавливаются из латуни ЛС – 59 и имеют крепёжную резьбу М6х1. Они работают на природном газе, давление 1274 – 1960 Па.
| Проходной диаметр, мм | Марка котла |
| 1,9 | АОГВМ-8Е; АОГВМ-8М |
| 2,2 | АОГВМ-10Е; АОГВМ-10М |
| 2,5 | АОГВМ-12,5Е; АОГВМ-12,5М |
| 3,0 | АОГВ-16Е |
| 2,8 | АОГВ-25Е |
| 3,2 | АОГВД-30Е; АОГВД-50Е |
| 3,5 | АОГВ-20Е |

Конструктивная схема форсунки
Обозначение | d, мм | D, мм | Маркировка | |||
1 | 2 | 3 | 4 | |||
АОГВ-07.00.003-02 | 1,9 | 3 | - | + | + | - |
-03 | 2,2 | 3 | - | - | + | - |
-05 | 2,5 | 3 | + | + | - | - |
-06 | 3 | 3 | - | - | - | - |
-07 | 2,9 | 3 | - | - | - | + |
-08 | 3,2 | 3,2 | + | - | - | + |
-09 | 3,5 | 3,5 | + | - | + | - |
-10 | 3,3 | 3,3 | - | - | + | + |
-11 | 3,7 | 3,7 | - | + | - | + |
ДОСТАВКА
Вы можете выбрать любой наиболее удобный способ из перечисленных ниже:
Доставка до терминала ТК «Деловые линии» осуществляется нами бесплатно.
ОПЛАТА
Мы принимаем оплату:
Цены на поставляемые нами товар всегда ниже, чем у наших конкурентов.
Условия гарантийного обслуживания
Гарантия не распространяется на ущерб, причиненный другому оборудованию, работающему вместе с данным изделием.
Центр измерительной техники «Эталонприбор» располагает своим собственным ремонтным сервисом, где Вы можете получить услуги по: ремонту, наладке, калибровке, гарантийному и послегарантийному обслуживанию измерительного оборудования, как приобретенного у нас, так и у других поставщиков. Сервис работает на основе лицензии, выданной Ростехрегулированием РФ.
