Блок управления пневмоприводной арматурой УФ 96570-012.00.00 (пятиходовой) предназначен для управления пневматической запорной арматурой (в т. ч. быстродействующей аварийной) в системах, находящихся на атомных электростанциях и прочих объектах топливно-энергетического комплекса. Устройство является разновидностью распределительной арматуры.
| Параметры устройства | Значение |
| Техническое условие | ТУ У 7З.1.14288275-076-2002 |
| Диаметр номинальный монтажный | 12 мм |
| Температура рабочей среды | от -10 до +60°C |
| Номинальное/расчетное давление в контуре | 4,5 (±0.5) /5,5 МПа |
| Привод блока | однопозиционный электромагнит 60ВА УФ098-264М.00.00 |
| Рабочая среда | воздух |
| Тип соединения с трубопроводом | фланцевое |
| Пропуск среды в затворе | в положении блока обеспечивающем подачу воздуха в пневмопривод - 10 см3/ч в положении блока обеспечивающем сброс воздуха из пневмопривода в дренаж - 120 см3/ч обратного клапана - 6 см3/ч через поршень клапана регулятора - 30 см3/ч предохранительного клапана при давлении 1,76 МПа - 10 см3/ч |
| Допустимая негерметичность относительно внешней среды | 1,33 м3 x мкПа/с |
| Место установки | вне оболочки (в обслуживаемых помещениях) |
| Масса устройствав сборе | 11.5 кг |
Блок управления УФ 96570-012.00.00 полностью совместим с пневмораспределительными системами Herion. Установка блока производится на пневмоприводную арматуру локализующих контуров. Возможные способы установки:

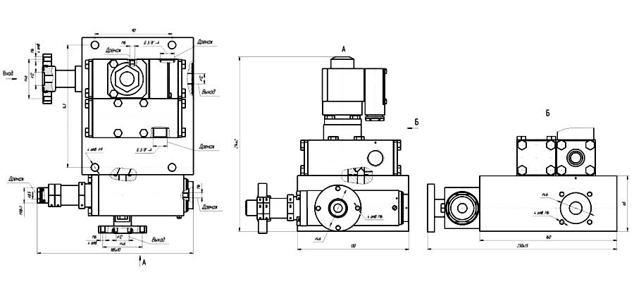
Схема - габаритные размеры блока
ДОСТАВКА
Вы можете выбрать любой наиболее удобный способ из перечисленных ниже:
Доставка до терминала ТК «Деловые линии» осуществляется нами бесплатно.
ОПЛАТА
Мы принимаем оплату:
Цены на поставляемые нами товар всегда ниже, чем у наших конкурентов.
Условия гарантийного обслуживания
Гарантия не распространяется на ущерб, причиненный другому оборудованию, работающему вместе с данным изделием.
Центр измерительной техники «Эталонприбор» располагает своим собственным ремонтным сервисом, где Вы можете получить услуги по: ремонту, наладке, калибровке, гарантийному и послегарантийному обслуживанию измерительного оборудования, как приобретенного у нас, так и у других поставщиков. Сервис работает на основе лицензии, выданной Ростехрегулированием РФ.
