Гидроклапан давления Г-54-32-М (П...Г-54-32М) предназначен для поддержания заданной разности давлений в подводимом и отводимом потоках рабочей жидкости.
Доступные модели гидроклапана:
Структура условного обозначения гидроклапана - X1 X2 Г54-3 X3 X4 УХЛ 4:
Условный проход, мм | 10 |
Расход масла, л/мин: | 32 |
Давление на входе, МПа: | 20 |
Давление управления, МПа: | 23 |
Номинальный перепад давления, МПа | 0,20 |
Внутренние утечки, см3/мин | 15-200 |
Масса (без рабочей жидкости), кг | 2,2-3,5 |

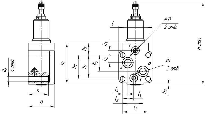
Конструктивная схема гидроклапана ПГ 54-3 (стыковой монтаж)
Модель гидроклапана | Нmax | Lh14 | Вh14 | h1 | h2mах | h3 | h4 | h5 | h6 |
ПАГ54-32М | 201 | 68 | 65 | 91 | 2 | 13 | 13 | 28 | 43 |
ПАГ54-32М1 | 264 | ||||||||
ПАГ54-32М | 41 | 36 | ±0,2 | 50 | 38 | 20 | 12 | 49 | 10 |
ПАГ54-32М1 |

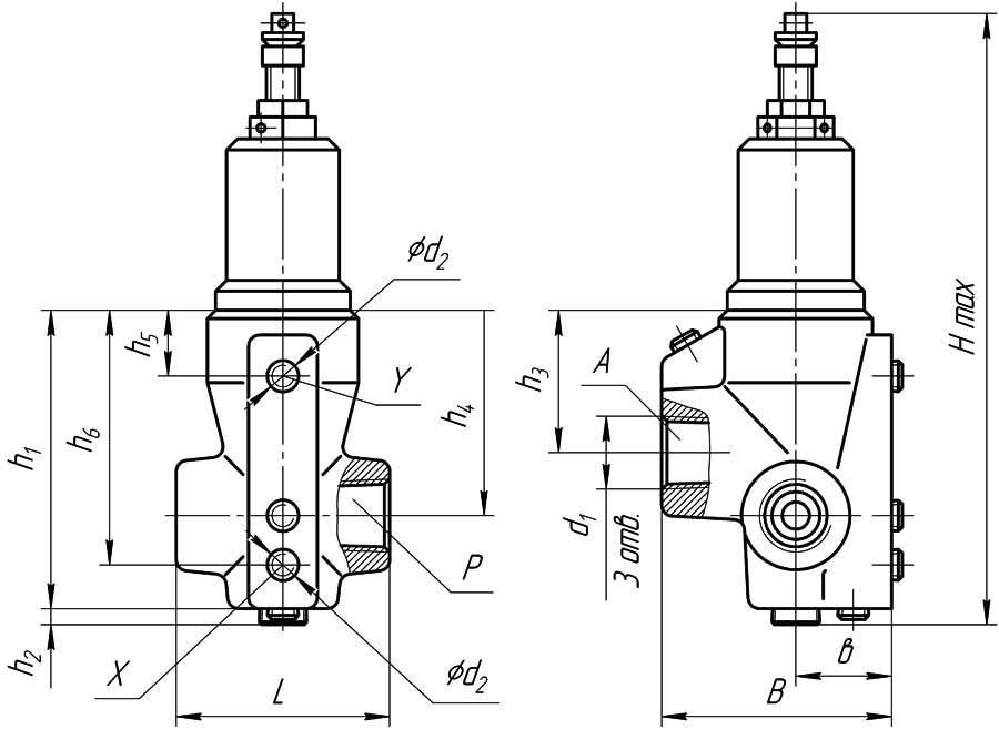
Конструктивная схема гидроклапана Г 54-3 (трубный монтаж)
Модель гидроклапана | Размеры, мм | |||||
d1* | d2* | Нmax | L | B | h1 | |
АГ54-32М | K3/8" | K1/8" | 201 | 56 | 79 | 91 |
АГ54-32М1 | 264 | |||||
* Резьба по ГОСТ 6111-52
Модель гидроклапана | Размеры, мм | |||||
h2 | h3 | h4 | h5 | h6 | b | |
АГ54-32М | 2 | 48 | 64 | 22 | 79 | 32 |
АГ54-32М1 | ||||||
ДОСТАВКА
Вы можете выбрать любой наиболее удобный способ из перечисленных ниже:
Доставка до терминала ТК «Деловые линии» осуществляется нами бесплатно.
ОПЛАТА
Мы принимаем оплату:
Цены на поставляемые нами товар всегда ниже, чем у наших конкурентов.
Условия гарантийного обслуживания
Гарантия не распространяется на ущерб, причиненный другому оборудованию, работающему вместе с данным изделием.
Центр измерительной техники «Эталонприбор» располагает своим собственным ремонтным сервисом, где Вы можете получить услуги по: ремонту, наладке, калибровке, гарантийному и послегарантийному обслуживанию измерительного оборудования, как приобретенного у нас, так и у других поставщиков. Сервис работает на основе лицензии, выданной Ростехрегулированием РФ.
