Гидроклапан давления Г-54-34-М (П...Г-54-34М) предназначен для поддержания заданной разности давлений в подводимом и отводимом потоках рабочей жидкости.
Доступные модели гидроклапана:
Структура условного обозначения гидроклапана - X1 X2 Г54-3 X3 X4 УХЛ 4:
Условный проход, мм | 20 |
Расход масла, л/мин: | 125 |
Давление на входе, МПа: | 20 |
Давление управления, МПа: | 23 |
Номинальный перепад давления, МПа | 0,65 |
Внутренние утечки, см3/мин | 20-280 |
Масса (без рабочей жидкости), кг | 2,8-4,7 |

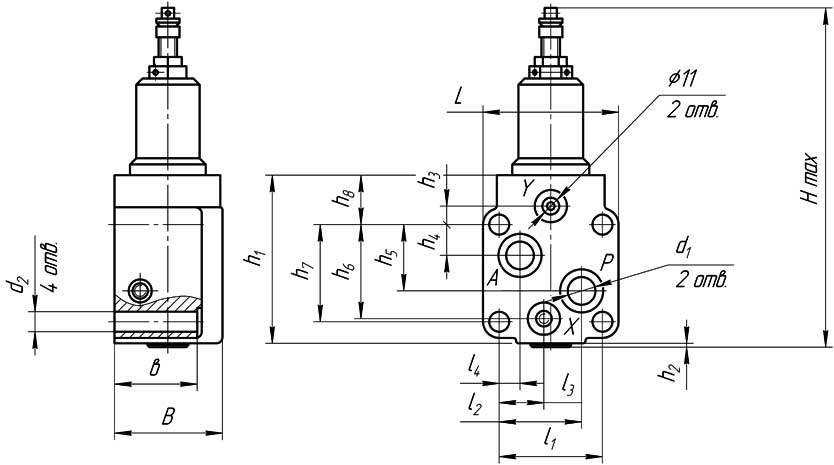
Конструктивная схема гидроклапана ПГ 54-3 (стыковой монтаж)
Модель гидроклапана | Нmax | Lh14 | Вh14 | h1 | h2 | h3 | h4 | h5 | h6 |
ПАГ54-34М | 220 |
88 | 66 | 109 | 2,5 | 12 | 20 | 43 | 61 |
ПДГ54-34М | 242 | 70 | |||||||
ПАГ54-34М1 | 283 | 66 | |||||||
ПДГ54-34М1 | 305 | 70 | |||||||
ПАГ54-34М | 63 | 32 | ±0,3 | 67 | 53,5 | 29,5 | 13,5 | 55 | 13 |
ПДГ54-34М | |||||||||
ПАГ54-34М1 | |||||||||
ПДГ54-34М1 |

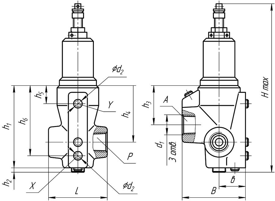
Конструктивная схема гидроклапана Г 54-3 (трубный монтаж)
Модель гидроклапана | Размеры, мм | |||||
d1* | d2* | Нmax | L | B | h1 | |
АГ54-34М | K3/4" | K1/8" | 220 | 78 | 84 | 109 |
ДГ54-34М | 242 | |||||
АГ54-34М1 | 283 | |||||
ДГ54-34М1 | 305 | |||||
* Резьба по ГОСТ 6111-52
Модель гидроклапана | Размеры, мм | |||||
h2 | h3 | h4 | h5 | h6 | b | |
АГ54-34М | 2,5 | 52 | 75 | 24 | 93 | 35 |
ДГ54-34М | ||||||
АГ54-34М1 | ||||||
ДГ54-34М1 | ||||||
ДОСТАВКА
Вы можете выбрать любой наиболее удобный способ из перечисленных ниже:
Доставка до терминала ТК «Деловые линии» осуществляется нами бесплатно.
ОПЛАТА
Мы принимаем оплату:
Цены на поставляемые нами товар всегда ниже, чем у наших конкурентов.
Условия гарантийного обслуживания
Гарантия не распространяется на ущерб, причиненный другому оборудованию, работающему вместе с данным изделием.
Центр измерительной техники «Эталонприбор» располагает своим собственным ремонтным сервисом, где Вы можете получить услуги по: ремонту, наладке, калибровке, гарантийному и послегарантийному обслуживанию измерительного оборудования, как приобретенного у нас, так и у других поставщиков. Сервис работает на основе лицензии, выданной Ростехрегулированием РФ.
