Гидроклапан обратный встраиваемый МКОВ-М-16 применяется для свободного пропускания потока рабочей жидкости в одном направлении и для перекрытия потока в обратном направлении.
Структура условного обозначения гидроклапана - МКОВ-М-16:
Диапазон давления на входе, МПа | 0,8-42 |
Диапазон регулирования давления, МПа | 0,05-0,3 |
Диапазон расхода рабочей жидкости, дм3/с | 0-3,2 |
Внутренняя герметичность (максимальные внутренние утечки), см3/с | 0,5 |
Время нарастания давления после прекращения разгрузки, не более, сек | 0,2 |
Масса, кг | 0,9 |

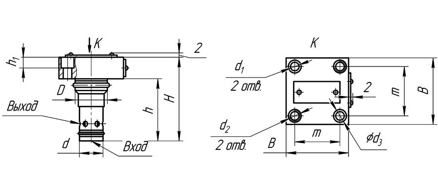
Конструктивная схема гидроклапана
Условный проход, мм | 16 |
H, мм | 76 |
h, мм | 56 |
De8, мм | 32 |
de8, мм | 25 |
d1H14, мм | 9 |
d2-7H, мм | М12 |
B, мм | 65 |
m, мм | 46 |
h1, мм | 11 |
d3H14, мм | 14 |
ДОСТАВКА
Вы можете выбрать любой наиболее удобный способ из перечисленных ниже:
Доставка до терминала ТК «Деловые линии» осуществляется нами бесплатно.
ОПЛАТА
Мы принимаем оплату:
Цены на поставляемые нами товар всегда ниже, чем у наших конкурентов.
Условия гарантийного обслуживания
Гарантия не распространяется на ущерб, причиненный другому оборудованию, работающему вместе с данным изделием.
Центр измерительной техники «Эталонприбор» располагает своим собственным ремонтным сервисом, где Вы можете получить услуги по: ремонту, наладке, калибровке, гарантийному и послегарантийному обслуживанию измерительного оборудования, как приобретенного у нас, так и у других поставщиков. Сервис работает на основе лицензии, выданной Ростехрегулированием РФ.
