Клапан обратный дисковый межфланцевый ZETKAMA 275I предназначен для пропуска рабочей среды в одном направлении и предотвращают течение обратного потока.
Материал корпуса | нержавеющая сталь |
Номинальное давление, МПа | 4,0 |
Номинальный диаметр, мм | 15-300 (DN) |
Максимальная температура, °C | 300 |

Схема - конструкция клапана
| Наименование | Материал | |
| 1 Корпус | G-X6CrNiMo 18 10 | |
| 2 Закрывающий диск | X3CrNiMo 17-13-3 | |
| 3 Шайба отцентровывающая | G-X6CrNiMo 18 10 | |
| 4 Закрывающая пружина | X3CrNiMo 17-13-3 | |

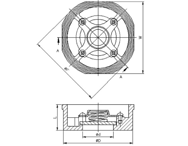
Схема - габаритные размеры клапана
| DN | G | d | D | F | W | L | Масса |
| мм | " | мм | кг | ||||
| 15 | 1/2 | 15 | 43 | 53 | 43 | 16 | 0.1 |
| 20 | 3/4 | 20 | 53 | 63 | 53 | 19 | 0.16 |
| 25 | 1 | 25 | 63 | 173 | 63 | 22 | 0.28 |
| 32 | 1 1/4 | 30 | 75 | 84 | 75 | 28 | 0.52 |
| 40 | 1 1/2 | 38 | 80 | 94 | 80 | 32 | 0.7 |
| 50 | 2 | 47 | 95 | 107 | 95 | 40 | 1.1 |
| 65 | 2 1/2 | 62 | 115 | 126 | 115 | 46 | 1.58 |
| 80 | 3 | 77 | 131 | 145 | 131 | 50 | 1.78 |
| 100 | 4 | 95 | 150 | 164 | 150 | 60 | 3.3 |
| 125 | 5 | 119 | 180 | 190.5 | 190.5 | 90 | 8 |
| 150 | 6 | 141 | 209 | 219 | 219 | 106 | 12 |
| 200 | 8 | 190 | 272 | 282 | 282 | 140 | 22 |
| 250 | 10 | 225 | 317 | 317 | 317 | 145 | 35 |
| 300 | 12 | 280 | 369 | 380 | 380 | 160 | 45 |
ДОСТАВКА
Вы можете выбрать любой наиболее удобный способ из перечисленных ниже:
Доставка до терминала ТК «Деловые линии» осуществляется нами бесплатно.
ОПЛАТА
Мы принимаем оплату:
Цены на поставляемые нами товар всегда ниже, чем у наших конкурентов.
Условия гарантийного обслуживания
Гарантия не распространяется на ущерб, причиненный другому оборудованию, работающему вместе с данным изделием.
Центр измерительной техники «Эталонприбор» располагает своим собственным ремонтным сервисом, где Вы можете получить услуги по: ремонту, наладке, калибровке, гарантийному и послегарантийному обслуживанию измерительного оборудования, как приобретенного у нас, так и у других поставщиков. Сервис работает на основе лицензии, выданной Ростехрегулированием РФ.
