Клапан запорный с пневмоприводом УФ 96278 предназначен для установки в качестве запорных устройств на трубопроводах управления подачей пара.
| Модификация | DN, мм | Масса, кг |
| УФ96278-010 22Б604р | 10 | 2,18 |
| УФ96278-015 22Б604р | 15 | 2,65 |
| УФ96278-025 22Б604р | 25 | 4,6 |
| УФ96278-025 22Б604р | 40 | 8,8 |

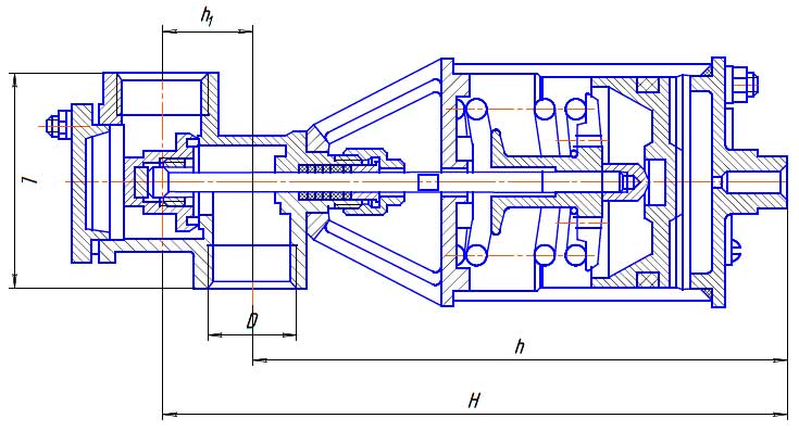
Схема - габаритные размеры клапана
| Исполнение | D | L | H | h | h1 |
| УФ96278-010 22Б604р | G3/8-В | 55 | 219 | 164 | 19 |
| УФ96278-015 22Б604р | G1/2-В | 232 | 165 | 22 | |
| УФ96278-025 22Б604р | G1-В | 80 | 275 | 217 | 34 |
| УФ96278-025 22Б604р | G11/2-В | 110 | 340 | 230 | 50 |
ДОСТАВКА
Вы можете выбрать любой наиболее удобный способ из перечисленных ниже:
Доставка до терминала ТК «Деловые линии» осуществляется нами бесплатно.
ОПЛАТА
Мы принимаем оплату:
Цены на поставляемые нами товар всегда ниже, чем у наших конкурентов.
Условия гарантийного обслуживания
Гарантия не распространяется на ущерб, причиненный другому оборудованию, работающему вместе с данным изделием.
Центр измерительной техники «Эталонприбор» располагает своим собственным ремонтным сервисом, где Вы можете получить услуги по: ремонту, наладке, калибровке, гарантийному и послегарантийному обслуживанию измерительного оборудования, как приобретенного у нас, так и у других поставщиков. Сервис работает на основе лицензии, выданной Ростехрегулированием РФ.
