Кран шаровый стальной под приварку BROEN Ballomax стандартнопроходной с редуктором предназначен для перекрытия потока рабочей жидкости.
Рабочая среда - вода, воздух, пар, масло и другие неагрессивные жидкости.
| Материал корпуса | сталь |
| Номинальное давление | 2,0 МПа |
| Диаметр | 100-350 мм |
| Температура рабочей среды | от -20 до +200°С краны для пара +250°С |
Краны шаровые стальные фланцевые стандартнопроходные широко используются в системах теплоэнергетики и кондиционирования воздуха, а также в промышленных установках.

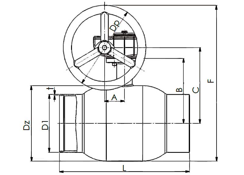
Схема - габаритные размеры крана
| DN | PN | D | L | Dz | Dp | Dl | A | B | C |
| мм | МПа | мм | |||||||
| 100 | 2,5 | 80 | 390 | 152,4 | 160 | 114,3 | 52,5 | 211 | 246 |
| 125 | 2,5 | 100 | 390 | 177,8 | 160 | 139,7 | 52,5 | 221 | 255 |
| 150 | 2,5 | 125 | 390 | 219,1 | 200 | 168,3 | 68,7 | 246 | 287 |
| 200 | 2,5 | 150 | 390 | 267,0 | 315 | 219,1 | 68,7 | 289 | 331 |
| 250 | 2,5 | 200 | 626 | 355,6 | 400 | 273,0 | 80,0 | 265 | 315 |
| 300 | 2,5 | 250 | 727 | 457,0 | 400 | 323,3 | 96,5 | 321 | 371 |
| 350 | 2,5 | 300 | 727 | 457,0 | 400 | 355,6 | 96,5 | 321 | 371 |
| DN | F | t | Соединение | Масса | Kv |
| мм | мм | кг | м3/ч | ||
| 100 | 402 | 3,6 | F07 | 13,57 | 417 |
| 125 | 424 | 3,6 | F10 | 18,17 | 699 |
| 150 | 497 | 4,0 | F12 | 33,68 | 1046 |
| 200 | 622 | 4,5 | F14 | 51,08 | 1500 |
| 250 | 693 | 5,0 | F14 | 85,2 | 2770 |
| 300 | 800 | 5,6 | F16 | 133,75 | 4620 |
| 350 | 800 | 5,6 | F16 | 193,55 | 7250 |
ДОСТАВКА
Вы можете выбрать любой наиболее удобный способ из перечисленных ниже:
Доставка до терминала ТК «Деловые линии» осуществляется нами бесплатно.
ОПЛАТА
Мы принимаем оплату:
Цены на поставляемые нами товар всегда ниже, чем у наших конкурентов.
Условия гарантийного обслуживания
Гарантия не распространяется на ущерб, причиненный другому оборудованию, работающему вместе с данным изделием.
Центр измерительной техники «Эталонприбор» располагает своим собственным ремонтным сервисом, где Вы можете получить услуги по: ремонту, наладке, калибровке, гарантийному и послегарантийному обслуживанию измерительного оборудования, как приобретенного у нас, так и у других поставщиков. Сервис работает на основе лицензии, выданной Ростехрегулированием РФ.
