Насос нерегулируемый 50НР4 с постоянным по значению и направлению потоком рабочей жидкости предназначен для нагнетания рабочей жидкости в гидросистемы.
Насос 50НР4 обеспечивает получение одного или двух потоков рабочей жидкости давлением до 63 МПа.
Структура условного обозначения насоса - 50НР4:
Номинальный рабочий объем насоса, см3 | 4 |
Номинальная частота вращения, с-1 (об/мин) | 25 (1500) |
Общая частота вращения | 5-30 (300-1800) |
Номинальная подача насоса, дм3/мин | 5,5 |
Номинальная мощность насоса, кВт | 4,9 |
Масса (без рабочей жидкости), кг | 19 |

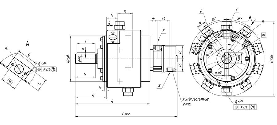
Конструктивная схема насоса
L | l1 | l2 | l3 | l4 | l5 | l6 | l7 | h1 | h2 | h3 | a 2 |
204 | 58 | 94 | 42 | 21,5 | 8 | 65 | 45 | 2 | 18 | 83 | 54 |
D | d | d1 | d2 | d3 | d4 | d5 | d6 | d7 | bxhxl | t |
246 | 36 | 162 | 145 | М10x1,5 | 22 | М8x1,5 | М27x1,5 | 35 | 10x8x40 | 39 |
ДОСТАВКА
Вы можете выбрать любой наиболее удобный способ из перечисленных ниже:
Доставка до терминала ТК «Деловые линии» осуществляется нами бесплатно.
ОПЛАТА
Мы принимаем оплату:
Цены на поставляемые нами товар всегда ниже, чем у наших конкурентов.
Условия гарантийного обслуживания
Гарантия не распространяется на ущерб, причиненный другому оборудованию, работающему вместе с данным изделием.
Центр измерительной техники «Эталонприбор» располагает своим собственным ремонтным сервисом, где Вы можете получить услуги по: ремонту, наладке, калибровке, гарантийному и послегарантийному обслуживанию измерительного оборудования, как приобретенного у нас, так и у других поставщиков. Сервис работает на основе лицензии, выданной Ростехрегулированием РФ.
