Регулятор давления УФ 965562-020.00.00 предназначен для поддержки заданного избыточного давления в топливных баках.

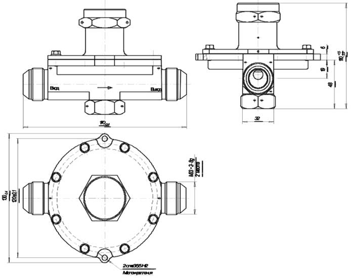
Схема - габаритные размеры регулятора
| Параметры | Значение |
| Диаметр подсоединительных трубопроводов, мм | 20 мм |
| Рабочая среда | воздух, азот, азотокислородная смесь |
| Давление (абсолютное) на входе, МПа (кгс/см2) | 0,20-0,35 (2,0-3,5) |
| Давление (избыточное) на выходе при заданных температуре и рабочей среды, МПа (кгс/см2) | 0,0125 (0,125) |
| Расход рабочей среды в наземных условиях кг/ч | 50-100 |
| Температура воздуха | от -60 до +85 |
| Утечка рабочей среды в атмосферу в наземных условиях при давлении на входе 0,7 МПа (7кгс/см2) и темпиратуре 10-30 С, кг/ч | 5 |
| Расход рабочей среды м3/ч | от 1 до 14 |
| Положение при эксплуатации | не регламентируется |
| Окружающая среда - атмосферный воздух с температурой,, С | от -60 до +85 |
| Масса, кг | 0,95 |
ДОСТАВКА
Вы можете выбрать любой наиболее удобный способ из перечисленных ниже:
Доставка до терминала ТК «Деловые линии» осуществляется нами бесплатно.
ОПЛАТА
Мы принимаем оплату:
Цены на поставляемые нами товар всегда ниже, чем у наших конкурентов.
Условия гарантийного обслуживания
Гарантия не распространяется на ущерб, причиненный другому оборудованию, работающему вместе с данным изделием.
Центр измерительной техники «Эталонприбор» располагает своим собственным ремонтным сервисом, где Вы можете получить услуги по: ремонту, наладке, калибровке, гарантийному и послегарантийному обслуживанию измерительного оборудования, как приобретенного у нас, так и у других поставщиков. Сервис работает на основе лицензии, выданной Ростехрегулированием РФ.
