Вентиль запорный ZETKAMA 234 A предназначен для работы с промышленной холодной и горячей водой, паром, химически нейтральными агентами.
Материал корпуса | серый чугун |
Номинальное давление, МПа | 1,6 |
Номинальный диаметр, мм | 15-250 (DN) |
Максимальная температура, °C | 300 |

Рисунок - конструкция вентиля
1 – Корпус | EN-GJL-250-JL 1040 |
2 - Седло | X12Cr13 – 1.4006 |
3 – Крышка | EN-GJL-250-JL 1040 |
4 – Шпиндель | X20Cr13 - 1.4021 |
5 – Штурвал | сталь |
6 – Сальник | 11SMn Pb30 |
7 – Диск Клапана | X20Cr13 – 1.4021 |
8 – Сильфон | X6CrNiMoTi-17-12-2 |
9 – Втулка | 11SMn Pb30 |
10 – Сальниковое уплотнение | графит |
11 – Прокладка крышки | графит + CrNiSt |
12 - Шестигранный болт | 8,8 |

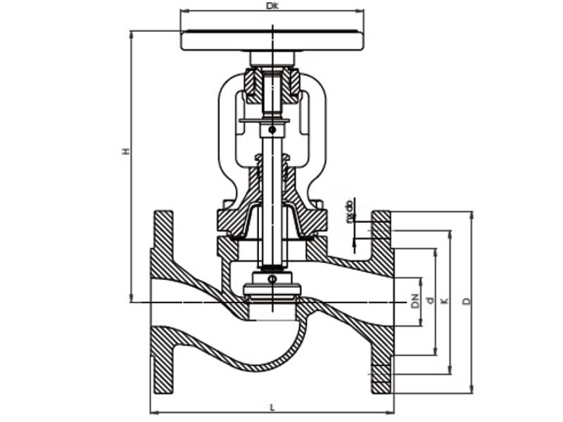
Схема - габаритные размеры вентиля
| DN | D | d | K | n x d | Dk | h | L | H | Масса | Kvs |
| мм | кг | м3/час | ||||||||
| 15 | 95 | 46 | 65 | 4x14 | 125 | 5 | 130 | 178 | 3,2 | 3,4 |
| 20 | 105 | 56 | 75 | 4x14 | 125 | 5 | 150 | 178 | 3,9 | 6,3 |
| 25 | 115 | 65 | 85 | 4x14 | 125 | 7 | 160 | 193 | 4,85 | 9,4 |
| 32 | 140 | 76 | 100 | 4x19 | 125 | 8 | 180 | 201 | 6,5 | 16 |
| 40 | 150 | 84 | 110 | 4х19 | 150 | 10 | 200 | 224 | 9 | 26 |
| 50 | 165 | 99 | 125 | 4x19 | 150 | 13 | 230 | 228 | 11 | 40 |
| 65 | 185 | 118 | 145 | 4х19 | 175 | 17 | 290 | 270 | 15,8 | 70 |
| 80 | 200 | 132 | 160 | 8x19 | 200 | 20 | 310 | 295 | 24,3 | 106 |
| 100 | 220 | 156 | 180 | 8x19 | 250 | 25 | 350 | 325 | 35 | 170 |
| DN | D | d | K | n x d | Dk | h | L | H | Масса | Kvs |
| мм | кг | м3/час | ||||||||
| 15 | 95 | 46 | 65 | 4х14 | 125 | 5 | 130 | 178 | 3,2 | 3,4 |
| 20 | 105 | 56 | 75 | 4х14 | 125 | 5 | 150 | 178 | 3,9 | 6,3 |
| 25 | 115 | 65 | 85 | 4х14 | 125 | 7 | 160 | 193 | 4,85 | 9,4 |
| 32 | 140 | 76 | 100 | 4х19 | 125 | 8 | 180 | 201 | 6,5 | 16 |
| 40 | 150 | 84 | 110 | 4х19 | 150 | 10 | 200 | 224 | 9 | 26 |
| 50 | 165 | 99 | 125 | 4х19 | 150 | 13 | 230 | 228 | 11 | 40 |
| 65 | 185 | 118 | 145 | 8х19 | 175 | 17 | 290 | 270 | 15,8 | 70 |
| 80 | 200 | 132 | 160 | 8х19 | 200 | 20 | 310 | 295 | 24,3 | 106 |
| 100 | 235 | 156 | 190 | 8х23 | 250 | 25 | 350 | 325 | 35 | 170 |
ДОСТАВКА
Вы можете выбрать любой наиболее удобный способ из перечисленных ниже:
Доставка до терминала ТК «Деловые линии» осуществляется нами бесплатно.
ОПЛАТА
Мы принимаем оплату:
Цены на поставляемые нами товар всегда ниже, чем у наших конкурентов.
Условия гарантийного обслуживания
Гарантия не распространяется на ущерб, причиненный другому оборудованию, работающему вместе с данным изделием.
Центр измерительной техники «Эталонприбор» располагает своим собственным ремонтным сервисом, где Вы можете получить услуги по: ремонту, наладке, калибровке, гарантийному и послегарантийному обслуживанию измерительного оборудования, как приобретенного у нас, так и у других поставщиков. Сервис работает на основе лицензии, выданной Ростехрегулированием РФ.
