Датчик тока ДТ-1 предназначен для применения совместно с блоками защиты БКЗ-3 и др., и служат для защиты отходящих присоединений распределительных сетей напряжением до 1200 В от токов короткого замыкания и перегрузок.
| Номинальное напряжение электрической сети, в которой могут быть установлены датчики тока типа ДТ, В, не более | 1140 |
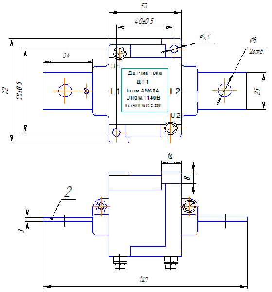
| Номинальный ток, А | 32 63 32/63 |
| Выходное напряжение на зажимах вторичной обмотки при подключенном к ней эталонном резисторе 840 Ом при токе первичной обмотки датчика тока, равном номинальному, В | 7,2 |
| Частота сети, Гц | 50 |
| Габариты датчиков, мм: | 140x72 |
| Масса, кг | 0,6 |
Климатическое исполнение — УХЛ5 по ГОСТ 15150-69.
Датчик предназначен для эксплуатации в следующих условиях:

Габаритные и установочные размеры ДТ-1
ДОСТАВКА
Вы можете выбрать любой наиболее удобный способ из перечисленных ниже:
Доставка до терминала ТК «Деловые линии» осуществляется нами бесплатно.
ОПЛАТА
Мы принимаем оплату:
Цены на поставляемые нами товар всегда ниже, чем у наших конкурентов.
Условия гарантийного обслуживания
Гарантия не распространяется на ущерб, причиненный другому оборудованию, работающему вместе с данным изделием.
Центр измерительной техники «Эталонприбор» располагает своим собственным ремонтным сервисом, где Вы можете получить услуги по: ремонту, наладке, калибровке, гарантийному и послегарантийному обслуживанию измерительного оборудования, как приобретенного у нас, так и у других поставщиков. Сервис работает на основе лицензии, выданной Ростехрегулированием РФ.
