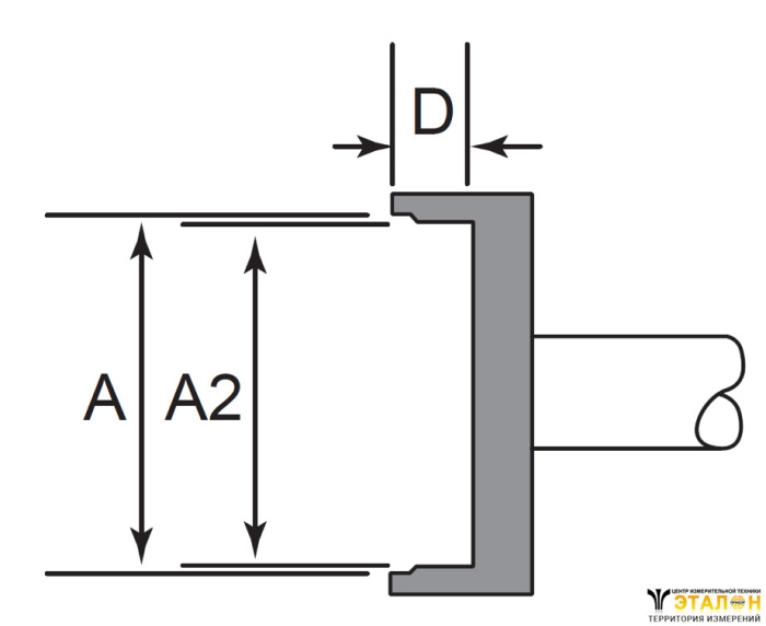
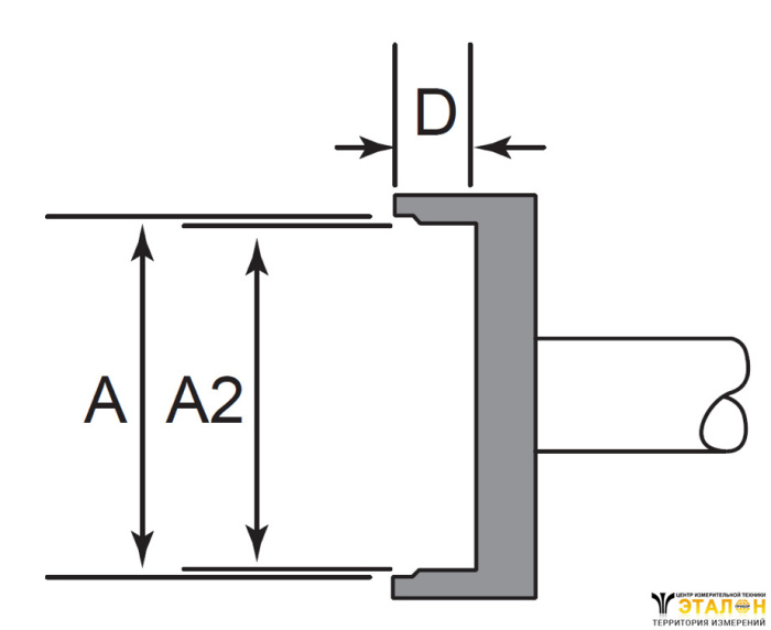
Электротехническое оборудование, которое отвечает за производство, распределение и преобразование электрической энергии, всегда функционирует в интенсивном режиме как в повседневной жизни, так и в производственных сферах. Отсюда высокие требования к безопасности, классу точности и рабочему ресурсу. Картридж-наконечник для MX, PLCC 44 (SMTC-014) — сертифицированная модель, надежность которой проверена в ходе многочисленных испытаний. Она хорошо справляется со сложными условиями эксплуатации, поэтому риск критических ситуаций практически сведен к нулю.
ДОСТАВКА
Вы можете выбрать любой наиболее удобный способ из перечисленных ниже:
Доставка до терминала ТК «Деловые линии» осуществляется нами бесплатно.
ОПЛАТА
Мы принимаем оплату:
Цены на поставляемые нами товар всегда ниже, чем у наших конкурентов.
Условия гарантийного обслуживания
Гарантия не распространяется на ущерб, причиненный другому оборудованию, работающему вместе с данным изделием.
Центр измерительной техники «Эталонприбор» располагает своим собственным ремонтным сервисом, где Вы можете получить услуги по: ремонту, наладке, калибровке, гарантийному и послегарантийному обслуживанию измерительного оборудования, как приобретенного у нас, так и у других поставщиков. Сервис работает на основе лицензии, выданной Ростехрегулированием РФ.
