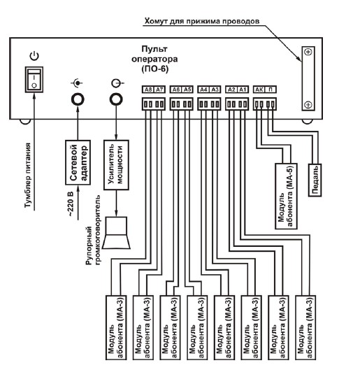
Комплекс громкой связи «Спикер-6» предназначен для обеспечения двухсторонней симплексной связи оператора с девятью абонентами (восемь удалённых и один ближний), а также для обеспечения громкой трансляции сообщений.
| Параметры | Спикер-6 |
| Напряжение питания, В | (9 + |2|) AC / (12 + |2|) DC |
| Система связи | 2-х проводная |
| Максимальная длина связи, м | 300 |
| Потребляемый ток не более, мА | 300 |
| Габариитные размеры пульта оператора, мм | 214х155х72 |
| Диапазон рабочих температур, °С | от -10 до +50 |
Для организации громких сообщений «Спикер-6» комплектуется усилителем мощности и рупорными громкоговорителями. Для связи с оператором удаленный абонент (объект) должен нажать кнопку вызова и передать сообщение, оператор принимает информацию и идентифицирует абонента по индикатору на панели пульта. Для ответа оператор нажимает кнопку, или педаль микрофона и включив номер абонента передает соответственную информацию. Режим громкой трансляции устанавливается при помощи кнопки «Л.ВЫХ.», при этом связь с абонентом прерывается.

Рис.1 Схема работы комплекса Спикер-6
В комплект «Спикер-6» входит:
ДОСТАВКА
Вы можете выбрать любой наиболее удобный способ из перечисленных ниже:
Доставка до терминала ТК «Деловые линии» осуществляется нами бесплатно.
ОПЛАТА
Мы принимаем оплату:
Цены на поставляемые нами товар всегда ниже, чем у наших конкурентов.
Условия гарантийного обслуживания
Гарантия не распространяется на ущерб, причиненный другому оборудованию, работающему вместе с данным изделием.
Центр измерительной техники «Эталонприбор» располагает своим собственным ремонтным сервисом, где Вы можете получить услуги по: ремонту, наладке, калибровке, гарантийному и послегарантийному обслуживанию измерительного оборудования, как приобретенного у нас, так и у других поставщиков. Сервис работает на основе лицензии, выданной Ростехрегулированием РФ.
