по РФ бесплатно
пн-пт 9:00-18:00
пн-пт 9:00-18:00
по РФ бесплатно
Ваш город
Нет
Да
КОНТАКТНАЯ ИНФОРМАЦИЯ
Телефоны:8 (800) 777-30-09 (по РФ бесплатно), 8 (495) 748-30-09, 748-30-60, 664-28-44.
Адрес:141006, Московская обл., г. Мытищи, Олимпийский пр-т, д. 29, стр. 2, офис 43/1.
УВАЖАЕМЫЕ КЛИЕНТЫ!
Цены на сайте могут отличаться, просьба уточнять конечную стоимость у наших менеджеров!
TMM-540


ПЧВ3-3К0-В

Цена:
54 420
Общая стоимость 0 руб.
В корзину
Купить в 1 клик
Нашли дешевле?
Снизим цену!
В избранное
Стоимость доставки от 800 ₽ (уточнять у менеджера)
Срок доставки: 2 - 10 дней при наличии товара на складе
Бесплатная доставка от 50000₽
Безналичный расчет для юридических лиц
Самовывоз со склада компании ЭТАЛОНПРИБОР
Более 350 брендов
Самые лучшие
цены
Техническая
документация
Быстрая доставка
по России
Сервисный
центр
  • Описание
  • Доставка и оплата
  • Гарантия и возврат
  • Отзывы
  • Сервис
Описание

Новая линейка ПЧВ3 имеет расширенные функциональные возможности, меньшие массогабаритные характеристики, увеличенный диапазон мощностей. Помимо стандартного исполнения ПЧВ3 со степенью защиты корпуса IP20 новая линейка включает 17 модификаций частотных преобразователей в диапазоне мощностей от 0,75 до 90 кВт со степенью защиты корпуса IP54. Такие преобразователи частоты могут быть установлены в помещениях с повышенным пыле- и влагообразованием без использования шкафа управления, что значительно упрощает монтаж оборудования, не требует создания системы принудительной вентиляции и снижает общие затраты на систему автоматизации.

Функционал линейки ПЧВ3 заточен под наиболее популярные HVAC-применения, обеспечивая в том числе:

  • «спящий» режим, необходимый в системах с переменным разбором жидкости для насосов;
  • специализированный противопожарный режим, необходимый для частотных преобразователей, управляющих вентиляцией в современном здании.

Вместе с тем линейка сохранила и даже расширила возможности общепромышленных ПЧ, поэтому может быть с успехом использована в большинстве задач управления промышленным приводом за исключением случаев точного позиционирования и больших динамических перегрузок. Примерами таких применений могут служить смесители, дозаторы, ременные приводы, конвейеры и т.п.

  • Плавный пуск и останов двигателя, в том числе отложенный запуск.
  • Компенсация нагрузки и скольжения.
  • Вольт-частотный или векторный алгоритмы управления.
  • Автоматическая адаптация двигателя без вращения.
  • Автоматическая оптимизация энергопотребления, обеспечивающая высочайший уровень энергоэффективности.
  • Полная функциональная и аппаратная диагностика и защита работы ПЧВ.
  • Встроенный сетевой дроссель, дроссель в звене постоянного тока и дополнительный входной дроссель.
  • Встроенный ПИ-регулятор для управления в замкнутом контуре (поддержание давления, температуры, уровня и т.д.).
  • Встроенный ПЛК для решения сложных задач управления и позиционирования привода.
  • Специализированный «спящий» режим для эффективной работы при малом разборе.
  • Специализированный противопожарный режим для систем вентиляции.
  • Подхват вращающегося привода для безаварийного запуска систем с вращением до подачи напряжения питания или при провалах напряжения.
  • Пропуск резонансных частот (до 2 участков пропуска).
  • Гибкая структура управления с возможностью одновременного управления по физическим входам и по интерфейсу RS-485, что обеспечивает удобную интеграцию в современные системы управления и диспетчеризации.
  • Простая настройка в русскоязычном конфигураторе или с использованием локальной панели оператора. Быстрые меню и готовые конфигурации под типовые задачи.
  • Возможность повышения степени защиты корпуса до IP21 при использовании крышки КО.

Возможности модификации ОВЕН ПЧВ3 со степенью защиты IP54

  • Более простое, надежное и бюджетное решение по сравнению с установкой частотника со степенью защиты IP20 в шкаф IP54.
  • Минимальные массогабаритные характеристики среди аналогичных устройств (занимает мало места на стене).
  • Инновационная система охлаждения (вентилятор ПЧВ не обдувает платы устройства, что позволяет устанавливать их в пыльных помещениях без периодического разбора и продува ПЧВ).
  • Соответствие требованиям ЭМС (встроенный фильтр ЭМС класса А1).
  • Удобный монтаж и подключение к двигателю и системе управления (можно установить близко к насосу, фиксация всех кабелей, идущих от ПЧВ).

Аксессуары для ПЧВ3

Аксессуары необходимы только для модификаций ПЧВ3 и приобретаются отдельно.

Полный перечень аксессуаров и подробное описание

Локальная панель оператора ЛПО3

Локальная панель оператора ЛПО3

Съемная локальная панель оператора ЛПО3 предназначена для программирования и индикации значений параметров работы прибора. Запрограммированный прибор может функционировать без ЛПО3, поэтому партия из нескольких приборов может комплектоваться одной ЛПО3.

Преимущества ЛПО:

  • Одна панель на несколько частотников.
  • Возможность копирования и тиражирования параметров.
  • Позволяют легко переносить настройки.
  • Возможен монтаж на удаленную панель шкафа управления с помощью монтажного комплекта KM3.
  • Гарантия 3 года.

Примечание.

Съемная локальная панель оператора ЛПО3 для модификаций ПЧВ3 приобретается отдельно.

Для модификаций ПЧВ3 IP54 локальная панель оператора ЛПО3 является несъемной частью корпуса.

Крышка КО3

Крышка КО3

Служит для повышения защиты корпуса ПЧВ до степени IP21, надежного закрепления сетевых и моторных кабелей и механической защиты от прикосновения к силовым клеммам. Различаются размерами для соответствующих корпусов.

Примечание.

Съемная крышка КО3 для модификаций ПЧВ3 приобретается отдельно.

Для модификаций ПЧВ3 IP54 локальная крышка КО3 не нужна.

Кабельная панель ПК3

Кабельная панель ПК3

Служит для надежного закрепления сетевых и моторных кабелей, гальванического подключения оболочек бронированных кабелей к заземляющей клемме ПЧВ. Принцип действия состоит в подавлении помех путем отвода их энергии на клемму заземления. Крепится к клемме заземления в нижней части корпуса ПЧВ. Различаются размерами для соответствующих корпусов.

Примечание.

Кабельная панель ПК3 для модификаций ПЧВ3 приобретается отдельно.

Для модификаций ПЧВ3 IP54 кабельная панель ПК3 не нужна.

Отличие линеек преобразователей частоты ПЧВ

Линейка компактных преобразователей частоты общепромышленного применения ОВЕН ПЧВ1/ПЧВ2Линейка преобразователей частоты для управления насосами и вентиляторами ОВЕН ПЧВ3
Преобразователь частоты ОВЕН ПЧВ1 и ПЧВ2Преобразователь частоты ОВЕН ПЧВ3
  1. Мощность до 22 кВт
  2. Вход для подключения инкрементальных энкодеров
  3. S-образная характеристика контроля частоты
  4. Тормозной транзистор (>1,5 кВт)
  1. Мощность до 90 кВт
  2. Встроенный входной дроссель
  3. Возможность управления синхронными двигателями
  4. «Спящий» режим
  5. Пожарный режим
  6. Контроль расхода
  7. Контроль натяжения ремня

Основные технические характеристики

Наименование

Значение

1

Питающая сеть

3 фазы, 200…240 В (0,25…11 кВт)

3 фазы, 380…480 В

(0,37…90 кВт)

2

Выходное напряжение (U,V,W), %

0…100

3

Выходная частота, Гц

0…200 Гц(VC),

0…400 (U/F)

4

Цифровые входы,

в том числе импульсные

4

-

5

Аналоговые входы

2 U/I (0…10 В/4…20 мА)

Аналоговые выходы

2 I (4…20 мА)

6

Релейные выходы

2 (240 В, 2 А)

7

Протокол RS-485

Modbus RTU, FLN, Metasys; BACnet MSTP

8

Встроенные источники питания

10 В/25 мА

24 В/80 мА

9

Класс защиты корпуса

IP20

10

Вибропрочность

1,0g

11

Максимальная относительная влажность

95 % без конденсации влаги

12

Диапазон рабочих температур

0…40 ºС при номинальном выходном токе

-20…+50 ºС со снижением выходного тока

13

Температура при хранении и транспортировке

-30… +70 ºС

14

Максимальная длина экранированного кабеля двигателя

25 м

15

Максимальная длина неэкранированного кабеля двигателя

50 м

16

Перегрузочная способность

110 % (60 с), 135% (1 с)

17

Тормозной ключ

нет

Входной и выходной токи ПЧВ3

Модификация ПЧВ3

Входной ток ПЧВ3, А

Выходной ток ПЧВ3, А

ПЧВ3-К25-Б

1,5

1,5

ПЧВ3-К37-Б

2,0

2,2

ПЧВ3-К75-Б

3,5

4,2

ПЧВ3-1К5-Б

6,5

6,8

ПЧВ3-2К2-Б

10,0

9,6

ПЧВ3-3К7-Б

16,0

15,2

ПЧВ3-5К5-Б

24,0

22

ПЧВ3-7К5-Б

32,0

28

ПЧВ3-11К-Б

45,0

42

ПЧВ3-К37-В

1,5

1,2

ПЧВ3-К75-В, ПЧВ3-К75-В-54

3,0

2,2

ПЧВ3-1К5-В, ПЧВ3-1К5-В-54

4,0

3,7

ПЧВ3-2К2-В, ПЧВ3-2К2-В-54

5,5

5,3

ПЧВ3-3К0-В, ПЧВ3-3К0-В-54

7,2

7

ПЧВ3-4К0-В, ПЧВ3-4К0-В-54

9,5

9,1

ПЧВ3-5К5-В, ПЧВ3-5К5-В-54

13,0

12

ПЧВ3-7К5-В, ПЧВ3-7К5-В-54

17,0

15,5

ПЧВ3-11К-В, ПЧВ3-11К-В-54

25,0

23

ПЧВ3-15К-В, ПЧВ3-15К-В-54

33,0

31

ПЧВ3-18К-В, ПЧВ3-18К-В-54

39,0

37

ПЧВ3-22К-В, ПЧВ3-22К-В-54

46,0

42,5

ПЧВ3-30К-В, ПЧВ3-30К-В-54

63,0

61

ПЧВ3-37К-В, ПЧВ3-37К-В-54

77,0

73

ПЧВ3-45К-В, ПЧВ3-45К-В-54

93,0

90

ПЧВ3-55К-В, ПЧВ3-55К-В-54

113,0

106

ПЧВ3-75К-В, ПЧВ3-75К-В-54

154,0

147

ПЧВ3-90К-В, ПЧВ3-90К-В-54

182,0

177

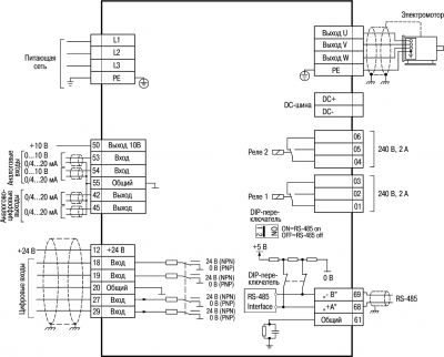
Схемы подключения

Схема электрических соединений всех клемм ОВЕН ПЧВ3

Схема электрических соединений всех клемм прибора

Внимание! Между клеммами UDC+/BR+) и 06 (UDC) может присутствовать напряжение до 850 В. Между этими клеммами нет защиты от короткого замыкания!

Примечание - В модификациях ПЧВ3, мощностью, от 30 кВт до 90 кВт выводы DC-шины (DC+ и DC-) не предусмотрены.

Комплект поставки

  • Прибор ПЧВ3
  • Руководство по программированию
  • Руководство по проектированию
  • Паспорт и руководство по эксплуатации
  • Гарантийный талон
Развернуть полное описание
Доставка и оплата

ДОСТАВКА

Вы можете выбрать любой наиболее удобный способ из перечисленных ниже:

  • Самовывоз со склада компании ЭТАЛОНПРИБОР
  • Доставка через транспортную компанию "Деловые линии"
  • Доставка экспресс - почтой "ПОНИ-ЭКСПРЕСС" до двери
  • Доставка по Москве и области нашими экспедиторами и курьерами
  • Доставка через транспортную компанию "ПЭК"
  • Отправка посылкой с помощью Почты России
  • Доставка через транспортную компанию покупателя

Доставка до терминала ТК «Деловые линии» осуществляется нами бесплатно.

ОПЛАТА

Мы принимаем оплату:

  • по безналичному расчету
  • перечислением денежных средств на расчетный счет для юридических лиц
  • банковским переводом для физических.

Цены на поставляемые нами товар всегда ниже, чем у наших конкурентов.

Гарантия и возврат

Условия гарантийного обслуживания

  1. Гарантия действительна только при наличии гарантийного талона с указанием заводского номера изделия, гарантийного срока и печати поставщика.
  2. Гарантия предусматривает бесплатный ремонт изделия или замену запасных частей, комплектующих в течении гарантийного срока, указанного в гарантийном талоне.
  3. Заводской номер и наименование изделия должны соответствовать указанным в гарантийном талоне.
  4. Изделие снимается с гарантийного обслуживания в следующих случаях:
    1. Нарушения условий эксплуатации, изложенных в технической документации изделия, которые привели к выходу изделия из строя, включая неисправности, вызванные использованием нештатных аксессуаров;
    2. Нарушения гарантийных пломб, в случае наличия следов вскрытия или взлома корпуса изделия;
    3. Ремонта в неуполномоченном сервисном центре или самостоятельно (кроме элементов и источников питания, замена которых предусмотрена производителем);
    4. Использования изделия не по назначению;
    5. Нарушения правил хранения и транспортирования;
    6. Наличия внешних механических повреждений, включая повреждения разъёмов и контактов;
    7. Наличия внешних повреждений, вызванных стихией, пожаром, молнией, высоким напряжением;
    8. Попадания внутрь влаги, инородных предметов и т.п.
    9. Неправильном включении в сеть.
  5. Гарантия не распространяется на расходные материалы и прочие детали, имеющие ограниченный срок службы: элементы питания (в т.ч. аккумуляторы), имеющие ограниченную прочность.
  6. Недополученная в связи с появлением неисправности прибыль и другие косвенные расходы не подлежат возмещению.

Гарантия не распространяется на ущерб, причиненный другому оборудованию, работающему вместе с данным изделием.

Отзывы
Отзывы о товаре ПЧВ3-3К0-В
Сервис

Центр измерительной техники «Эталонприбор» располагает своим собственным ремонтным сервисом, где Вы можете получить услуги по: ремонту, наладке, калибровке, гарантийному и послегарантийному обслуживанию измерительного оборудования, как приобретенного у нас, так и у других поставщиков. Сервис работает на основе лицензии, выданной Ростехрегулированием РФ.

 
Подробнее
 
Сервисное обслуживание
Простой обмен и возврат
Поможем решить любую проблему с товаром
Собственный сервисный центр
Устраним любую неисправность по гарантии. Срок указан без учета логистики
Сервисы по всей России
Обращайтесь за обслуживанием в авторизованные сервисы производителя
Похожие товары
 
Полезные статьи
При выборе манометра необходимо учитывать ряд важных факторов, чтобы прибор подходил для конкретной системы.
Уровень влажности в помещении играет важную роль в формировании оптимальных условий для комфортного пребывания. Для определения этого параметра используются устройства, называемые гигрометрами. В этой статье мы расскажем, как выбрать подходящее оборудование такого типа для различных объектов.
Осциллограф — это прибор для наблюдения, измерения, записи и анализа амплитудных и временных характеристик электрического сигнала. Подаваемый на вход устройства, он отображается либо на экране, либо фиксируется на фотоленте для последующего изучения.
Если вы задумались о приобретении мультиметра, важно заранее ознакомиться с рядом полезных рекомендаций, которые помогут сделать правильный выбор. Мы подготовили небольшую статью, которая, надеемся, окажется полезной.
Цифровой тахометр — это прибор, предназначенный для измерения частоты вращения различных объектов, таких как валы, двигатели и роторы. В отличие от аналоговых моделей, цифровые тахометры обеспечивают высокую точность измерений и удобство использования благодаря современным технологиям и информативному дисплею. Они широко используются в самых разных отраслях: от автомобильного сервиса и промышленности до научных исследований и контроля вентиляционных систем.
Мегаомметр – это специализированный прибор, предназначенный для измерения сопротивления изоляции электрических цепей и оборудования. В условиях современного мира, где электричество играет ключевую роль во всех сферах жизни, обеспечение безопасности и надежности электрических систем становится особенно важным. От качества изоляции проводников и оборудования зависит не только эффективность их работы, но и безопасность людей и объектов, которые они обслуживают.
Измерительные приборы играют ключевую роль в различных отраслях, начиная от промышленности и строительства, заканчивая медициной и научными исследованиями. Правильная эксплуатация и уход за этими приборами являются залогом точных измерений и долговечности оборудования.
Осциллографы играют ключевую роль в современных лабораториях и на производственных предприятиях, являясь незаменимым инструментом для анализа и визуализации электрических сигналов. Независимо от того, являетесь ли вы инженером-электронщиком, студентом технического вуза или энтузиастом электроники, понимание принципов работы осциллографов, их видов и характеристик, а также правил эксплуатации и ухода за ними, имеет первостепенное значение.
Амперметр предназначен для измерения величины тока в электрических цепях, выраженной в амперах. В основе его работы лежит простой принцип: инструмент позволяет наглядно увидеть мощность тока, потребляемого устройствами, подключенными к сети. Обычно амперметр подключают в цепь с нагрузкой, поэтому ток, протекающий через него, идентичен току, проходящему через любой другой элемент цепи, будь то нагреватель, мотор или лампочка.
На этапах возведения, отделки и монтажа различных сооружений большую роль играют точность разметки и идеальное выравнивание. Достижение профессиональных стандартов качества возможно при использовании лазерного нивелира. Для выбора подходящей модели целесообразно ознакомиться с механизмом работы этих устройств.
Новинки
Недавно просмотренные