Пост управления кнопочный ПКЕ-112-2 У3 предназначен для коммутации электрических цепей управления переменного тока напряжением до 660В частотой 50 Гц и постоянного тока до 440В.

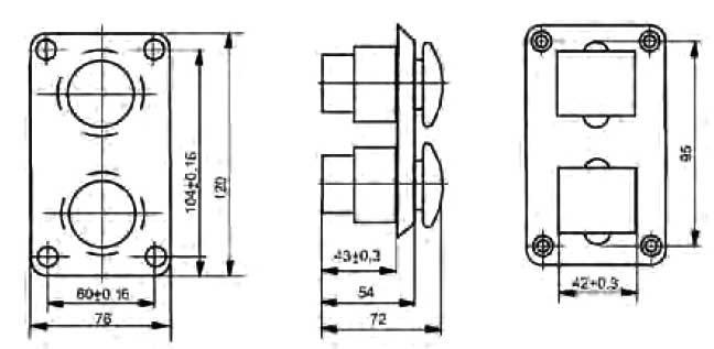
Схема - габаритные размеры
Количество элементов управления | 2 |
Тип толкателя элемента управления | цилиндрический (черный и красный) |
цилиндрический (черный) | |
Степень защиты | IP40 |
Способ монтажа | установка в нишу |
Габаритные размеры | 76x120x54 |
Номинальный рабочий ток | 10 А |
Номинальное напряжение | 440/660 В, 50 Гц |
Номинальное напряжение изоляции | 660 В |
Номинальный тепловой ток | 10 А |
Коммутационная износостойкость | 1 000 000 циклов ВО |
Климатическое исполнение | У3 |
ДОСТАВКА
Вы можете выбрать любой наиболее удобный способ из перечисленных ниже:
Доставка до терминала ТК «Деловые линии» осуществляется нами бесплатно.
ОПЛАТА
Мы принимаем оплату:
Цены на поставляемые нами товар всегда ниже, чем у наших конкурентов.
Условия гарантийного обслуживания
Гарантия не распространяется на ущерб, причиненный другому оборудованию, работающему вместе с данным изделием.
Центр измерительной техники «Эталонприбор» располагает своим собственным ремонтным сервисом, где Вы можете получить услуги по: ремонту, наладке, калибровке, гарантийному и послегарантийному обслуживанию измерительного оборудования, как приобретенного у нас, так и у других поставщиков. Сервис работает на основе лицензии, выданной Ростехрегулированием РФ.
