Разъединитель РВЗ-10/630 УХЛ4 предназначен для включения и отключения под напряжением участков электрической цепи высокого напряжения при отсутствии нагрузочного тока в сетях трехфазного переменного тока частоты 50Гц.
| Параметр | Значение | |
| Код ОКПО | 3414219000 | |
| ТУ | ТУ У 31.2 - 05755559 - 007:2010 | |
| № чертежа | ВЛИЕ.674212.003 | |
| Номинальное напряжение, кВ | 10 | |
| Номинальный ток,А | 630 | |
| Ток электродинамической стойкости, кА | 51 | |
| Ток термической стойкости, кА | 20 | |
Время протекания тока термической стойкости, с
| 3 1 | |
| Масса, кг | 43 | |

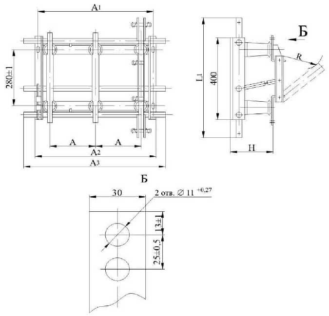
Схема - габаритные и присоединительные размеры разъединителя
A, мм | 250 |
A1, мм | 646 |
A2, мм | 676 |
A3, мм | 784 |
H, мм | 197 |
L1, мм | 589 |
ДОСТАВКА
Вы можете выбрать любой наиболее удобный способ из перечисленных ниже:
Доставка до терминала ТК «Деловые линии» осуществляется нами бесплатно.
ОПЛАТА
Мы принимаем оплату:
Цены на поставляемые нами товар всегда ниже, чем у наших конкурентов.
Условия гарантийного обслуживания
Гарантия не распространяется на ущерб, причиненный другому оборудованию, работающему вместе с данным изделием.
Центр измерительной техники «Эталонприбор» располагает своим собственным ремонтным сервисом, где Вы можете получить услуги по: ремонту, наладке, калибровке, гарантийному и послегарантийному обслуживанию измерительного оборудования, как приобретенного у нас, так и у других поставщиков. Сервис работает на основе лицензии, выданной Ростехрегулированием РФ.
